1.概述
在电气传动领域中,随着自关断器件技术水平的不断提高,脉宽调制技术(简称PWM技术)也日趋成熟。PMW交流变频调速以其高效率、高功率因数、输出波形好、结构简单等优点,在井下风机、水泵、造纸机等设备中得到了广泛的应用。将单片机应用于交流变频调速系统,可有效地避免传统调速方案中的一些缺点,达到了提高控制精度的目的[1],其特点:
(1)采用单片机可以使绝大多数控制逻辑通过软件实现,简化了电路。
(2)单片机具有更强的逻辑功能,运算速度快,精度高,有大容量的存储单元,可以实现较为复杂的控制。
(3)无零点漂移,控制精度高。
(4)可以提供人机界面,多机连网工作。
根据国内外有关变频调速的最新研究成果及研究动向,参阅大量的文献、资料,本着先进性与成熟性兼顾、标准化、可靠性、连续性、及时性的系统设计原则,设计了如图1所示的系统结构框图。

图1 系统结构框图

图2 整流电路
整个电路分为三大部分:主回路、驱动电路以及用单片机控制PWM产生器的控制电路,另外还有过流检测和保护电路,这样使得系统工作更稳定、可靠。
2.系统主回路设计
2.1整流滤波电路的设计
为了给逆变器提供一个稳定的直流电压,需要将电网输入的交流电进行整流。通常整流电路可分为可控整流和不可控整流。可控整流可以使系统的功率因数接近l,并且具有较小的纹波,频率高,可降低较小幅值的滤波电容。但是采用可控整流电路会使得系统成本上升,并且控制电路复杂。
目前比较经济可靠的方案,一般都是采用二极管整流,使电网功率因数与逆变输出电压无关而接近于1。在本系统中,我们采用了三相二极管不可控整流,如图2所示,采用它无需控制电路驱动,电路简单、可靠,成本低,缺点就是纹波较大,需采用较大幅值的滤波电容。
2.2 三相逆变电路的设计
三相交流负载需要三相逆变器,在三相逆变电路中,应用最广的是三相桥式逆变电路[2]。采用IGBT作为可控元件的电压型三相逆变电路如图3所示,可以看出电路由三个半桥组成。

图3 三相逆变电路

图4 IR2110驱动半桥电路
电压型三相逆变桥的基本工作方式与单相逆变桥相同,是 导电方式,即每个桥臂的导电角度为 ,同一相(同一半桥)上下两个臂交替导电,各相开始导电的时间依次相差 。这样,在任一瞬间,将有三个桥臂同时导通。可能是上面一个臂,下面两个臂,也可能是上面两个臂下面一个臂同时导通。因为每次换流都是在同一相上下两个桥臂之间进行的,因此,也被称为纵向换流。用T记为周期,只要注意三相之间互隔T/3(T是周期)就可以了,即B相比A相滞后T/3,C相又比B相滞后T/3。
具体的导通顺序如下:
第1个T/6:V1,V6,V5导通,V4,V3,V2截至;第2个T/6:Vl,V6,V2导通,V4,V3,V5截至;
第3个T/6:V1,V3,V2导通,V4,V6,V5截至;第4个T/6:V4,V3,V2导通,V1,V6,V5截至;
第5个T/6:V4,V3,V5导通,V1,V6,V2截至;第6个T/6:V4,V6,V5导通,V1,V3,V2截至。
3 驱动电路及系统保护电路的设计
3.1 驱动电路的设计
作为功率开关器件,IGBT的工作状态直接关系到整机的性能,所以选择或设计合理的驱动电路显得尤为重要。采用一个性能良好的驱动电路,可使IGBT工作在比较理想的开关状态,缩短开关时间,减小开关损耗,对提高整个装置的运行效率,可靠性和安全性都有重要的意义。
驱动电路必须具备两个功能:一是实现控制电路与被驱动IGBT栅极的电隔离;二是提供合适的栅极驱动脉冲[ 3]。
对驱动电路的要求,可归纳如下:
1)IGBT和MOSFET都是电压驱动,都具有一个2.5~5V值电压,有一个容性输入阻抗,因此IGBT对栅极电荷非常敏感,故驱动电路必须很可靠,要保证有一条低阻抗值的放电回路,即驱动电路与IGBT的连线要尽量短。
2)用内阻小的驱动源对栅极电容充放电,以保证栅极控制电压Uge,有足够陡的前后沿,使IGBT的开关损耗尽量小。另外,IGBT开通后,栅极驱动源应能提供足够的功率,使IGBT不退出饱和而损坏。
3)驱动电路要能传递几十kHz的脉冲信号。
4)在大电感负载下,IGBT的开关时间不能太短,以限制出di/dt形成的尖峰电压,确保IGBT的安全。
5)IGBT的栅极驱动电路应尽可能简单实用,最好自身带有对IGBT的保护功能,有较强的抗干扰能力。
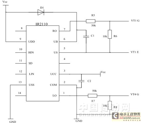
本文采用美国IR公司推出的IR21lO集成驱动器来驱动IGBT,它兼有体积小,速度快,电路简单的优点,是中小功率变换装置中驱动器件的首选品种。
驱动芯片IR2110用于驱动半桥电路如图4所示。
3.2 电流检测及过流保护电路
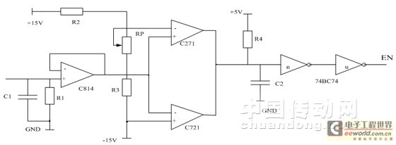
当流过IGBT的电流过流,一旦超出安全区,IGBT将永久损坏,因此系统要设置电流过流保护电路,系统在变频器的直流部分串电流互感器将电流转换为电压信号再通过比较器比较,将过流信号检测出来后,送到SA828l的脉冲封锁端(电平信号),那么SA828l就会停止输出PWM脉冲,以保护IGBT。IGBT的过电流保护电路如图5所示。

图5 IGBT的电流保护电路
其中运放C814组成电压跟随器,其输入来自电流互感器的输出。两个电压比较器C271组成窗口电压比较器,比较器的输出经施密特反相器连接到与门的输入端。当IGBT没有过电流时,C814的输入电压比较低,窗口电压比较器输出高电平,因此EN信号为高电平,使IGBT驱动信号有效;反之,当IGBT过电流时,EN信号变为低电平,封锁了IGBT驱动信号而使IGBT关断,调节电位器RP,可以改变过流阀值的大小。
过压保护电路的原理与电流保护电路类似,另外在主电路上应配装一个10A的快速熔断保险,当电路发生严重过流时,快速熔断保险烧断切断电网电源,尽可能的保证主电路的安全。
4.控制电路软硬件设计
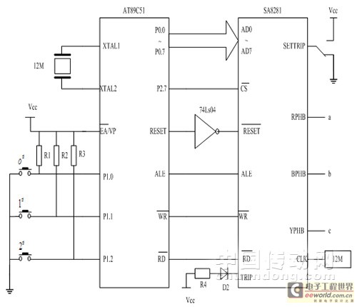
三相SPWM发生器是控制电路的核心部分。在本设计中,我们选用了AT89C51单片机控制英国MITEL公司的专用集成芯片SA8281作为SPWM波形发生器,该芯片与微处理器接口方便,几乎不用加任何的逻辑电路即可构成完整的SPWM控制电路,结构紧凑,提高了系统的集成度和可靠性,利于降低成本。
4.1 SA8281的功能介绍
SA8281芯片是MITEL公司设计的专门为交流电机的调速控制,UPS电源以及其他需要脉宽调制作为一种有效电源控制的电力电子器件[4]。引脚如图6所示:

图6 SA8281的引脚排列

图7 单片机与SA8281连接图
它可用于三相PWM波形产生的可编程微机外围接口芯片,使用一组标准的MOTEL总线,适用于英特尔和摩托罗拉二种总线接口,接口通用性好,编程和操作简单,方便,快捷。
SA8281采用常用的对称的双边缘采样法产生全数字化PWM波形,无时漂,无温漂,具有很高的精度和温度稳定性。
有6个标准的TTL电平输出,用来驱动逆变器的6个功率开关器件。
工作频率范围宽,精度高,三角载波频率可调。
工作方式灵活,在电路不变的情况下,直接通过软件设定载波频率、调制频率、调制比、最小脉宽、死区时间等工作参数就可改变逆变器的性能指标,驱动不同负载或工作于不同工况。可通过改变输出SPWM脉冲的相序实现电机的正反转,通过调制达到输出频率为OHz而给电机绕组通一直流电,实现电机的“直流插入制动”。
独立闭锁端可瞬时闭锁输出SPWM脉冲,可处理电机突发情况的发生。
波形存储在内部ROM中,可以选择可删除的最小脉宽和死区时间。
4.2 控制硬件电路的实现
控制电路部分采用的单片机为ATMEL公司推出的AT89C51,它采用CMOS结构,耗能低,抗干扰能力强,与MCS一5l系列完全兼容,且功能比一般的51系列芯片要强大许多。其内部含有128字节的RAM和4K字节的EPROM完全满足系统需要,不用外加RAM或EPROM存放数据或程序,但需要设定和保存的参数则存放在一片EEPROM中[ 5]。
正弦波发生器的原理图如图7所示,它以SA828l作为三相正弦波的发生芯片,单片机AT89C51作为SA8281的控制芯片。SA828l将大部分外围电路都集成在芯片内部,可以看出SA8281与微处理器接口简单,控制电路非常简单,结构紧凑,这样做从另一方面来讲对芯片工作的稳定性有很大帮助,提高了可靠性。
从整个电路来说,实现对SA828l的控制是通过按键输入相应的信息。本电路的设计要对SA8281输入初始化参数和控制参数,所以用到了三个按键0#键、1#键和2#键。在主程序中判断键号用的是查询式,0#键按下转入初始化子程序:l#键按下转入加速子程序:2#键按下转入减速子程序。
AT89C51是地址与数据总线复用类的单片机,为了隔离潜在的噪音干扰,设置输出断开引脚SETTRIP在通常情况下接地,同时设置了开关,便于在紧急情况下迅速关断所有PWM输出;为使PWM输出处于有效状态,输出关断引脚 接高电平[ 6]。外部时钟CLK引脚接独立的12M有源晶振为SA8281芯片提供一时钟基准用于控制与PWM有关的各时序。
4.3控制电路软件设计
对SA8281芯片的控制是通过微处理器接口将相应的参数送入芯片内部两24位的寄存器R4、R3来实现的,它们是初始化寄存器和控制寄存器。数据先被读入一系列临时寄存器R0~R2中,然后通过一条虚拟的写操作将数据传送至相应的R4,R3寄存器。
初始化寄存器用于设定和电机及逆变器有关的一些基本参数。在正常情况下,这些参数在电机工作前就被初始化(例.在PWM输出允许前),并且在电机工作时一般不允许改变。
控制寄存器在工作过程中控制输出脉宽调制波的状态,从而进一步控制电机的运行,比如转速、正/反转、启动和停止等。通常在电机工作时该寄存器内容经常被改写以实现对电机的实时控制。程序流程图下面分别进行说明:
4.3.1主程序
主程序判断键号用的是查询式:
O#键按下转入初始化子程序;1#键按下转入加速子程序;2#键按下转入减速子程序。
另外为了防止误操作增加了延时去抖动的再次判断键号环节。主程序流程图如图8所示:

图8 主程序流程图

图9 SA8281初始化子程序流程图
4.3.2初始化子程序
在初始化子程序要设定的是与电机和变频器有关的基本参数,包括载波频率的设定、调制波频率范围设定、脉冲延迟时间设定、最小删除脉宽的设定、调制波形选择、幅值控制设定等。
初始化寄存器的数据先以8位格式存入临时寄存器R0,R1和R2中,然后通过虚拟写操作R4再被存入初始化寄存器。
通常情况下,这些参数在电机工作过程中不要改变。
SA8281初始化子程序流程如图9所示:
4.3.3 调速子程序
调速子程序包括加速子程序和减速子程序,本文只介绍加速子程序,减速子程序类似于加速子程序。
加速子程序流程图如图9所示,控制参数包括调制波频率控制字和调制波幅值控制字,它们要通过计算求得,方法:首先根据电机的U/F曲线得到调制波的频率与幅值,然后通过公式计算出相应的控制字并制成表格,本文的程序设计中利用查表法实现两种控制参数的传送。调制波频率与幅值对比如表1所示。加速子程序流程图如图10所示:
表1 调制波频率与幅值对比表


图10 加速子程序流程图
5 总结
本文中,设计变频调速控制系统时,控制芯片采用单片机AT89C51,采用SA8281作为正弦波发生器,用IR2110芯片来驱动,另外考虑到系统的稳定性,设计了系统的保护电路,这样整个系统有成本低廉,功能齐全的特点,并具有较大的实用价值。目前,我国的变频调速市场逐渐增长,需求量日益广泛。因而,对于变频调速控制系统的研究具有重要的学术意义和应用价值。
