1 引言
通用串行总线( Universal Serial Bus) 使PC 机与外部设备的连接变得简单而迅速, 随着计算机以及与USB 相关便携式设备的发展, USB 必将获得更广泛的应用。由于USB 具有即插即用的特点, 在负载出现异常的瞬间, 电源开关会流过数安培的电流, 从而对电路造成损坏。
本文设计的USB电源开关采用自举电荷泵, 为N 型功率管提供2 倍于电源的栅驱动电压。在负载出现异常时, 过流保护电路能迅速限制功率管电流,以避免热插拔对电路造成损坏。
2 USB 开关电路的整体设计思路
图1 为USB 电源开关的整体设计。其中, V IN为电源输入, VOUT 为USB 的输出。在负载正常的情况下, 由电荷泵产生足够高的栅驱动电压, 使NHV1 工作在深线性区, 以降低从输入电源( VIN )到负载电压( VOUT ) 的导通损耗。当功率管电流高于1 A 时, Currentsense 输出高电平给过流保护电路( Currentlimit ) ; 过流保护电路通过反馈负载电压给电荷泵, 调节电荷泵输出( VPUMP ) , 从而使功率管的工作状态由线性区变为饱和区, 限制功率管电流,达到保护功率管的目的。当负载恢复正常后, Currentsense 输出低电平, 电荷泵正常工作。

图1 USB 电源开关原理图
3 电荷泵设计
图2 为一种自举型( Self-BooST ) 电荷泵的电路原理图。图中,Φ为时钟信号, 控制电荷泵工作。初始阶段电容, C1 和功率管栅电容CGAte 上的电荷均为零。当Φ为低电平时, MP1 导通, 为C1 充电, V1电位升至电源电位, V 2 电位增加, MP2 管导通。假设栅电容远大于电容C1 , V 2 上的电荷全部转移到栅电容C GATE 上。当Φ为高电平时, MN1 导通, 为C1 左极板放电, V1 电位下降至地电位, V2 电位下降, MP2 管截止, MN2 管导通, 给电容C1 右极板充电至V IN 。在Φ的下个低电平时, V1 电位升至电源电位, V2 电位增加至2 VIN , MP2 管导通, VPUMP 电位升至2 V IN - VT 。

图2 自举电荷泵原理图
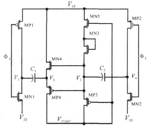
自举电荷泵不需要为MN2 和MP2 提供栅驱动电压, 控制简单, 但输出电压会有一个阈值损失。图3 是改进后的电荷泵电路图, Φ1 和Φ2 为互补无交叠时钟。由MN2、MN5、MP3、MP2 和电容C2 组成的次电荷泵为MN4、MP4 提供栅压, 以保证其完全关断和开启。当Φ1 为低电平时, MP1 导通,电位增加, 此时, V3 电位为零, MP4 导通, V 2 上的电荷转移到栅电容C GAT E 上, VPUMP 电位升高。当Φ1 为高电平时, MP2 导通, 为C2 充电, V4 电位上升至电源电位, V 3 电位随之上升, MP3 导通, V PUMP 电位继续升高。MN3 相当于二极管, 起单向导电的作用。
在VPUMP 电压升高到VIN + VT 以后, MN3 隔离V3到电源的通路, 保证V3 的电荷由MP3 全部充入栅电容。这样, C1 和C2 相互给栅电容充电, 若干个时钟周期后, 电荷泵输出电压接近两倍电源电压。
在电荷泵输出电压升高的过程中, 功率管提供的负载电流逐渐上升, 避免在容性负载上引起浪涌电流( inrush current ) 。

图3 改进后的电荷泵
4 过流保护电路设计
当出现过载和短路故障时, 负载电流达到数安培, 需要精确的限流电路为功率管和输入电源提供保护。对于MOS 器件, 只有工作在饱和区时的电流容易控制。限流就是通过反馈负载电压, 调节电荷泵输出电压来实现的。图4 是限流电路的原理图。

图4 限流电路原理图
N 型功率管NHV 的源与P 型限流管MP6 的栅相接, N 型功率管NHV 的栅与P 型限流管MP6的源相接。从而达到控制功率管栅源压降的目的。
当负载电流超过1A 时, 电流限信号( VLIMIT ) 为高电平, MN7 导通, 栅电荷经MP6 流向地, 栅电压减小, 功率管工作在饱和区。C1、C2 为电荷泵电容值,在一个时钟周期T 内, 由电荷泵充入的栅电荷为:
![]()
当功率管栅压稳定时, 电荷泵充入的栅电荷等于限流管放掉的栅电荷。限流管泄放电流为:
![]()
由
![]()
得功率管和限流管的电流关系:

式中, VTP 和VTN 分别是P 型管和N 型管阈值电压, M 为N 型功率管的并联数。
通过设置NHV 和MP6 宽长比、功率管的并联个数、电荷泵的时钟周期以及电荷泵的电容值, 就可以确定功率管的电流。当负载恢复正常后, 电流限信号( V LIMIT ) 为低电平, MN7 截止, 电荷泵正常工作, 为功率管提供2 倍于电源的栅驱动电压。这种过流保护电路通过MP6 泄放功率管的栅电荷, 易实现限流功能, 适用于N 型功率管的电源开关。
5 仿真结果与讨论
图5 为负载正常情况下负载输出电压和功率管电流的仿真波形。电源电压为5 V, C1、C2 电容值为1 pF, 时钟周期为40 s, NHV 和MP6 宽长比的比值为300, 功率管的并联个数为1 103。采用0. 6 m30 V BCD 工艺, 在典型条件下, 用HSPICE 对整体电路仿真。由波形可以看出, 在1 ms 内, 负载输出电压逐渐上升, 功率管电流没有过冲, 启动时间为1. 7 ms。3 ms 后, 功率管完全开启, 为负载提供电源。

图5 启动时功率管电流和负载输出电压
表1 为限流电路工作时功率管的平均栅电压和平均电流。图6 为USB 开关启动8 ms 后负载短路到恢复正常的仿真结果。U SB 开关在负载正常情况下启动, 8 ms 后负载短路, 负载电流过冲到3. 1A。当过流保护电路工作后, 过流保护电路将电流限制在0. 3 A, 保护了U SB 端口。16 ms 后, 负载恢复正常, 电源开关重新启动。
表1 限流时功率管平均栅电压和平均电流


图6 USB 开关在启动、限流和恢复正常过程中, 电荷泵输出电压、负载输出电压和功率管电流的仿真波形
6 结论
本文设计了一种满足USB 规范的电源开关。一种结构简单的自举电荷泵为N 型功率管提供栅驱动电压, 以降低开关的导通损耗。精确的限流电路针对过载和短路故障, 对输入电源提供保护。仿真结果表明, 在负载短路瞬间, 限流电路能够有效地减小过冲电流, 并能把电流限制在0. 3 A, 达到保护USB 端口的目的。
