降低蜂窝手机功耗并且延长其电池寿命是每一位手机设计工程师的目标。设计工程师正在不断将MP3播放器、照相机以及全运动视频等功能加入到现代手机中,从而需要不断地将功耗降到最低。
将手机主要芯片(例如模拟基带芯片和数字基带芯片)的电源电压降低——可能是2.8 V甚至1.8 V——是降低功耗的一种方法。但是当设计工程师需要保留一颗或多颗采用高电源电压的支持芯片时出现了问题。最常见的是智能手机的额外功能将需要较高的电压。其中一个例子就是合弦铃声,由于音频信号峰峰值范围大约在3.2 V左右,因此产生和传送这些铃声的电路通常需要4.2 V的电源电压。这样在基带和铃声电路之间的接口处出现了问题。
为了说明这个问题,我们要使用模拟开关将语音或铃声切换到扬声器作为一个例子。为了使这两类电路共存于同一块印制电路板(PCB)上,要么折中功耗,要么使用基带芯片中的低电压数字逻辑驱动模拟开关。然而应当注意,采用后一种方案可能会失去从基带芯片降低电源电压获得的节省功耗,因为当模拟开关工作在非理想模式下,从而会产生很大的灌电流。
解决这个问题的一种简单方法是对来自基带芯片的数字逻辑做电平变换,以维持基带芯片使用1.8 V电压来节省功耗,但是这种方案需要更高的电压驱动必须工作在更高电压下手机中的任何芯片。
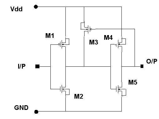
为了进一步解释这种方案为什么需要电平变换器,让我们看一下电流实际流向哪里。如图1 所示,模拟开关的数字输入是一个基本的CMOS缓存器,其由连接逆变器的PMOS和NMOS晶体管组成。

图1
将信号加到缓存器的I/P输入引脚。当输入电压高于输入高电压(Vih)时缓存器的输出电压是Vdd(电源电压),当输入电压低于输入低电压(Vil)时缓存器的输出电压为GND(地)。这样确保模拟开关的门极电压为电源的某一端电压,从而使其信号范围最大。从0~Vdd扫描输入电压的同时监测电源电流(Idd)产生的如图2所示的I-V特性曲线。当输入电压是电源电压的任一端电压时,Idd降到最小值(0 μA)。但是当输入电压接近于缓存器的跳变点时,Idd急剧增加。因此,当施加到I/P端的数字输入电压为电源的某一端电压时,模拟开关消耗最低功耗。

图2
缓存器具有的特性曲线如图2所示。由于缓存器设计中所用的NMOS和PMOS开关管实际上是用作电压控制电阻器。这些芯片所表现的特性如下:
Vgs > Vt —> 晶体管导通
Vgs < Vt —> 晶体管关断
Vt被定义为门限电压,当高于该电压时在源极和漏极之间形成导电沟道。NMOS晶体管的Vt为0.9 V,PMOS晶体管的Vt为-0.9 V。因此,当输入电压是0 V时,PMOS(M1)处于导通状态,第一级的输出是Vdd。在第二级中,NMOS(M5)器件处于导通状态,缓存器总输出为0 V。缓存器输入电压增加时(在达到最大电流以前)会引起M1的阻抗增加(M1开始关断)以及M5的阻抗下降(M5开始导通),这时我们将会看到Vdd和 GND之间形成的低阻抗通道。进一步提高输入电压会使缓存器的输入输出晶体管对中只有一只晶体管导通。
我们运用上述原理继续分析模拟开关实例,考虑使用ADI公司的ADG884模拟开关在手机的合弦振铃器和语音之间切换。来自数字基带芯片的控制信号为1.8 V。如图2所示,若用1.8 V的数字信号直接驱动模拟开关,则电源电流应为120 μA。如果模拟开关的数字输入电压高于3.8 V,那么功耗实际上应为0。因此为了使模拟开关工作在最低功耗区域,数字基带芯片的数字信号需要变换为更高的电压。采用ADI公司的SC70超小封装并且通常仅消耗0.1 μA 电流的ADG3301作为电平变换器非常适合这项工作。如图3所示,它可以与基带芯片的电源电压和模拟开关的电源电压连接并且在两颗芯片之间转换逻辑电平。

图3
当然,上面例子中的模拟开关可以是工作在更高电压下的任何芯片。当代移动手机由多个CMOS集成电路(IC)组成以完成不同的功能,例如音频以及视频和数码照相机。这些IC通常可工作在5 V~1.8 V之间的任何电压下,有时甚至是更低的电源电压。
总之,我们采用电平变换节省功耗的方案以延长电池寿命。应该考虑如下因素:低端移动电话通常使用600 mAh容量的电池。低端手机的电池待机时间为300小时(hr),其标称电流为2 mA。如果没有进行电平变换,本例中所使用的模拟开关将吸收4.8%的电流,但是如果经过上述的电平变换后其仅吸收0.04%的电流。
