摘 要:在卷染机控制中采用变频调速具有配置简练、逻辑清晰、成本下降的特点,同时本文还详细介绍了汇川MD330变频器在卷染机上的应用。
关键词:卷染机 恒张力 恒线速 变频控制 公共直流母线
一、前言
卷染机适合目前市场对多品种小批量织物的染色需求,可间歇式生产,发展前景看好应用越来越广泛。卷染机控制方面要求具备自动记道、自动计数、自动换向、自动掉头、自动停车、防坠液等功能,在整个工艺过程中,要求保证布匹的张力和线速度恒定,因此对系统的自控控制水平要求较高。国内较为传统的卷染机大部分采用双直流电机控制,只能达到近似的恒张力控制效果,也有采用单变频器的卷染机,放卷采用异步电机直流制动的方式,收放卷用接触器在变频器和直流制动之间进行切换,以上这些方案,分析其原理,都是在较大误差情况下的一种近似结果,因此控制效果不尽如人意。进口的高档卷染机,有的采用伺服控制,有的是用价格昂贵的工程型变频器来实现,效果较为理想,但是对于国内的用户来说,成本压力很大。本文以一个工程实例来说明采用汇川张力控制专用变频器精确并巧妙的完成卷染机的工艺要求。
CLM158巨型卷染机技术指标:
◆门幅:1800——3600mm;
◆最大卷径:1500mm
◆车速:20——150m/min;
◆最高温度:98℃
◆张力调整范围:300~1000N

图三

图四
图四是卷染机工作的示意图,这是一个典型的中心卷曲控制系统。未染色的布匹首先通过上布电机卷曲到其中的一个辊筒上,在辊筒的传动轴上安装有计数用的接近开关,此时控制系统计下整卷布的道次,上卷完毕,采用人工的方式把布匹的一头卷到另外一个辊筒上面,待包覆紧密即可正常开始工作。此时两个辊筒朝着同一个方向运转,控制的要求是保持布匹上的张力恒定,保持布匹在染液经过的时间一致,也就是线速度恒定。这是个没有线速度反馈的驱动系统,但线速度又实实在在的随着辊筒的半径的变化在变化。因此,控制系统需要适应这种独特的要求。
汇川MD330变频器为卷染机的高性能控制提供了理想的驱动平台。在江苏地区各个卷卷机厂家以及最终用户处的实际使用情况表明,采用MD330控制的卷染机,兼顾了控制性能和成本之间的要求,为该行业的产品升级换代提供了优秀的解决方案。下面结合用于平幅丝绸棉布尼龙人造及合成丝等织物的 CLM158 巨型恒张力卷染机的工程实例说明汇川MD330高性能矢量控制变频器在该行业的应用。
二、采用张力控制专用变频器的卷染机电气系统
卷染机的控制可以分为温度控制和传动控制两部分,本文重点描述的是关系到张力以及线速度控制的驱动部分控制。

图五
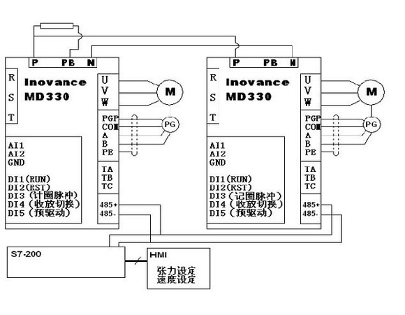
该卷染机的控制系统以西门子作为控制器,采用触摸屏作为人机界面,它们主要完成的是张力,线速度的设定,布的厚度的测量以及相关逻辑动作的控制。变频器和PLC之间采用485通讯。采用通讯方式的好处是可以随时知道变频器主要变量的信息,减少接线,使得整个系统看起来很精简。接线示意可见图五。由图中可见:两台完全一样的变频器,它们均工作于闭环矢量控制模式,由于卷染机在接近满卷时候会较长时间工作在很低的频率下(1~3Hz),采用较高线数的编码器有助于提高在低转速工况下的控制性能,同时考虑散热,需要采用变频专用电机。
上布时刻,PLC记录下该布卷在辊筒上面的总圈数,然后由操作工测量该布卷的直径,把这个值输入到HMI,PLC根据直径和总圈数,可以精确计算出来单层布的厚度。采用这种方法获得布厚,误差很小。布厚通过485通讯传送到MD330张力控制变频器,作为控制的最基本参数。同时针对每种织物,染色所需要的张力以及染色速度,也在HMI上面设定好,然 后通过PLC传递给变频器。
MD330的功能十分强大,除了具有常规的惯量补偿,卷径计算,摩擦力补偿,锥度计算等张力控制功能之外,还有一个为了线缆、印包等行业收卷控制的自动换盘设计的功能:预驱动。该功能的作用是根据线速度和卷径的关系,自动计算出所匹配的角速度。利用这个功能,我们首先可以实现卷染机控制要求中的恒定线速度控制。其原理是:根据设定的线速度以及布匹的初始直径,布匹的厚度,我们可以得到一个匹配的电机旋转速度,当直径变化的时候,辊筒每旋转一圈,变频器会自动减去一层布的厚度,从而得到一个新的直径,通过这个新的直径,变频器又能够计算出所需要匹配的线速度,如此周而复始,可以确保布匹线速度的恒定。
恒张力的控制,则是利用矢量控制变频器的转矩控制功能,实时的根据张力的设定值,锥度,补偿量以及卷轴直径计算出所需要的转矩,从而达到间接的控制带材张力的目的。这种控制方式适合较低速度下的大张力控制,而卷染机正是较为典型的该类系统。在该系统中,变频器接收PLC通过485传送过来的张力设定值,然后根据布厚的递归运算得到直径,张力设定值乘上半径除上机械系统的传动比就是电机所需要输出的转矩。
在该系统中,假设我们把放卷的定为速度模式,它始终工作在预驱动模式下,根据辊筒直径的变化计算出需要的电机转速来保证布匹的线速度恒定,收卷的则始终工作在转矩控制模式下。当一个方向快要染到头的时候,只需要切换一下两台变频器的收/放卷控制模式和预驱动即可。而这正好是一组逻辑上相反的信号,采用一个继电器即可获得。
由卷染机的工作原理可见,放卷的电机始终处于发电模式,通常的做法都是采用制动单元、制动电阻,将制动产生的能量以热量的形式消耗掉。对于卷染机这样长年累月工作在发电模式下的设备来说,这种方式电能的浪费是大量的。汇川变频器可以方便支持公共直流母线,我们在实践中将两台变频器的P N母线直接并联,这样正常工作制动产生的能量通过并联的母线又回到拖动的电机。为了考虑在快速减速的时候,有可能两台电机都处于发电状态,在其中的一台变频器上面仍旧并联了一个制动电阻,这个电阻的工作是短时的,能耗很小。老是卷染机控制柜下方很大的一个电阻箱现在可以完全取消了,既节省了能耗,又避免了很大的一个热源,从而系统的可靠性也得到了提高。
三、结束语
本系统在优化参数值之后,设备试机时速度150米/min非常稳定,完全解决了原来采用直流电机张力控制不够连续、稳定的问题。为了稳妥器件,第一套系统在染缸底部的过渡辊上面安装了张力传感器来监测布匹的张力,从传感器检测回来的数据可以看到,这个系统的张力控制的非常的稳定,稳态的时候波动可以做到小于5%,快速加减速度的动态过程波动小于15%。从传感器也可以看到锥度系数在控制中的作用,而这些性能,功能都是原来直流电机没有做到的。采用公用母线方式,设备效率为90-95%、节电率为40%左右。而且本系统电气器件配置简练、逻辑清晰,兼顾了控制要求和成本之间的要求,的确是个性价比优良的方案,采用该控制方案的卷染机现在已经已经在福建,淮北,江阴等地批量应用。
参考文献
1、《MD系列模块化变频器MD330用户手册》2004年深圳 深圳市汇川技术有限公司
2、《电气变频调速设计技术》杜金城 2001年北京 中国电力出版社
