OTL耳机放大器电路
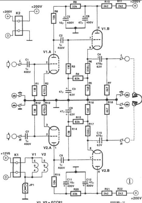
摘要: 如图所示电路,用双三极管ECC82(相当于E802C、E82CC、与北美12AU7、国产6N10型)作为放大器。此类管子l有指标优良和使用寿命长的特点。
Abstract:
Key words :
如图所示电路,用双三极管ECC82(相当于E802C、E82CC、与北美12AU7、国产6N10型)作为放大器。此类管子l有指标优良和使用寿命长的特点。
前置放大器要产生足够的信号幅度去驱动耳机。管脚1、2、3、的三极管部分放大信号。输入信号通过50kΩ音量控制对数式电位器P1(P1不在图I中表示)到达电路板,再经过C1、R1直接输给前置放大级,而R1、C1l提供必需负栅偏压。增益实质上由R8决定。而最大输入电压由R2决定。R9是这样确定.即把静态阳极电流选在特性曲线最大可能的线性部分。在阳极上被倒相和放大的输入信号通过C2耦合到第二级栅极。第二级阴极电阻被分成R5和R6两部分。R5和R6串联形成负载电阻。其分压作用为栅偏压选择一个正确值。栅偏压加到栅极之前经R4和C3退耦和稳定。由栅偏压和相应特性曲线决定的阳极电流在R5和R6上形成压降,严格地与电流成比例关系。此电压接着经过耦合电容C4馈给耳机。为避免耳机插入时产生喀啦噪声,接入R7保持输出在DC信号地电位。上述仅介绍L(左)声道电路工作原理。右声道与此相同。

此内容为AET网站原创,未经授权禁止转载。
