随着笔记本电脑、手机、PDA 等移动设备的普及,对应各种电池电源使用的集成电路的开发越来越活跃,高性能、低成本、超小型封装产品正在加速形成商品化。LDO(低压" title="低压">低压差)型线性" title="线性">线性稳压器" title="稳压器">稳压器由于具有结构简单、成本低廉、低噪声、小尺寸等特点,在便携式电子产品中获得了广泛应用。
在便携式电子产品中,电源效率越高意味着电池使用时间越长, 而线性稳压器效率=输出电压×输出电流/输入电压×输入电流×100% ,因此,输入与输出电压差越低、静态电流(输入电流与输出电流之差) 就越低,线性稳压器的工作效率就越高。
本文设计的低压差线性稳压器其输出电压为2.5V 或输出可调,满足当负载为1mA 时,最小输入输出压差为0.4mV ,当负载为300mA 时,压差为120mV ,电源电压工作范围为2.5~6V。
1 电路结构与工作原理
低压差线性稳压器的电路结构如图1 所示,电路由调整管,带隙基准电压、误差放大器、快速启动、过流限制、过热保护、故障检测、及取样电阻网络等模块组成,并具有使能、输出可调等功能。调整管作为压差的负载器件,要满足本设计的要求,对于它的选择需重点考虑: 首先比较三极管和MOS管,由于三极管是流控器件,而MOS管是压控器件,比较而言MOS管结构的静态电流更低。其次,NMOS管工作时需一比输出电压高的驱动信号,而PMOS管则无此需求,特别在低输入电压时要产生一高的驱动电压变得较困难。因此,本文采用PMOS管作为调整管。

图1 低压差线性稳压器电路结构
电路的工作原理是: 在电路上电过程中,快速启动电路内有一个500μA 的电流源的对CC端的旁路电容C充电,使电路尽快上电启动,误差运放的同相端经由取样电阻R1 、R2对输出电压V0采样,再与Vref比较后输出放大信号,控制调整PMOS管的栅极电压,使输出电压V0 保持稳定,即:
![]()
电路在工作过程中出现过流、过热情况时,过流限制与过热保护电路会快速响应,调整管的导通状态会被减弱、关断,保护电路不致损坏,同时故障检测电路会产生一个低电平信号。使能端接高电平时电路正常工作;当使能端为低电平时,基准电路及调整PMOS管关断,电路处于等待状态。
2 关键特性分析及设计考虑
2.1 漏失电压(VDO) 和静态电流(Iq)
漏失电压定义为维持稳压器正常工作的最小输入输出电压差,它是反映调整管调整能力的一个重要因素。对采用PMOS 管作调整管的电路,漏失电压由导通电阻(Ron) 和负载电流(Io) 确定,即: VDO = Io×Ron 。低压差线性稳压器的静态电流为输入电流与输出电流之差,即: Iq = Ii -Io。静态电流由偏置电流和调整管的栅极驱动电流组成。对PMOS 调整管而言,栅极由电压驱动,几乎不产生功耗。在稳压器承载小负载或空载时,漏失电压极低,静态电流等于稳压器工作时的总偏置电流。设计时注意使PMOS 调整管的导通电阻和漏电流尽可能做小,各模块电路在小电流状态下能正常工作。
2.2 功耗( Pw) 和效率(η)
低压差线性稳压器的功耗为输入能量与输出能量之差,即:
PW = VI II - VO IO = ( VI - VO) IO + VI Iq
上式中,前一项是调整管产生的功耗,后一项是静态电流功耗。稳压器效率如前所述可表示为:
η= IO VO / ( IO + Iq ) VI ×100 % ,功耗与效率的表达式充分说明对于低压差线性稳压器,低漏失电压、低静态电流意味着低功耗、高效率。
2.3 负载调整能力和电压调整能力
负载调整能力指当输出电流变化时,输出电压维持一定值的能力,定义为: ΔVO / ΔIO ,它表征了负载变化而稳压器维持输出在标称值上的能力,该值越小越好。电压调整能力指当输入电压变化时,输出电压维持一定值的能力,定义为: ΔVO / ΔVI ,它表征了输入电压变化而稳压器维持输出在标称值上的能力,该值也是越小越好。对图1 的电路结构其负载调整能力和电压调整能力分别为:

其中gm 为调整管的跨导; Aod为误差放大器的开环差模增益; Rds 为调整管源漏间的等效电阻; RL 为负载电阻; R1 、R2 为取样电阻。由上式可见,减小ΔVO÷ΔIO 和 ΔVO÷ΔVI 的关键是尽可能增大gm 和Aod 。
2.4 瞬态响应
瞬态响应是稳压器的动态特性,指负载电流阶跃变化引起输出电压的瞬态脉冲现象和输出电压恢复稳定的时间,与输出电容COUT和输出电容的等效串联电阻RESR ,以及旁路电容Cb有关,最大瞬态电压脉冲值ΔVTR(MAX) 为:

其中: IO(MAX) 是指发生阶跃变化的最大负载电流;Δt1 是稳压器闭环的响应时间,与稳压器闭环带宽(0dB 频率点) 有关。设计应用时需考虑降低稳压器的瞬态电压脉冲,即提高稳压器的带宽,增大输出和旁路电容,降低其等效电阻。
2.5 输出精度
稳压器的输出精度是由多种因素的变化在输出端共同作用的体现,主要有输入电压变化引起的输出变化ΔVLR 、负载变化引起的输出变化ΔVLDR 、基准漂移引起的输出变化ΔVref 、误差放大器失调引起的输出变化ΔVamp 、采样电阻阻值漂移引起的输出变化ΔVres 、以及工作温度变化引起的输出变化ΔVTC ,输出精度ACC由下式给出:
![]()
其中ΔVref 、ΔVamp 及ΔVres对ACC影响较大,故基准电压源、误差放大器及采样电阻网络的拓扑结构在设计时需重点考虑。
3 电路设计及模拟结果
3.1 带隙基准电压源的设计
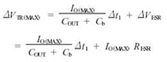
基准电压源是线性稳压器的核心模块,是影响稳压器精度的最主要因素。带隙基准电压源的工作原理是利用晶体管的VBE所具有的负温度系数与不同电流密度下两晶体管之间的ΔVBE所具有正温度系数的特性,乘以合适的系数使二者相互补偿,从而得到低温漂的输出电压。
电路实现如图2所示,有:
![]()
其中n 为Q1 、Q2 的发射区面积比。Hspice 模拟结果表明,当电源电压变化范围在2.5~6V 之间时,常温下VREF = 1.254V ,温度变化范围在-30~120 ℃之间时,温漂系数小于10×10-6/ ℃。

图2 带隙基准源电路
3.2 误差放大器的设计
误差放大器将输出反馈采样电压与基准电压进行差值信号比较放大,输出后控制调整管的导通状态,保持Vout稳定,其增益、带宽及输入失调电压等指标对稳压器的输出精度、负载和电压调整能力、瞬态响应等特性有较大影响,电路实现如图3所示。通过Hspice 模拟得到该误差放大器在VCC1为4.2V 时,其输入失调电压为0.05μV ,直流增益为110dB ,带宽达到10MHz。

图3 误差放大器电路
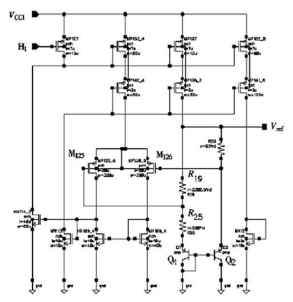
3.3 过流限制模块的设计
过流限制电路的设计思路是通过对调整管栅源电压进行采样,实现控制调整管的栅极电压,从而达到限制输出电流的目的,电路实现如图4所示。

图4 过流限制电路
当负载电流由小增大时,VDrv随之降低,调整管MTG的ID随之增大,通过M20对调整管MTG的栅源电压进行采样,使得M31 的栅极电压增大,这样M21的栅极电压随之降低,从而实现对VDrv的调整。通过Hspice 模拟得到,当负载电流超过330mA 时,M21将开始导通,从而使VDrv 随之提高,使调整管MTG导通程度减弱,起到限流保护作用。
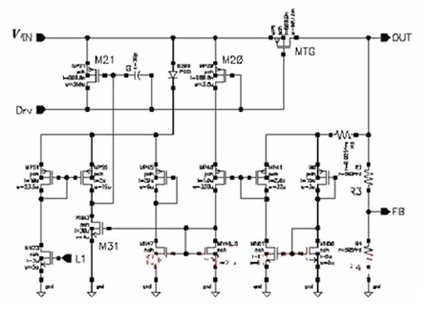
3.4 过热保护模块的设计
过热保护电路的设计思路是利用对温度敏感的元件来检测的片内温度的变化,当温度超过设定值时,保护电路动作,调整管被关断,以防其损坏,电路实现如图5所示。

图5 过热保护电路
利用晶体管的VBE具有负温度系数的特性,将Q0作为测温元件,由M12 、M13 、M10 、M5 、和M4 形成一比较器,M11 、R1 和R2 组成分压电路。在低于温度设定值时设计VGM12< VGM13,比较器的输出VGM3为低电平, Tout 的输出为高电平,电路正常工作,当温度升高到超过设定值时,有VGM12> VGM13,比较器反转, VGM3 变为高电平, TOUT的输出为低电平,从而实现关断调整管。本电路的温度保护设定值为160 ℃,Hspice 的模拟结果如图6所示,图中×代表输出电压VOUT , ⊙代表VGM12,Δ 代表VGM13, 负载电流为300mA。

图6 输出电压随温度的变化( I0=300mA)
3.5 总体电路模拟结果
本电路采用韩国现代公司0.6μm 工艺模型,通过Hspice 对整体电路及各关键模块进行了模拟优化,典型工作条件下模拟结果如表1,输出电压随输入电压及温度的变化如图6、图7所示,模拟结果充分验证了设计的正确性。

图7 输出电压随输入电压的变化( IO = 300mA)
4 总 结
本文分析讨论了低压差线性稳压器的工作特性及设计考虑,并给出了关键模块的电路设计图,HSPICE 的模拟结果验证了电路具有良好特性,该电路采用标准CMOS工艺实现,具有较高的实用价值。
