0 引言
随着通信技术、网络技术的迅速发展,大量网络设备接入网络,互联网用户数量正以几何级数增长。研究表明,IPv4 地址空间将在2011 年前耗尽,因此IPv4 地址资源非常紧缺。SOHO 路由器利用私有网络IP 地址有效地缓解目前 IP 地址短缺的危机,为公司、家庭等小型局域网提供高效、廉价的共享上网方案。当前SOHO 路由器设计,采用
ARM7TDMI+μClinux 设计架构,ARM7 内核微处理器工作频率为50M 左右,而以太网控制芯片工作频率一般为100M,处理器速度难以满足高速接入网用户要求;μClinux 操作系统,不具有内存保护机制,任何程序都有可能导致内核崩溃,系统稳定性较差。本文采用ARM920T 内核微处理器,工作频率200M,足以满足高速接入网用户要求,它具有先进的MMU 体系结构,支持WinCE、EPOC32、Linux 操作系统。Linux 操作系统,具有内存保护机制和强大的网络控制功能,能防止恶意程序对系统的破坏并实现*滤防火墙,有效地提高了系统的稳定性和安全性。
1 SOHO 路由器原理
路由器有位于网络中心的核心路由器、连接企业级网络的企业路由器以及把家庭或小单位用户接入网络的 SOHO 路由器。SOHO 路由器能够实现自动配置和基本数据包路由、过滤功能。从严格意义上来讲,SOHO 路由器并不能完全称之为路由器,它只实现部分传统路由器的功能。SOHO 路由器采用NAT(Network Address TranslaTIon)转换技术,把局域网内部私用有IP 地址转换成一个合法的公网IP 地址,使私有网络中多台主机共享一个合法的 IP 地址访问因特网。
本文利用 Linux 内核支持IP Masquerade(IP 伪装)技术实现NAT 转换,实现多台主机共享访问因特网。IP Masquerade 工作原理:客户机将实现IP Masquerade 的Linux 机器设置为缺省网关,当IP Masquerade 的Linux 机器收到客户机的数据包时,对其进行改写,将源地址替换为自己的IP 地址,将源端口号换成一个新的端口号,并且对该过程进行记录;当接收到响应数据包时,如果其端口号正是先前所指定的端口号则再对该数据包进行改写,将其目的IP 地址及目的端口号替换为原来记录的客户机IP 地址和端口号,然后再发送给客户机。
2 系统硬件设计
系统以 S3C2410X 微处理器为核心,外扩存储器、以太网控制器、交换控制器、配以必要的调试接口、电源电路和时钟发生电路构成,硬件结构框图如图1 所示。

(1) 微处理器与存储系统
S3C2410X 是SAMSUNG 公司开发的一款低价、低功耗、高性能应用于PDA、Internet设备的微处理器,工作频率200M,能满足高速处理要求。系统扩展了1 片64MB NANDF1ash 芯片和2片SDRAM 芯片,NAND F1ash 芯片中存储Bootloader 引导程序和Linux 内核,系统上电复位后从中执行初始化代码。
(2) 以太网控制芯片
DM9000 是一款高性价比以太网控制芯片,具有通用处理接口以太网MAC 控制器,能与10Base-T 的UTP3/4/5 和100Base-T 的UTP5 接口连接,满足高速接入网要求,也支持通过MII 接口与其它MII 接口的收发器互联。
(3) 交换控制芯片
RTL8305S 是台湾瑞昱公司最新设计的5 端口10/100Mbps 高速以太网络交换控制芯片,五个端口分成三个组(X 组,Y 组,第五端口),可通过相关引脚灵活配置;集成了5个MAC(媒体存取控制器)、5 个实体层收发器、1M SRAM 和1K MAC 地址记忆区,有效地减少查表时间和转储时间,适用于高速局域网交换器;每一个端口均可支持100Mbps的100BASE-TX 高速以太网传输或10Mbps 的10BASE-T 的以太网传输。
(4) 系统实现
S3C2410X 微处理器通过系统总线连接FLASH和SDRAM构成存储系统,系统上电后,微处理器从FLASH 中读取初始化程序,SDRAM 为程序运行和数据处理和转发提供临时存储空间。以太网控制芯片DM9000,经单端口隔离变压器和RJ45 接口与互联网相连。DM9000 通过MII(独立媒体接口)与交换控制芯片RTL8305SC 的PORT4 口相连,RTL8305SC 经过4 端口隔离变压器和四个RJ-45 接口连接局域网集线器,交换机或电脑,进行数据交换或通过微处理器控制与广域网连接。

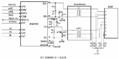
DM9000 与S3C2410X、RJ45 接口电路如图2 所示,DM9000E 芯片的引脚INT 与S3C2410X 芯片的外部中断信号EINT14 相连,S3C2410X 片选信号nGCS4 和地址线MA2分别连接DM9000的AEN 引脚和CMD 引脚。SA6 到SA0 对应地址总线,而SA9 与SA8引脚设置为高电平,SA7 引脚设置为低电平,用来片选DM9000;3C2410X 的nOE 引脚连接DM9000 的读引脚IOR#,nWE 引脚连接DM9000 的写引脚IOW#,并将S3C2410X 数据线MD[0..15]与DM9000 的数据线SD[0..15]连接,实现数据传输。将 RTL8305S 第5 端口设定为一个MII 接口与以太网控制芯片DM9000R MII接口相连,RTL8305S 与四端口隔离变压器和RJ45 接口与图2 类似。
3 系统软件构建
软件构建主要包括 Linux 操作系统移植和NAT 技术实现。
3.1 Linux 操作系统移植
(1) Bootloader 移植
Bootloader 是与系统硬件高度相关的初始化代码,担负着初始化硬件和引导操作系统的双重责任。本文使用在嵌入式系统开发中应用最广的引导代码U—BOOT。移植具体步骤:1 针对目标平台对各配置文件做相应的修改。2 建立相应地配置文件。3 修改U—BOOT的makefile 文件,在其中加入对目标系统的编译支持,并运行以下命令$make clean、$makesmdk2410-config、$make all 生成目标文件。最后通过JTAG 接口将u-boot.bin 文件烧写到Flash 的零地址,复位后就可以引导系统。
(2) Linux 内核构建、移植与根文件系统实现
1 修改makefile 文件。2 使用make manuconfig 命令来配置内核。3 使用make dep、makezImage 命令对内核进行编译,得到内核压缩镜像文件zImage 件。4 Bootloader 引导程序通过以太网接口把Linux 内核移到目标系统的Flash 上。5 构建根文件系统。
3.2 Netfilter 框架分析与NAT 技术实现
Netfilter 是Linux2.4 内核实现数据*滤、数据包处理和NAT 功能的框架。它为每种网络协议(IPv4, IPv6 等)定义一套钩子函数(IPv4 有5 个钩子函数),内核中任何模块可以对协议中的钩子函数进行注册与挂接,这些钩子函数在数据包流经协议栈时被调用,注册后的模块可以检查、修改、丢弃数据包及指示Netfilter 将数据包传入用户空间队列,进行异步处理。一个数据包按图3 所示的过程通过Netfilter 系统。

数据包从左边进入系统,进行IP 校验后,数据包经过第一个钩子函数NF_IP_PRE_ROUTING[1]进行处理;然后就进入路由代码,其决定该数据包是需要转发还是发给本机的;若该数据包是发给本机的,则该数据经过钩子函数NF_IP_LOCAL_IN处理后传递给上层协议;若该数据包应该被转发则它被NF_IP_FORWARD[3]处理;经过发的数据包经过最后一个钩子函数NF_IP_POST_ROUTING[4]处理后,再传输到网络上。
本地产生的数据经过钩子函数NF_IP_LOCAL_OUT[5]处理后,进行路由选择处理,然后经过NF_IP_POST_ROUTING[4] 处理以后发送到网络上。Netfilter 框架支持多种NAT,NAT 一般可分为源NAT 与目的NAT。源NAT 在数据包经过NF_IP_POST_ROUTING 时修改数据包的源地址,伪装是一个特殊的SNAT,目的NAT在数据包经过F_IP_LOCAL_OUT 或NF_IP_PRE—ROUTING 时修改数据包目的地址。
本文利用 IPtables 实现IP 伪装、Port Forward 端口转发、ALG。IPtables 是一个在Linux2.4内核中基于Netfilter 框架的数据包选择系统。地址转换会导致许多对NAT 敏感的应用协议无法正常工作,而地址转换应用网关(NAT ALG, Application Level Gateway),对载荷中的IP地址和端口号进行替换,从而实现对该协议的透明中继。IPtables 要求数据包流经指定的规则表,其中设定的规则用于实现数据*滤,网络地址转换及数据包处理,从而实现多台主机共享一个合法的IP 地址访问因特网,并实现*滤防火墙。
4 结束语
本文作者创新点:提出了一种基于嵌入式 Linux 操作系统的SOHO 路由器设计方案。与现有设计方案相比,本文采用ATM9TDMI+Linux 构架设计SOHO 路由器,能满足高速接入网用户需求,具有更高地系统稳定性和用户安全性。
