LED 是一种固态电光源, 是一种开云棋牌官网在线客服照明器件,其电学特性具有很强的离散性。它具有体积小、机械强度大、功耗低、寿命长, 便于调节控制及无污染等特征,有极大发展前景的新型光源产品。LED 调光方法的实现分为两种: 模拟调光和数字调光, 其中模拟调光是通过改变LED 回路中电流大小达到调光; 数字调光又称PWM 调光, 通过PWM 波开启和关闭LED 来改变正向电流的导通时间以达到亮度调节的效果。模拟调光通过改变LED 回路中的电流来调节LED 的亮度, 缺点是在可调节的电流范围内, 可调档位受到限制;PWM 波调光可通过改变高低电平的占空比来任意改变LED 的开启时间, 从而使亮度调节的档位增多。本文拟用两种方法共同作用, 以达到调节LED 亮度的效果。
1 LED 调光方法
模拟调光是通过改变LED 回路中电流大小达到调光, 电源电压不变, 通过改变R 的电阻值来改变回路中的电流, 从而达到改变LED 亮度的效果。很多其他模拟调光都是采用这种方法的延伸, 其优点是电流可连续, 但可调节电流的范围往往受到硬件的限制, 调节档位不多, 对于要求亮度感应敏感的高精度采光设备, 这种方法不理想。
数字调光又称PWM 调光, 通过PWM 波开启和关闭LED 来改变正向电流的导通时间, 以达到亮度调节的效果。该方法基于人眼对亮度闪烁不够敏感的特性,使负载LED 时亮时暗。如果亮暗的频率超过100 Hz , 人眼看到的就是平均亮度, 而不是LED 在闪烁。PWM 通过调节亮和暗的时间比例实现调节亮度, 在一个PWM 周期内, 因为人眼对大于100 Hz 内的光闪烁, 感知的亮度是一个累积过程, 即亮的时间在整个周期中所占得比例越大, 人眼感觉越亮。但是对于一些高频采样的设备, 如高频采样摄像头, 采样时有可能恰好采到LED 暗时的图像。因此本文将模拟和数字相结合, 设计了LED 的驱动电路。
2 采用电感的PWM 调节方法
2.1 驱动电路
电路中, 当电感上通有电流时, 电感会产生磁场, 即部分电流转换成磁能的方式“ 存储” 在电感中; 当不再向电感上通电流时, 电感会将磁能通过电流的方式在回路中释放出来。这也是电感上电流不能突变的原因, 基于电感的这种“ 充放电” 原理, 可以将它用来平均PWM 波调光中产生的不连续电流。式(1) 、式(2) 分别是LR 电路的充电和放电过程及电流与时间的关系。

其中,If是最终稳定电流,I0是放电初始电流,τ (τ=L/R,L 是电感值,R 是回路电阻) 是LR 电路的时间常数。
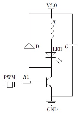
图1 所示为驱动电路, 电感值的选择以及PWM 波的频率选择在此驱动电路中相当重要。选择C8051330 芯片作为PWM 波的输出, 采用定时器翻转控制高低电平的时间,从而控制PWM 波的占空比。

图1 驱动电路
要保证PWM 周期小于电感的τ 时间, 因为若PWM 的周期大于τ, 则极有可能出现在PWM 的占空比变化的情况下, 电路中电流都能达到电感的饱和直流电流, 影响了对LED 电流调节。当C8051330 的时钟频率是25 MHz ,PWM 的周期的选择对电流改变档位的影响很大。若周期越大, 则PWM 占空比的档位越多, 反之越少。拟用256 个档位的占空比, 因此PWM 波的频率应选择在100kHz 以下,即周期在10 μs 以上,直流电感为10Ω, 此时电感值应选择大于0.1 mH.图2 分别是PWM 频率为100kHz , 占空比为90%, 电感为0.1 mH、1 mH 和40 mH 时电路电流值的模拟结果。

(a)电感值为0.1mH 时电流随时间关系

(b)电感值为1mH 时电流随时间关系

(c)电感值为40mH 时电流随时间关系

(d)图c 曲线局部放大图
图2 不同电感值下电流随时间的变化。
通过模拟可初步选择40 mH 的电感作为驱动电路所用, 图3 是用示波器采到的电压波形图, 此电压是电路中串联了一个20 Ω 的电阻上的电压, 稳定后电压为340 mV, 即电路中电流为17 mA.因为实际电路中电流有损耗, 所以实际电流值比模拟电流值偏小, 但整个电流的变化趋势与模拟基本一致。

图3 电感值40mH 电路中串联电阻的电压变化
2.2 电流与PWM 占空比的关系
图4 所示为LED 驱动电路充电以及放电曲线图,Imax是电路在直流情况下的最大电流。设在PWM 占空比为m 时电路中的电流值在充电曲线上的t1时刻的电流值附近波动, 此时应该满足以下条件:t 点的充电曲线斜率为k1,a 点处放电曲线斜率为k2, 应有k1mT=|k2 |(1-m)T,驱动电路中的电流因此维持在一个恒定值附近微小波动。

图4 RL 电路充放电曲线示意图
分析可知, 当启动驱动电路后, 经过若干个充放电周期电流达到一个相对稳定的值, 之后电流在这个稳定值附近波动。如图5 所示, 对每个周期而言, 充电时电流曲线的斜率在不断下降; 放电时电流曲线的斜率绝对值在不断增加; 满足图4 的条件时, 电流相对稳定。从而得出在LR 电路时间常数τ 一定时, 电感电流随PWM 占空比的关系为:

其中m 是PWM 占空比。
图5 是电感电流随PWM 占空比变化的实验结果曲线, 该曲线是在电感值为40 mH 时, 电路中串联了一个22 Ω 电阻的情况下测得的。分析理论公式和实验结果,可发现在PWM 占空比为36%~86%区间, 电感上电流值随PWM 波占空比线性变化, 变化趋势与理论推导一致。
对于高占空比的区间段, 由于充电曲线斜率已经趋近不变, 此时电流值也趋于最大值, 而在低区间段, 由于充电时间较短, 电路中损耗较大, 电感上电流值也趋近于零。

图5 电感电流随PWM 占空比变化的实验结果曲线
2.3 PWM 占空比调节方式
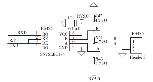
采用电脑通过RS-485 在线控制PWM 占空比的变化, 根据需要在256 个档位中进行选择, 每次用电脑向RS-485 发送两个字节的十六进制命令, 从而改变C8051产生的占空比, 达到改变LED 亮度的目的。
RS-485 接口电路的主要功能是: 将来自微处理器的发送信号TX 通过“ 发送器” 转换成通信网络中的差分信号, 也可以将通信网络中的差分信号通过“ 接收器”转换成被微处理器接收的RX 信号。任一时刻,RS-485收发器只能工作在“ 接收” 或“ 发送” 两种模式之一。因此, 采用了图6 所示电路, 由微处理器输出的R/D 信号直接控制SN75LBC184 芯片的发送器/接收器使能:R/D信号为“1 ” , 则SN75LBC184 芯片的发送器有效, 接收器禁止, 此时微处理器可以向SN75LBC184 总线发送数据字节;R/D 信号为“0 ” 则SN75LBC184 芯片的发送器禁止, 接收器有效, 此时微处理器可以处理来自RS-485总线的数据字节。此电路中, 任意时刻SN75LBC184 芯片中的“接收器”和“发送器”只能够有一个处于工作状态。

图6 RS-485 电路
不论从模拟还是实验角度来看, 在PWM 调光驱动电路中加入电感, 可成功将电路中大范围变化的电流“ 平均” , 使其稳定在一个可通过理论计算得出的值附近。本文综合了模拟调光和数字调光的共同优点, 且可以利用RS-485 , 通过PWM 波与驱动电路中LED 上电流的函数关系, 改变PWM 波的占空比, 即可让LED 有着理想的电流值, 并用计算机实时、细致地改变LED 的亮度。
