1 引言
微弱电流信号检测在信号处理、测量技术、通信技术、状态检测以及一般的电子电路设计等领域得到了非常广泛的应用。并极大地促进了相关领域的发展。进行微弱电流检测的分析讨论非常重要。本文基于PSPICE和EWB两种仿真软件,分析讨论将微弱电流转换成3-5V电压的电路仿真。
2 PSPICE和EWB软件简介及比较
1) PSPICE软件简介
PSPICE是一种通用的电子电路分析模拟软件,它主要用于在对所分析的电路硬件实现之前,先用计算机对电路进行模拟分析。它以SPICE语言为内核,可以将通过各种途径得到的SPICE语言描述的器件模型加入模型库。PSPICE9.0与传统的SPICE相比较,具有六大功能模块:电路原理图设计模块Capture、核心模块PSPICE A/D、激励信号编辑模块Stimulus Editor、模型参数提取模块、模拟分析和显示模块、优化模块Optimizer。其模拟功能有:
(1)直流分析:计算电路的直流工作点。直流小信号传输函数,直流转移特性曲线。
(2)交流小信号分析:频域分析(计算电路的幅频和相频特性)和噪声分析(计算每个频率点上指定输出端的等效输出噪声和指定输入端的等效输入噪声)。
(3)瞬态分析:在用户指定区间内进行电路的瞬态特性分析;在大信号正弦激励下。对输出波形进行傅立叶分析。计算出基波和9次谐波系数以及失真系数。
(4)灵敏度分析:计算电路元器件参数变化引起电路输出量变化,包括直流灵敏度分析和交流小信号灵敏度分析。
(5)容差分析:计算电路元器件参数偏离标称值情况下,对电路输出特性的影响。包括蒙特卡罗分析和最坏情况分析。
(6)温度分析:根据用户指定的温度。进行不同温度下电路特性分析。
(7)优化设计:在给定电路拓扑结构和电路性能约束情况下,确定电路元器件的最佳参数组合。
2)EWB软件简介
EWB软件是加拿大Interactive Image Technologies公司于20世纪80年代末,推出的专用电子线路仿真软件。它可以在计算机上模拟进行电路的连接、元件型号、参数的选择,然后选择所需的虚拟测试仪器对电路进行仿真运行和测试,并在模拟仪器上读出测试结果。绘制电路图所需的元器件、电路仿真所需的测试仪器均可直接从屏幕上抓取,而且仪器的操作开关、按键同实际仪器极为相似。它基于SPICE3语言,可以读入SPICE格式的电路网表文件进行模拟分析,还可以以OrCAD格式的电路网表文件。它拥有庞大的元器件库,元器件总数达近万种,提供了电路仿真软件实用化的必备保证。除可使用虚拟仪器外,它还可对电路进行更为详尽的分析。其分析结果均以图形或报表的形式表现出来,共有13种分析方法:直流工作点分析、交流频率分析、瞬态分析、傅立叶分析、噪声分析、失真分析、参数扫描分析、温度扫描分析、传递函数分析、零极点分析、直流和交流灵敏度分析、蒙特卡罗分析和最坏情况分析。
3)比较
(1)EWB界面直观,操作方便,容易掌握。相对于其它的仿真软件,它的价格极低,具有极高的价格性能比。
(2)同EWB相比较,PSPICE具有如下的优点:一是信号源种类多,尤其是瞬态分析的信号源:二是输出波形功能强大,只需在所观测的节点放置电压(电流)探针,就可以在仿真图中观测结果。它还集成了许多数学运算,还可以对仿真结果窗口进行编辑。用PSPICE软件对电子电路进行仿真虽不如EWB简便,但是它可以完成许多EWB无法完成的任务。所以对电子电路仿真最好配合使用这两种软件。
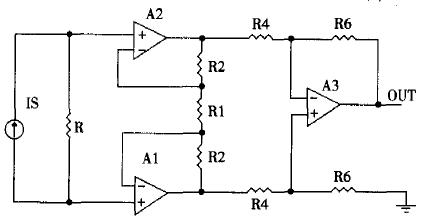
3 微电流/电压转换电路图原理及仿真分析
1 电路图原理
由于实际中遇到的有用信号都很小且共模干扰很高,因此选择高增益、高共模抑制比和高输入阻抗的三级运放差分放大检测电路,其原理图如图(1)所示:

图1三级运放差分放大检测电路
图中运放A1、A2接成比例运算电路形式,且两者都:采用同相输入使得电路输入阻抗高。电路结构采用对称形式,外围电阻采用高精密电阻,使得漂移、噪声、失调电压和失调电流等相互抵消,以提高电路的测量精度,否则电路的放大倍数、共模抑制比和精度等将明显降低。根据集成运放的虚短和虚断原理。可得输入输出关系为:
![]()
2.应用EWB仿真
(一)根据图(1)画出电路原理图:
(1)新建一张电路图纸
单击File->New即可新建一张空白的电路图。
(2)图纸设置
单击Circuit->Schematic Options即可对新建的电路图进行相应的设置。
(3)放置所需的元器件
从元器件柜栏抓取所需的元器件
(4)元器件编辑,元器件布局调整,连线。
(5)运行仿真,从虚拟仪器观察输出或某些节点的电气参数(电流、电压、功率等)。
(二)以输入15uA电流为例。先选中元器件。右击鼠标,从弹出的菜单中选择Component Properties按照要求对元器件进行相应的编辑。如果元器件是集成运放,还可从Model选中Edit对运放模型进行相应的改动,如偏置电流、开环增益、输入阻抗等参数的改动。按照要求,选择元器件并设置参数后,合理布置元器件并布图连线后,微弱电流/电压转换电路图为图(2)。

其中的运放选择LF356,虚拟仪器用示波器来观察最后的输出电压波形。
(5)仿真分析
单击桌面右上角的运行按钮。电路图便按时间运行。如果想观察输出电压是否满足要求,双击示波器,对示波器进行相应的设置(同操作实际的示波器一样),然后从示波器中可观测到输出波形为图3所示。从图中可看出输出电压为3.3204V,满足要求。当改变R1时,得到不同的输出电压。仿真结果列表(1)如下:
表1 EWB仿真结果比较

(6)同理,将电流元的值设置为其余的值,也可满足要求。
3.应用PSPICE仿真
(一)画电路图步骤
(1)创建电路图文件
进入Capture新建Project,并选定设计项目类型为Analog or Mixed Signal Circuit。
(2)载入元件仿真库
(3)调用仿真元件
在电路图编辑窗口下,启动[Place/Part]命令,选取所需的元器件;选取菜单命令[Place/wire],启用连线模式完成连线:选取菜单命令[Place/Net],启用节点设置完成节点设置,同名的节点仿真时就连在一起了。这有利于复杂电路图的简化。
(4)对元件进行编辑
双击激活元件,从弹出的菜单中,对元器件的各项参数进行设置后,单击Applied即可。从菜单Windows命令下选择电路图Page,就可返回电路图设计桌面。
(5)运行仿真分析
(二)以15uA电流为例,选择好参数,其电路图如图(4)所示。

图4 PSPICE仿真原理图
其中运放选择uA741。经直流扫描分析和瞬态分析。得输出电压为4.006V,满足要求。输出波形为图5所示。 从仿真结果的图中可看出,随着输入电流(0~10uA)的改变。输出电压也改变。但是对输入电流范围有一定的要求。超出该范围就不能检测出输出电压的变化。
4 结论
本文对微弱电流转换成可检测的电压电路,给出了电路原理图。并用PSPICE和EWB两种软件进行了仿真分析,对比给出仿真结果。该电路原理在被测电路串联采样电阻,来直接测量电阻两端的电压,其优点是测量简便。但当测量电流变化较大或采样电阻较大、较小时,会严重影响测量精度和准确度,且存在测量范围较小、测量误差较大等缺点,如利用PSPICE软件仿真时,被测电流超过十几微安时,该电路图失效。采用MAX472等新型集成的电流/电压转换芯片可克服上述常规检测方法的缺点,实现阶跃电流的高精度测量。
