一、引言
近些年来,随着人类对于海洋开发力度的增加,关于海洋方面的研究越来越广泛深入。相应地,海洋中各种环境物理场也成为了研究关注的焦点。因为对于海洋环境物理场的了解,意味着人们可以更加熟悉海洋,利用其环境物理场的变化规律,使我们在海洋地质勘测、地震预警、海洋捕捞、石油勘探等领域,更加的方便、有效。
而随着海洋物理场水下物理场测量测试需求的增加,传统的测试手段已经无法满足现在的测量需要,繁多的各物理场采集系统硬件设备测量灵活性差,系统的安全性和可靠性低的缺点,已严重限制了在需要多个环境物理场同时进行测量中的应用。因此,对于一个小型化、智能化、布放便捷的海洋环境物理场测量系统的研究开发已经成为必需。
二、硬件系统介绍:
1.系统总体设计思想:
本系统是基于海洋中多个环境物理场的综合测量方法。海洋环境物理场包括多种物理环境,有传统的声、以及近些年来逐渐引入的磁、电、水压,甚至于刚刚引起关注的光、荧光、地震波,各个物理场均有其特有的特性,这让现有的水下物理场采集系统越来越无法满足测量的需要;对于海洋的环境物理场,单点的测量系统所获取的数据已经无法满足对于海洋环境物理场测量与分析的需求,而通过水下测量阵的多点探测,可以搜集到测量海域内大量的海洋环境物理场数据,为研究人员准确的确定物理场的参数提供了方便。
同时,为了预测海洋环境物理场的变化趋势,一个能够长期在水下工作的测量系统也是必须的。对于本系统的设计,需要一个多点采集阵列,通过岸上的PC机,对水下的各个采集点进行控制,各个采集点将采集到的数据通过光纤传送到岸上,进行显示和处理,基于以上几点考虑以及根据海上作业的特殊需要,我们对于本套系统提出的要求是:
(1)智能化:灵活多样的测量方式,因为水下的多种物理场,其对采样率、采样精度的要求不同;快捷、方便的采集软件,利于程序员调试、测量人员操作;
(2)小型化:为了方便海上实测、布放的需要,以及对于水密舱的设计需要,小型的采集系统将是我们的首选。
(3)系统的安全、稳定性:系统可以长期、稳定的进行数据采集工作,这就要求系统水密性高,在海上要适应不同的温度条件,耐水流冲击以及布放时的冲撞,同时,长期工作时的功耗低,散热性好,能够保证系统的稳定工作。
综上考虑,在对多个采集系统进行综合比较分析之后,我们选择了NI公司的NI CompactRIO控制和采集系统。该系统是一种小巧而坚固的工业化控制和采集系统,采用可重新配置I/O (reconfigurable I/O,缩写为RIO) FPGA技术实现超高性能和可自定义功能。NI CompactRIO包含一个实时控制器与可重新配置的FPGA芯片,适用于可靠的独立嵌入式或分布式应用系统;其多样的热插拔工业I/O模块,内置可直接和传感器/调节器连接的信号调理,均符合大多数海洋环境物理场测量的需要;优良的抗震耐温性能超越了老式的采集系统,保证了测试的可靠性与安全性;小巧的外形,使得系统的体积大大减少,方便了研究人员的海上布放与测量工作;较低的功耗,也使得系统工作的稳定性增强;同时,NI公司的LabVIEW和LabVIEW RT 模块、LabVIEW FPGA模块提供了良好的图形化开发环境,利用LabVIEW软件,可以快捷的设置NI cRIO采集模块的采集属性;对于整个水下测量系统,可以利用NI cRIO系统集成的接口设备以及便捷的软件设置,将水下各个测量点方便的集成在一起,并通过网络,和岸上工作站相连。
2.硬件简介
2.1 NI cRIO-9004特性指标:
配置有一个串口和10/100M自适应以太网接口,由此和其他设备及PC机连接;工作电压范围在11到30V之间,当有8个采集通道同时工作的情况下,功耗只有24W;有512M的存储空间以及64M的DRAM;LabVIEW RT操作系统。
2.2 NI cRIO-9103特性指标:
4个模块插槽;3百万门可再配置FPGA系统;196KB RAM;
2.3 cRIO-9233特性指标:
通道数………4个模拟输入通道
A/D转换精度……………24 bits
数据采样率…………2K/s~50K/s
时钟频率… …………12.8MHz
3.单个水下采集模块硬件系统架构
在多个水下物理场进行测量时,对每个物理场的采样要求并不相同,对于交变物理场,可以利用NI cRIO-9233采集器设置采样率来采集,采样率要求最高达到10K,而对于直流信号,系统中利用单片机,将信号采集进来,通过NI cRIO-9004控制器的串口,将数据传给上位机,进行显示和保存。
海洋环境多物理场测量阵如图1所示。

图1 海洋环境多物理场测量阵
对于水下测量系统来说,系统的布放是测量的一个重要组成部分,系统布放的成功与否直接影响了测量结果以及后期的数据分析与处理,系统在水下的姿态、位置正确,是我们进行数据采集的保证。为此,我们在系统中集成了姿态仪,通过它们掌握测量系统在水下的位置以及姿态信息,姿态信息同直流信号共用一个单片机来进行采集控制,而数据利用串口通过单片机传送给NI cRIO-9004,并通过网络传送到上位机的显控界面。
单个水下采集模块硬件系统架构如图2所示:

图2 采集系统框架图
三、软件系统介绍:
1.软件简介:
软件所使用的开发平台为NI公司的LabVIEW软件。LabVIEW是NI公司开发的一种目前应用最广、发展最快、功能最 强的图形化开发平台。它是一种适合任何编程任务,具有扩展函数库的通用编程环境,定义了数据模型、结构类型和模块调用语法规则等编程语言的基本要素;它的扩展函数库面向数据采集、GPIB和串行仪器控制,以及数据分析、数据显示和数据存储;提供了与遵从GPIB、VXI、RS-232、RS-485协议的硬件及数据采集卡的全部功能,还内置了TCP/IP,ActiveX等软件标准的库函数,不需要编写程序代码,而是利用编程人员熟悉的术语,图表和概念,来绘制程序流程图,直观清晰,并且包括了常用的程序调试工具,简化了程序的开发时间和难度。
2.编程思路说明
本系统的软件编程主要是需要实现对各个物理场采集的控制,按需要的采样率要求进行数据采集;将采集信号传送到上位机的用户界面上,实时显示,方便测试人员对测量体的布放、调试以及对目标的测量。
对于本系统来说,工作的重点是编译各个物理场采集控制模块,并将各采集模块同姿态仪控制模块集成在一起,形成一个成熟的系统采集控制软件,可以便捷的对各个采集模块进行控制,实时的显示采集结果、存储数据,更重要的是要让程序的采集模块之间即不相互产生冲突,也不会因为运行速度的问题产生丢点和串道。

图3 程序流程图
2.1 NI cRIO-9233控制采集部分
利用NI cRIO-9233采集水下物理场交变部分,软件设计的关键问题首先是要保证两个NI cRIO-9233的同步,这在Project中通过设置两个cRIO-9233的硬件属性,可以将两个NI cRIO-9233的时钟设为同步,达到要求;其次是保证信号不会产生丢点和串道,根据采样率的要求,最高要达到10K的采样率,选择DMA FIFO的方式,可以解决这个问题。采集到的数据,通过对DMA的读取,经过二进制到十进制的转换,进行显示和存储以及后期的数据处理。同时,在程序中还集成了错误报警,当程序出错时,可以及时的提醒测量人员。
2.2 cRIO-9004与单片机的串口通信
在本系统中,集成了对于海洋环境物理场直流信号的采集模块以及姿态仪与漏水报警的控制和数据采集模块,利用单片机控制各个模块的采集,将信号通过串口传给NI cRIO-9004,并在上位机显示与存储。
姿态仪和环境物理场采集模块的工作通过上位机给单片机发送命令进行切换,方便测量人员的观测和控制,同时,当漏水报警启动时,单片机将传送报警信号而不再发送其他信号,通过对信号的判断,进行软件报警。
在对水下测量体进行布放的时候,程序发送姿态仪工作指令给单片机,然后,读取串口数据,并按照姿态仪的数据传输格式,将从串口得到的姿态仪数据提取出来并显示,同时增加报警判断,根据需要设定姿态判断规则,当系统姿态达到一定的角度,程序开始报警。
FPGA.vi的程序部分

图4 FPGA.vi的程序部分
当水下测量体姿态稳定之后,通过程序设定的切换按钮,给单片机发送指令,结束姿态仪数据的采集并发送稳恒物理场传感器工作指令,开始稳恒物理场的数据采集,根据单片机的数据传输格式,读出串口中的字符串,并将其分解,转换为10进制数值,并根据规则将其换算为实际的物理量,显示出来。

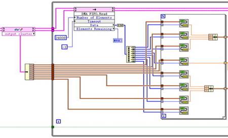
图5 上位机中DMA的数据读取和转换
四、结论
本文讨论了基于National Instruments公司的NI CompactRIO控制和采集系统和图形化的编程开发平台LabVIEW而构建的海洋环境多物理场测量系统。由于很好的利用了NI CompactRIO——小巧而坚固的工业化控制和采集系统灵活,可靠等多项特性,并且结合了LabVIEW这一强大、高效的软件开发平台,使得整个自动化控制和采集系统能成功的应用于海洋环境多物理场的测量中,解决了传统测量系统体积庞大,灵活性差,且操作繁琐的难题。这也使海上实验变得更加的方便、快捷和易于维护。通过已研制样机的实验,其多点同测,稳定可靠,实时便捷,灵活小巧,低功耗,布放方便等诸多优点,很好地证明了测量系统能够满足海上多种物理场实验的不同参数要求。该系统的成功开发,也展现了NI公司的虚拟仪器技术在测试测量领域内的良好应用前景,为今后海洋环境多物理场测量阵的研制提供了极为有力的参考。
