中心议题:
解决方案:
- 加入补偿网络
电压型单环回路控制简单,在各个领域应用最为广泛。应用于小功率开关电源时,补偿网络可以简单地用分压反馈与基准放大比较来实现。而在大功率电路中校正的难度很大,精度不足。目前仅满足于反复调试,费时费力。本文就这个问题作一探讨。
1、电压型PWM逆变控制系统结构及原理
逆变控制系统的最终输出可以是直流电压、交流电压、直流电流、交流电流、频率或功率,在输出部分需进行滤波。大多数逆变系统输出是直流电压,也就是说,系统输出和调节的是直流电压量,当然逆变变压器副边还有整流电路。脉宽调制(PWM)型开关稳压电源就是只对输出电压进行采样,实行闭环控制,这种控制方式属电压控制型,是一种单环控制系统。
对于这些系统,其反馈量就是输出电压的一定比例值,用给定电压与反馈电压的误差信号来调节PWM脉冲的宽度,我们通常把这种逆变控制系统称作电压型PWM控制系统。对于大部分电压型PWM逆变控制系统,不论是直流输出还是交流输出,其控制系统的结构框图都可以统一地画成如图1所示的形式。

图1电压型PWM逆变控制系统结构框图

图2电压型PWM逆变控制系统
该逆变系统的开环传递函数G(S)H(S)由下式给出:

其最大缺点是:控制过程中电源电路内的电流值没有参与进去。
众所周知,开关电源的输出电流是要流经电感的,故对于电压信号有90度的相位延迟,然而对于稳压电源来说,应当考虑电流的大小,以适应输出电压的变化和负载的需求,从而达到稳定输出电压的目的,因此仅采用输出电压采样的方法,其响应速度慢,稳定性差,甚至在大信号变化时,会产生振荡,造成功率管损坏等故障。
2、系统的分析和设计
误差放大器(或调节器)若是比例环节,式(6.12)和(6.13)都是二阶的,即系统是二阶系统。二阶系统是一个有条件的稳定系统。另外,由于输出滤波参数LC一般比较大,频率参数
比较低。所以,系统在中频段是以-40dB/dec的斜率穿过L(ω)=0这条线.在这个系统中,即使采用PI调节器,也只是为了减小稳态误差。所以,零点也很低,中频段仍然以-40dB/dec的斜率穿越零线,如图3所示。

图3电压型PWM逆变控制系统幅频特性曲线
为了使系统满足稳态性能、动态性能和稳定性的要求,就要使在该系统中就要进行校正。显然,在中频段,加一个串联的超前校正环节(有源或无源)如图4,就能使其开环幅频特性的低、中、高频段都能满足要求,如图4所示。

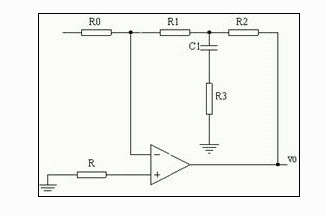
图4校正网络
3、加入补偿网络
分压反馈处,由于电感电压滞后,所以在反馈处将R1两端并联一条电阻和电容的支路,通过电容电压的超前从而使反馈能瞬时反映出输出电压的变化。由于R1,R2的比值很大,通过在R2的两端并联一个电容来感应输出的微弱变化。

其幅频特性曲线如下:

加校正环节的电压型PWM逆变控制系统幅频特性曲线。

