1.1 主控制器的选择
采用凌阳公司的16位单片机SPCE061A作为主控制器。由于SPCE061A内置有2 KB的SRAM和32 KB的内存FLASH,能满足本系统存储密码及各类数据的要求,且CPU时钟频率高达49.152 MHz,能保证响应的快速性,内置的语音模块更提高了系统人机界面的友好性。
1.2 异地监控方案选择
采用无线通信方式。使用无线收发模块NRF2401进行无线通信。这种通信方式不受线路长短影响,主从站位置可任意设置,布置比较灵活。
1.3 贵重物品检测方案选择
门框宽一般在1~2 m,采用射频收发模块实现较为方便,将发射机附在贵重物品上,接收机固定在门口,当贵重物品出入时,即可进行记录。发射机与接收机电路结构都较简单,体积小,携带方便。
1.4 系统总体框图
根据上述设计思想,系统总体框图如图1所示。系统由上位机和下位机两大部分组成。上位机进行键盘输入、语音提示、报警和人员物品进出情况记录。下位机进行烟雾检测、人体红外检测、贵重物品检测、人员进出情况检测等数据采集工作。下位机通过无线收发模块将检测信号送入上位机。上位机进行数据处理并作出相应动作。

图1 系统总体框图
2 理论分析与计算
2.1 物品检测电路的计算
采用无线发射与接收方式进行贵重物品检测,通信距离与发射功率、接收灵敏度和工作频率有关。选用通信频率为8MHz,电感为47μH。

2.2 控制方案分析
根据题目要求,为实现对宿舍安防情况进行异地监控,采用一主两从的方式进行模拟,其中主站可以实现对从站的搜索,实时显示从站是否在线,并进行信息的接收处理、显示、记录与报警,从站进行信息获取与发送。主站上可实现对从站信息的实时显示,并将报警及贵重物品进出信息存储在主站的FLASH内,省去了外接存储芯片,可方便地读取与显示。利用人体传感器并通过对进出宿舍的人员进行计数来确定宿舍内人数,并提示锁门。采用单片机内部时钟作为时间基准,通过键盘进行时间设定,用以记录报警时间。利用单片机内部的语音模块实现语音报警,直观实用。这种控制方案充分利用了单片机的片内资源,使用外部器件少,简单实用。
2.3 烟雾探测模块
采用MQ-2烟雾传感器,它具有探测范围广,灵敏度高,响应恢复快,稳定性优,寿命长等优点,配以简单的驱动电路即可实现烟雾检测。烟雾传感器电路如图2所示。当未检测到烟雾信号时,比较器输出低电平;当传感器检测到烟雾信号时,比较器输出5 V高电平,报警器动作。

图2 烟雾传感器结构
2.4 人体红外探测模块
采用芯片BISS0001配以热释电红外传感器KBS-6B和少量外接元器件构成被动式红外人体传感器。加装菲涅尔透镜大大提高了检测范围,很好的满足了人体检测需求。当有人从热释电传感器通过时,BISS0001的V.口输出一正向脉冲,报警器动作。电路结构如图3所示。

图3 释热电红外传感器结构
2.5 人员进出检测设计
采用前后放置的两个红外光电开关,通过对开关顺序的检测确定人员进/出宿舍。当有人出宿舍时控制信号1先置高,然后控制信号2置高,通过对时序的判断即可得出人员外出的结论。有人进入时同理。检测电路如图4所示。

图4 人员进出检测电路图
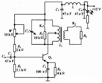
2.6 贵重物品检测设计
为达到贵重物品检测的要求,将一单调谐回路谐振放大器至于卡片内,卡片挂在贵重物品上,卡片向外发出射频信号,当其出入宿舍时,与副边线圈发生谐振,负载电压发生变化,通过对负载的检测即可记录人员进出情况。电路如图5所示。

图5 贵重物品检测电路图
3 程序设计
主站系统加电后进行初始化并要求输入密码,密码输入正确即可对火灾、贵重物品、键盘等进行监控,并根据监控的情况作出相应的处理。从站加电初始化后即开始对各个传感器状态进行监控并进行数据发送。其程序流程如图6所示。

图6 主程序流程图
4 测试数据与分析
4.1 测试仪器
测试仪器及型号如表1所示。
4.2 测试方法及测试数据
测试方法及测试数据如表2、表3所示。
表2的测试数据表明,烟雾传感器性能良好。
表3显示的测试数据符合设计要求。

5 结语
本系统通过测试较好地实现了设计的各项要求。主要创新是加入了语音报警功能,更加实用;加入从站搜索功能,可以实时显示各从站的工作状态;加入无人看守功能,并能在特定时段发现人员活动后立即发出报警;加入时钟功能,可实现时间设定和显示。

