基于MSP430的直流宽带放大器设计
摘要: 本文给出了一个5 V单电源供电的宽带低噪声放大器的设计。测试结果表明,增益、带宽、带负载能力以及输出电压峰峰值等指标都能满足设计要求。为解决宽带放大器的自激问题及减小输出噪声,采用了多种形式的抗干扰措施,抑制噪声,改善放大器的稳定性。
Abstract:
Key words :
随着社会生产力的发展,人们迫切地要求能够远距离随时随地迅速而准确地传送多媒体信息。于是,无线通信技术得到了迅猛的发展,技术也越来越成熟。而宽带放大器是上述通信系统和其他电子系统必不可少的一部分,低噪声放大电路模块很大程度上决定了系统的整体指标。由此可知,宽带放大器在通信系统中起到非常重要的作用,于是人们对它的要求也越来越高。
1 总体设计方案
1.1 宽带放大器设计技术指标
宽带放大电路的设计中主要考虑增益、通频带、动态范围,稳定性等。这里设计的主要指标如下:
(1)用5 V单电源供电,输出为50 Ω阻性负载;
(2)放大器电压增益大于等于40 dB(100倍),并尽量减小带内波动;
(3)在最大增益下,放大器下限截止频率不高于20 Hz,上限截止频率不低于10 MHz;
(4)在输出负载上,放大器最大不失真输出电压峰峰值大于等于10 V。放大器输入为正弦波时,可测量并数字显示放大器输出电压的峰峰值和有效值。
1.2 总体方案描述
系统组成框图如图1所示。系统主要由4个部分构成:前置放大电路、可控增益放大电路、后级功率放大电路和单片机显示控制模块。第一级用OPA820ID构成的放大电路增益为6 dB,实现了输入阻抗匹配;可控增益放大电路由VCA810组成,实现了-40~+40 dB的动态增益变化;后级放大电路增益为14 dB;单片机显示控制模块完成对VCA810的控制以及输出电压检测功能并用液晶显示输出电压的峰峰值和有效值。

图1 系统组成框图
1.3 电路设计
前级放大电路由OPA820ID组成,OPA820是单位增益稳定低噪声电压反馈运算放大器,具有特点是:高带宽(240 MHz,G=+2);高输出电流(±110 mA);低输入噪声;完美的电流准确性,25℃输入偏置电压=±750μV,输入偏置电流为±400 nA信号从同相端输入,增益为(1+R17/R18)=2倍,为6 dB。电路如图2所示。

选用TI公司生产的集成压控增益放大器VCA810作为主增益控制,压控增益放大器的增益与控制电压成线性关系,控制电压由单片机控制DAC产生。VCA810具有-40~+40 dB的增益控制范围,精度达到1 dB,带宽25 MHz。如图3所示。

末级放大电路由THS3091 D构成,THS3091D是高输出电压低失真的电流反馈运算放大器。具有特点是:高带宽(210 MHz,G=2,RL=100 Ω);高输出驱动电流(250 mA);低失真、低噪声;高供电电源范围(5~15 V);信号从同相端输入,增益为1+1 000/250=5倍。输出采用两个THS3091并联的方式,增加驱动能力。如图4所示。

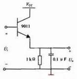
峰值电压检测电路采用高频三极管组成射级跟随检波电路,三极管包络检波器具有一定的放大作用,Kd>1,同时还使输入电阻Rid增大为二级管检波器的(1+β)倍。检测得到的峰值通过A/D转换,再由单片机显示输出电压的幅值。检波电路如图5所示。
图5 射极跟随检波电路
采用DC/DC定电压隔离非稳压模块A0512S-2W,将5 V单电源变换成±12 V,再利用稳压模块变换成±5 V电源,给前两级放大器供电。电路如图6所示。类似地,用定电压隔离模块A0515S-2W,将5 V变换至±15 V电源为末级放大器供电。如图6所示。

图6 5 V变换至±5 V电源电路
1.4 理论分析与计算
(1)增益分配。为实现阻抗匹配,系统第一级为输入缓冲级,为了扩展系统的通频带,输入缓冲级增益为6 dB。VCA810的增益调节范围为-40~+40 dB,最高的线性增益误差只有0.3 dB/V,末级放大电路设计了增益为14 dB,这样整个放大电路的增益为-20~+60 dB可调。 VCA810最大输出电压峰峰值为3.6 V,后级放大器增益为5倍,可以使最大不失真输出电压峰峰值大于等于10V。
(2)通频带分析。前级放大芯片选用OPA820ID,其增益为2的时候,带宽为240 MHz,带宽增益积为480 MHz。VCA810的带宽为固定的25 MHz而末级的THS3091D的带宽增益积为420 MHz,当增益为2时,带宽为210 MHz。由以上分析可知,整个系统上限截止频率不低于10 MHz。另外,三级电路采用的是直流耦合方式,下限截止频率不高于20 Hz。该系统选用的高速、宽带运放,使信号在通频带内的增益更加平坦。
(3)线性相位。为了使系统在整个通频带内实现线性相位,在设计中严格按照阻抗匹配原则,使其负载呈纯阻性,构建闭环路。各个集成电路均加有退耦电容,减小寄生电感电容的影响。
(4)抑制直流零点漂移。零点漂移现象是输入电压为零但输出电压不为零的现象。由于系统为宽带直流放大器,所以各级之间必须采用直流耦合方式,然而对于高增益的放大电路,前级的微小输入失调电压经放大后也将产生较大的偏置。对于宽带直流放大器,必须对直流零点漂移有很好的抑制性能。系统的直流零漂由三级共同决定,而且前级电路的偏置对系统影响较大。首先,系统采用了单位增益稳定、低噪声的宽带运放OPA820ID构成前级放大电路,其次,系统采用了分级消除直流偏置的办法,将VCA810接成了偏置电压可调的电路形式。
(5)放大器的稳定性。该系统采用了下述方法来减少干扰,避免自激,提高放大器的稳定性:按照信号走向布线,各级之间的连线使用同轴电缆;退耦电容尽量接近芯片电源引脚;对于电流型反馈运放THS3091D,特别注意了走线布局,如反馈线一定要走最短路线,因为长的线会引起大的附加相移;计算选择合适的反馈电阻阻值,使其不因阻值太大而产生大的分布电容,导致大的附加相移,也不因阻值太大而降低放大器的带宽。
2 软件设计
MSP430系列单片机是美国德州仪器(TI)1996年开始推向市场的一种16位超低功耗的混合处理器(Mixed Signal Processor)。由于它具有极低的功耗、丰富的片内外设和方便灵活的开发手段,已成为众多单片机系列中一颗耀眼的新星。对于MSP430系列而言,由于引进了FLASH型程序存储器和JTAG技术,不仅使开发工具变得简便,而且价格也相对低廉,并且还可以实现在线编程。程序采用C语言开发。VCA810的VG控制以及输出电压幅值检测、显示的流程图如图7、图8所示。

3 系统测试
3.1 放大器幅频特性及增益起伏测试
测试方案:输入信号设为100 mV,调节控制电压VG,测试不同增益下,放大器的幅频特性。幅频特性测试结果如表1所示。实验结果表明,放大器的带宽增益积基本等于3.36 GHz,增益可以达到40 dB以上,输出电压峰峰值可以达到29 V,在10 MHz内,增益起伏几乎为零,波形非常平滑,没有自激现象。40dB增益时,放大器下限截止频率低于20Hz,上限截止频率高于20MHz,结果如表1所示。

3.2 输出端噪声测试
增益调节到40 dB,将输入端短路,测量出输出端噪声电压的有效值为200 mV。
4 结语
本文给出了一个5 V单电源供电的宽带低噪声放大器的设计。测试结果表明,增益、带宽、带负载能力以及输出电压峰峰值等指标都能满足设计要求。为解决宽带放大器的自激问题及减小输出噪声,采用了多种形式的抗干扰措施,抑制噪声,改善放大器的稳定性。
此内容为AET网站原创,未经授权禁止转载。
