1 引言
长期以来,由于交流异步电机结构简单、运行可靠、制造成本低等诸多优点,其应用越来越广泛。但因异步电机是一个多变量、非线性、强耦合的被控对象,磁通和转矩耦合在一起,不能对磁通和转矩分别控制,因此一直没有获得高性能的交流调速系统,直到70年代才有了突破性发展。在eblashke和w.flotor提出了“感应电机磁场定向的控制原理”后,文献[2,3]对基于逆系统理论和基于微分几何控制理论的解耦方法,以及如何对异步电动机解耦做了介绍。在交流调速理论发展的同时,人们也在研究交流调速系统硬件接口电路的设计方法。随着高性能dsp芯片、电力电子器件的出现,交流调速系统的硬件电路设计也逐渐形成标准。本文详细介绍了一种基于dsp的交流调速系统硬件接口电路设计的方法,对各个电路如采样电路、转速反馈接口电路、驱动电路的主要功能及电路元器件参数的选择给出了详细的说明,实验证明这种方法是可行的。
2 主电路设计
本文的设计实验对象为:额定功率为55kw,额定电压为440v,额定电流为90a,额定转速为1800r/min的异步电机。调速系统原理图如图1所示。

本设计选取了tms320f2812系列定点dsp作为电动机控制主芯片,围绕它展开了硬件接口电路的设计。具体包括:电流采样电路的设计,速度检测环节的设计,功率开关器件的驱动电路设计等几个方面。因为本文以硬件设计为主,故在其他方面如park变换,clarke变换等软件设计方面不予以赘言。
3 电流采样电路的设计
3.1电流采样电路
电流采样电路的目的是在闭环控制系统中实时得到反馈的交流电动机定子电流信号,即将传感器检测到的电流信号进行放大,偏置输出到dsp的a/d接口,将电流信号转换成dsp可识别的数字信号,以方便dsp进行处理。因为本课题研究的是三相平衡系统ua+ub+uc=0,故只需要检测其中两路电流即可。
3.2电流传感器的选择
根据异步电机的数学模型可知,定子电流检测的精度和实时性是整个矢量控制系统精度的关键。因此,对电流的检测要求精度高和速度快,显然普通的电流传感器很难满足要求。根据设计要求,试验电动机的额定电流为90a,考虑两倍的安全裕量,实际定子电流取到180a。本实验选取深圳市贝尔特电子有限技术公司出品的csns200m-002电流传感器。该电流传感器的原边电流为200a,与预选的电流值(180a)很接近,满足选取原则。
3.3运算放大器的选择
本文所研究设计的系统中电机线电流变化范围从0a~90a,变化范围很大。如果在如此宽的范围之内,电流信号采用一个固定的放大倍数,精度堪忧。所以初级采用可编程放大器ad526,通过调节放大倍数来满足要求,并由ad526产生正的1.65v的电压信号。由于tms320f2812要求的电压为3.3v,所能识别的仅是正的电压值,而电流信号为正负交替的交变信号,因此,需要有一个减法比较环节将正、负信号做减法运算,由比较环节最终输出的电压值就是可以为tms320f2812所能使用的电压值。
设计中先将霍尔的电流信号通过电阻转化为电压信号,为了防止电压过高或过低,设计了由二极管构成的限幅电路,由于电流反馈具有较大的噪音纹波,因而采用低通滤波电路。考虑到现场环境的影响以及其他未可预知的干扰,在本设计中,选取了op27型放大器。
3.4采样电阻的计算
由电流传感器的变比2000:1,及原边电流值大小:200a,ad526输出电压为1.65v,可以求出采样电阻r9《16.5ω,故可取r9=10ω。其中,a相电流的采样电路如图2所示,b相与其相同。

4 转速反馈接口电路设计
起动的快速性是电动机的基本要求。以目前无位置传感器控制技术发展的情况来看,由于低速特别是起动瞬间反电动势非常低,控制精度和性能并不理想。因此有必要保留位置速度传感器。
4.1编码器的选择
与旋转变压器相比,光电编码器信号处理简单、噪声容限大、易于实现高分辨率。特别是在选用tms320f2812作为控制器的情况下,光电编码器可以通过dsp的qep接口十分方便地实现与控制器的连接。
本设计选用了sumtak株式会社产的lhe-055-2000型带u、v、w信号增量式光电编码器。它输出12路信号:a、b、z、u、v、w以及他们的补信号a’、b’、z’、u’、v’、w’。其中a、b、a’、b’为占空比为50%的方波,2000p/r。u、v、w、u’、v’、w’以转子每360°电角度为一个循环周期。u、v、w(或u’、v’、w’)相差120°,按照u、v、w(或u’、v’、w’)不同组合,可以把一对转子磁极分为6个等距区间。所以在电机起动时,可以先根据u、v、w信号按照无刷直流电动机控制,使电机运行起来,待检测到z信号,按照事先确定好的转子磁极位置确定定子磁链初值,然后转入直接转矩控制。通常把z信号定位于a相绕组反电动势的过零点,此时,转子磁极轴线正好与a相绕组轴线重合。
其中a、b信号分别通过qep1、qep2接到lf2407a上;而z信号通过cap3接到lf2407a上;u、v、w是以60°电角度为周期的数字信号,分别通过qep1、qep2、qep3接到lf2407a上。
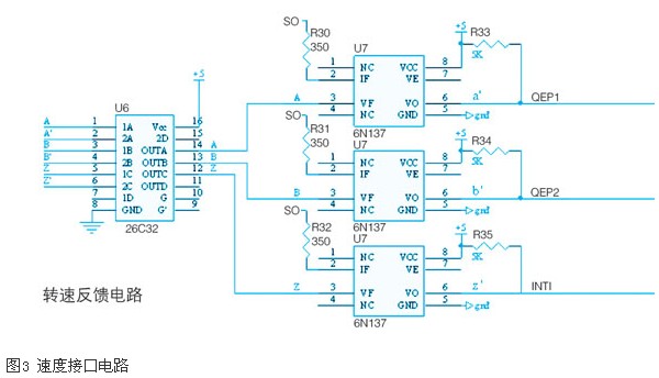
4.2 26c32的使用
由于光电编码器内部集成了26c31芯片,所以由它引出了a、b、z、u、v、w以及他们的补信号a’、b’、z’、u’、v’、w’以及地线和电源线,但是这些线不能直接接到dsp上,这里就需要用26c32来接接收由26c31引出的所有线路。
由于26c32可以同时接受四路信号,所以,a、b、z、a’、b’、z’信号可以同时与26c32的ina1、ina2、inb1、inb2、inc1、inc2端相连,输出端outa、outb、outc端分别接到光耦6n137芯片上输出再与tms320f2812的qep1、qep2、int1相连,以完成转速环节的接口电路。
本来光电脉冲编码器的a、b输出可以直接接到tms320f2812的qep1、qep2上,但为保护起见,还得加上高速光电隔离。图3中是a路信号的接口电路,b、z路接口电路与此相同。它主要由ti公司的光耦6n137组成。这里用快速光耦的原因是:码盘输出的信号的频率最高接近60khz,而普通光耦的开通和关断延时就有几个微秒,无法满足要求。在tms320f2812中将捕获单元配置成正交编码脉冲模式,在这种模式下,两个16位通用定时器t1和t2可工作于qep模式的16位或32位双向计数器。qep电路直接处理光电编码器输出的两路相位相差90°的两路脉冲,只要将这两路脉冲分别接到qep1、qep2即可。qep模式对两路脉冲的前后沿均进行计数,无需外部的倍频电路。而且它能根据两路脉冲的先后次序判别电机的转向,省去了外部辩向电路,增加了系统的可靠性。在信号隔离功能之外,光耦还起到滤除脉冲尖峰和毛刺,增强抗干扰能力。

5 驱动电路的设计
ipm的驱动隔离电路如图4所示。尽管在lf2407a输出的pwm中已经加入了死区时间,本系统设计中依然从硬件方面采取措施,如图4所示,gel器件22v10d在lf2407a之后,保证同一相的上、下桥臂的互锁。为了增强驱动信号的带负载能力,在22v10d的输出之后串入一片缓冲器——mc1413。当驱动信号发生错误,lf2407a发出一个错误信号false,并点亮发光二极管ledintpend。缓冲器mc1413的输出经过快速光耦hcpl4503隔离,驱动ipm。图中只画出了a相上桥臂的电路,其他桥臂的电路与此相同。hcpl4503下面的光耦til117的一次侧接到ipm的故障输出引脚5上。

6 结束语
基于以上对交流调速系统硬件接口电路设计方法的研究,我们进行了异步电机的矢量控制实验。实验结果证明了该系统能可靠稳定运行。同时该系统对于过流有很快的响应性,对系统有保护作用,实践证明该设计方法符合控制设计要求,具有一定的电路设计典型性并可应用在交流调速系统中。
