0 引 言
半桥DC/DC变换器结构简单,控制方便,非常适用于中小功率场合。硬开关变换器高频时开关损耗很大,严重影响其效率。软开关技术可降低开关损耗和线路的EMI,提高效率和功率密度,提高开关频率从而减小变换器体积和重量。传统半桥变换器有两种控制方法,一种是对称控制,一种是不对称互补控制。本文主要分析实现半桥DC/DC变换器软开关的PWM控制策略。
1 控制型软开关PWM 控制策略
控制型软开关半桥DC/DC变换器不增加主电路元器件(可增加电感电容元件以实现软开关条件),通过合理设计控制电路来实现软开关。图1给出4种控制型软开关半桥DC/DC变换器的PWM 控制策略。

图1 控制型软开关PWM 控制策略
1.1 不对称互补脉冲PWM 控制
开关管的控制脉冲不对称互补,采用此控制策略的传统不对称半桥变换器已广泛应用于中小功率场合。其原边开关管实现ZVS的方式有2种:负载电流ZVS方式和励磁电流ZVS方式[1]。其优点是:两个开关管都可实现ZVS;一些可改善移相全桥变换器滞后臂软开关条件的措施也可用于不对称半桥变换器;不存在硬开关中的震荡问题;与移相全桥变换器相比,无循环能量。其缺点是:开关管电压应力和开关管软开关条件不一致,上管较难实现软开关;整流管电压应力不一致,且随占空比变化,一些应用场合一个整流管电压很高,器件较难选择;轻载时会失去软开关条件;变压器直流偏磁,负载越重占空比越小,偏磁越严重;非常不适用于宽输入或宽输出电压的应用场合。
1.2 移相脉冲PWM 控制
采用此控制策略的半桥也称为双有源半桥[2,3]。
此控制策略与传统的移相全桥拓扑类似,区别在于移相的两个桥臂分布在变压器的原副边。此拓扑中,变压器的漏感是中间储能元件。原副边半桥各产生一个占空比为50%的方波,通过调节输出两个桥之间的移相来控制变压器漏感的能量从而调节输出电压。此拓扑可实现全负载范围的软开关,同时输出又能获得同步整流。其缺点是:循环能量非常大,输出电流纹波大。为了改善输出电流纹波大的缺点,移相ZVS半桥电路被提出[4]。
1.3 脉冲移位PWM 控制
文献[5]提出脉冲移位PWM 控制策略。上管下降沿与下管前沿互补,脉宽相同。可实现下管的ZVS开通,上管仍然是硬开关。其优点是:可减少部分开关损耗;变压器不存在直流偏磁;整流管电压应力对称;宽范围输入上优于不对称半桥。增加辅助电路可实现上管的ZVS[6]。
1.4 不对称脉冲PWM 控制
文献[7]提出不对称脉冲PWM 控制,其下管下降沿与上管的前沿互补,上管可实现ZVS.只要设计的占空比较小,无需其它措施即使工作在较高频率下开关损耗也很小。变压器直流偏磁,除占空比端点外,偏磁电流小于不对称半桥。宽范围适用性优于传统的不对称半桥。低压大电流的应用场合有一定的优势。
2 缓冲型软开关对称PWM 控制策略
对称控制半桥变换器磁心双向磁化,利用率高,且不存在偏磁。控制方便,控制特性线性。功率管上电压应力低,适用于高输入电压场合,但此种半桥变换器较难实现软开关,变换器效率难以得到提高。
2.1 对称PWM 控制ZVS半桥变换器
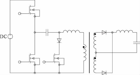
文献[8]提出一种对称PWM 控制ZVS半桥变换器(见图2),其与传统半桥电路相比,对称PWM 控制的ZVS直流变换器增加了一个由辅助开关管和一个二极管组成的支路。其主开关管不仅工作在对称状态,而且下管和辅助开关管可在全负载范围内实现ZVS,上管也能在宽负载范围内实现ZVS,引起的附加损耗很小。该变换器器件所受应力小,可靠性高,其更适合采用MOSFET做开关管,较少应用于高电压、大功率场合。该变换器需要利用谐振电感的储能来实现开关管的ZVS,增大谐振电感能扩大上管ZVS范围,但会使占空比丢失严重,设计谐振电感时须权衡考虑实现上管ZVS和减小占空比丢失[9]。

图2 对称PWM 控制ZVS半桥变换器
2.2 对称PWM 控制ZCS半桥变换器
文献[10]提出一种对称PWM 控制ZCS半桥变换器(见图3),在传统不对称半桥电路变压器的副边增加了一条由辅助开关管、谐振电容和谐振电感串联构成的辅助支路。其主开关管不仅工作在对称状态,而且变换器能在整个负载范围内实现所有开关管的ZCS和所有二极管的ZVS.与对称控制半桥一样,辅助开关管每半个周期导通一次,利用谐振电容与变压器漏感的谐振为全负载范围所有开关管ZCS及所有二极管ZVS创造了条件,重载时难以实现软开关。

图3 对称PWM 控制ZCS半桥变换器
3 结 论
本文明确了控制型软开关半桥DC/DC变换器的定义,主要总结和归纳了4种控制型软开关半桥DC/DC变换器的PWM 控制策略和2种缓冲型软开关半桥DC/DC 变换器的对称PWM 控制策略,对上述PWM 控制策略进行了深入分析和综合比较,为选择具体应用场合提供了依据。
参考文献:
[1] 张友军,阮新波。2种ZVS方式AHB直流变换器比较[J]。电力自动化设备,2009,29(10):69-73.
[2] IONel Dan Jitaru.A 3KW switching DC-DC converter[C].New Orleans,LA,USA:Proceedings of IEEEAPEC,2000.86-92.
[3] Zhang J M,Xu D M,Qian Zhaoming.An improved dualactive bridge DC/DC converter[C].Vancouver,Canada:Proceedings of IEEE-PESC,2001.232-236.
[4] Zhang J M,Zhang F,Xie X G,et al.A novel ZVS DC/DC converter for high power applications[C].Dallas,USA:Proceedings of IEEE-APEC,2002.635-640.
[5] Hong Mao,Jaber Abu-Qahouq,Songquan Deng,et al.A new duty-cycle-shifted PWM control scheme for halfbridgeDC-DC converters to achieve zero-voltage-switching[C].Miami,FL,USA:Proceedings of IEEEAPEC,2003(2):629-634.
[6] Hong Mao,Jaber Abu-Qahouq,Shiguo Luo,et al.Amodified ZVS half-bridge DC-DC converter[C].Anaheim,Cal,USA:Proceedings of IEEE-APEC,2004.1436-1441.
[7] 谢小高,张军明,蔡拥军,等。半桥变流器的软开关控制策略[J]。中国电机工程学报。2006,26(3):48-52.
[8] Hong Mao,Jaber Abu-Qahouq,Luo Shiguo,et al.Zerovoltage-swiching half-bridge DC-DC converter with modifiedPWM control method[C].IEEE Trans on PE,2004,19(4):947-958.
[9] 杨海英,谢少军。对称PWM 控制ZVS半桥变换器研究[J]。电工技术学报。2006,21(6):29-34.
[10]秦 岭,王亚芳,张 航,等。对称控制ZCS-PWM 不对称半桥变换器研究[J]。电气自动化。2007,29(5):39-42.
