流量测量与人们的生活息息相关。早在刚种植农产品时,人们就已经开始关注灌溉水的流量测量了。现在,流量测量在工业生产、过程控制、科学实验、节能、环境监测和保护中都起着十分重要的作用。
超声波在流动的流体中传播时,就载上流体流速的信息。因此,通过接收到的超声波就可以检测出流体的流速,从而换算成流量,这就是超声波流量计的测量原理。使用超声波流量计,不需要在流体中安装测量元件,所以不会改变流体的流动状态,不产生附加阻力,仪表的安装及检修均可不影响生产管线运行,因而是一种理想的节能型流量计。
超声波流量计根据检测的方式,可以分为传播速度差法、多普勒法、波束偏移法、噪声法及相关法等不同类型的超声波流量计。其中,超声波多普勒流量计除具有一般超声波仪器的特点外,还有诸多优点,例如对流速变化响应快,对流体的压力、粘度、温度、密度和导电率等因素不敏感,没有零点漂移问题,测量条件不变时仪表重复性好,价格比较便宜等。超声波多普勒流量计适用于测量两相流的场合,而能够用在两相流场合的流量计是比较少的。本文采用多普勒法为基本原理,来研究基于DSP的超声波流量计。
1 多普勒法的测量原理
1.1 工作原理
多普勒法测流量的基本原理是:把发射的超声波入射到流动的流体中,被随流体一起运动的颗粒反射到接收器,接收到的反射声波与发射声波之间产生频率差,这个频率差就是多普勒频移,它正比于流体流速,因此测量频差即可求得流速,将测得的平均流速乘以相应的流通截面积即可求得容积流量。
利用多普勒效应测量的必要条件是:被测流体中必须有足够的具有反射本领的颗粒,才能得到一定强度的信号使仪表正常工作。因此,多普勒超声波流量计只有当被测流体中存在一定数量的悬浮颗粒、气泡或有反射本领的其他粒子时才能工作。多普流量计适用于测量两相流的场合,这正是其他流量计难以解决的。
1.2 流量方程
如图1所示,当多普勒流量计的发射换能器以一定的角度θ向流体发射频率为f1的连续超声波时,流体中的悬浮颗粒体将声波发射到接收换能器,因为悬浮颗粒随着流体在流动,所以反射的超声波将产生多普勒频移△f.设频移后接收换能器收到的超声波频率为f2,超声波在被测流体中的传播速度(传声速度)为c,颗粒反射体以与被测流体相同的流速μ运动,收、发两超声波束与流体相间的夹角均为θ,则根据多普勒效应,多普勒频移△f用下式表示:

由式(1)可知,多普勒频移△f与发射频率f1及流体流速μ成正比,与介质的传声速度c成反比。当发射频率f1与声速c恒定时,多普勒频移△f正比于流速μ,即测量△f可反映流速μ。流速μ与△f的关系由式(1)可得

式中,S--管道流通截面积。

式(3)为多普勒流量计的理论方程式。由此式可知,当仪表结构及测量条件确定后,频移与容积流量成正比,测量频移可反映流体流量。

图1 多普勒效应示意图
1.3 工作频率的确定
工作频率是本文研究的流量计首先考虑的问题。流量计的工作频率与悬浮粒子的尺寸有重要关系。在实际的流体中,粒子的性质差别非常大。为了讨论简单,具有代表性,假定悬浮粒子是一半径为α的刚性小球,置于超声波声场中,超声波以平面波方式传播的,在考虑吸收与散射衰减条件下,声波衰减与振幅、距离有如下关系:

总衰减量

式中,P0是发射面处的声压,Px是接受面处的声压,α为衰减系数。这里衰减系数α的大小直接影响超声波穿透流体的深度。在所研究的含有固体颗粒的流体中,α主要由3种因素形成,即粘滞系数。摩擦衰减和散射衰减。其中只有散射衰减能形成反射回波,所以主要研究散射衰减。
本文研究的流量计的工作频率的选取应使λ>2πα,但也不要过大,以免只存在绕射。一般选λ/2α的值在几十至几百的范围内比较好,这时由散射产生的辐射能与λ4成正比。实际测量时,应根据平均粒径来选择工作频率。关于粘滞衰减和摩擦衰减,实际这两个量与流体性质、粒子浓度及大小等均有关,他们也会影响超声波穿透深度和取样窗面积大小,即直接影响测量结果,不过,一般情况下处于次要地位。对于气泡的分析与颗粒结果类似。工业测量中超声波频率的选择在500 kHz~2.5MHz之间。本文研究的超声波流量计的工作频率选择640kHz.
2 硬件设计
2.1 系统硬件总体设计
系统硬件主要分为3个模块,分别是发射模块,接收模块。处理与控制模块。图2为系统硬件的结构框图。

图2 流量计硬件的结构框图
2.2 各个模块的设计
2.2.1 发射模块
主要由DDS电路、功率放大电路与超声波换能器组成。
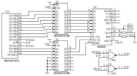
DDS电路用来产生驱动超声波换能器的正弦波信号。DDS,就是直接数字式合成器,使用DDS可以产生较高纯度的源信号。克服了使用一般的正弦波产生的各种缺点。DDS一个显着的特点就是在数字处理器的控制下能够精确而快速地处理频率和相位。除此之外,DDS的固有特性还包括:相当好的频率和相位分辨率,能够进行快速地信号交换。DDS在现代电子器件、通信技术、医学成像、无线、PCS/PCN系统、雷达、卫星通信等领域都得到广泛应用。DDS的基本原理是利用采样定理,通过查表法产生波形。本文选用的DDS芯片是AD公司的COMS型DDS芯片AD98 50.该芯片最高支持125 MHz的时钟频率,32位频率调节字可用并行或者串行方式装入。+3.3 V或者+5 V供电,功耗极低。
AD9850与DSP的连接原理图如图3所示。最后AD9850的输出有OUT1和OUT2,OUT1送入功率放大器用来驱动超声波换能器,OUT2与带通滤波器出来的信号一起送入混频器进行混频。

图3 AD9850与DSP的连接原理图
由于超声波在流体中传播,而流体中有较高的颗粒含量,造成超声波的衰减较大,所以信号的功率放大是十分必要的。
本文所用的超声波换能器采用收发一体结构,工作频率为640 kHz.超声波振子用圆形的PZT型材料制作,这样使换能器具有较好的温度稳定性和时间稳定性,需要较小的功率。换能器的晶片应与管壁呈45°安装,这样的好处是使换能器有较大的透射能力和较高的信噪比。
2.2.2 接收模块
接收模块主要由超声波换能器、信号放大电路、带通滤波器、混频器、低通滤波器组成。
通常接收到的超声波信号是非常小的,而一般需要采样的信号的幅值是5 V,所以必须对它进行放大。带通滤波器的作用是以640 kHz为中心频率,保留640 kHz左右的频率信号,尽可能减弱干扰信号。混频器的作用是降低信号频率,仅保留了发射的超声波与接收的超声波的频率差,这样不但降低了采集较高的频率的成本,不必使用很快的A/D来进行数模转换,而且减小了采集到的数据的误差。信号最后再通过低通滤波器,减弱混频产生的高频干扰。
2.2.3 处理与控制模块
处理与控制模块主要由DSP(TMS320F2812)、AVR(mega16)、液晶、键盘组成。
DSP在整个处理与控制模块中起到了关键的作用。它是系统的核心,流速的计算也是它来进行的。DSP芯片的优点就是具有强大的运算能力,能在较短的时间里完成复杂的算法。TMS320F2812是TI公司的一款用于控制的高性能、多功能、高性价比的32位定点DSP芯片,最高可在150 MHz主频下工作。它片内集成众多资源:存储资源Flash、RAM标准通信接口,如串行通信接口(SCI)、串行外设接口(SPI)、增强型eCAN总线接口,方便与外设之间进行通信。在TMS320F2812内部还集成了一个12位的ADC转换模块,最高采样速率达12.5 Ms/s;TMS320F2812片上还包括事件管理器(EV)、定时器、看门狗以及大量的用户可开发利用的GPIO口等资源。
从低通滤波器出来的信号进入到DSP芯片TMS320F2812的模/数转换器(ADC)进行模数转换。TMS320F2812的ADC的主要功能有;1)12位ADC采样内核包括两个采样保持电路;2)可设置同步采样或顺序采样模式;3)模拟输入电压:0~3 V;4)ADC工作在25 MHz时最高转换速率为ADCL K或12.5 MHz;5)16通道,多路输出;6)排序器可以设置为两个独立的8位状态排序器,也可以设置成一个16状态排序器;7)16个结果寄存器用与存储装换结果;8)多触发源启动转换;9)灵活的中断控制。TMS320F2812内部定时中断子程序进行数据采样,采集的数据送入环形数据缓冲区内,然后TMS320F2812对采样数据进行FIR数字滤波器滤波、FFT变换求其功率谱等处理得到多普勒频偏值,求得流速。
AVR通过SPI从DSP中读取流速数据,再根据用键盘设置的参数进而求得流量,然后在液晶里显示出来。
3 软件设计
软件设计主要采用C语言进行编写,再设计DSP的FFT算法时,可以使用汇编语育和C语言进行混合编写。DSP的编程工具为TI公司推出的CodeComposerStudio(CCS),该工具提供的实时分析和数据可视化功能把传统的DSP调试技术向前提高了一大步,大大降低了DSP系统的开发难度。
软件设计的总体思想是:DSP的作用主要是控制DDS芯片,然后发射超声波,对采集回来的数据进行模数转换,计算频移进而计算流速。AVR的作用主要是从DSP读出流速,然后计算流量。计算流量所需的管道流通截面积是可以改变的,可以根据实际情况用键盘进行变动。软件设计的主程序流程图如图4所示。

图4 软件设计的主程序流程图
4 仿真分析
图5为FFT运算后频谱的仿真图,它是在MATLAB上进行仿真的,是一组个数为128的信号采样数据经过FFT算法处理得来的。这组数据的主频率接近640 kHz,与原始信号是相符合的。

图5 FFT的频谱图
5 结论
本文设计了以DSP为核心的趣声波流量计,完成了整体的硬件设计和软件设计。用DSP来进行流速计算,保证了计算的精度和速度;使用AVR来辅助DSP进行控制与处理,一方面分担了DSP的工作,加快了数据处理速度;另一方面使流通截面积可以变动,使超声波流量计变得更加灵活,用于各种不同管道时更容易设置。
由于水平的限制,本文的系统方案还需要完善和改进,特别是要在流体测量温度对测量的影响和流体动力学两个方面进行分析,这对于提高超声波流量计的精度是十分重膏和必要的。另外,加入另一个频率的超声波收发处理模块,组成双频的超声波流量计,也能很好的提高精度。
