引 言
液晶显示器主要由LCD(液晶面板)和背光源组成。因为LCD本身不发光,所以LCD需要通过外部光源实现透射或者反射显示。现有的LCD大多数是带有背光源的透射型器件,背光源的发光特性将直接影响到LCD显示器件的画面品质,因此,背光源是液晶显示器非常重要的组成部件。
价格低廉,技术成熟的CCFL(冷阴极灯光管)仍是现有液晶显示器件背光源的主要光源。但LED(发光二极管)作为显示器件应用的领域也越来越广,尤其是在液晶电视的功能越来越强,结构越来越美观的形势下,LED应用于液晶电视的各个部分,并在迅速的更新,高亮度、高品质、多功能是目前新产品的一个主要目的。
LED背光源目前大致可以分为直下式和侧光式两种。直下式是在液晶显示器的整个背面全部设计LED灯:侧光式是在液晶显示器的边缘设计LED灯。一般情况下,在30in以上的大尺寸液晶电视中应用直下式背光源,30in以下则可用侧光式背光源。
本文所设计的直下式LED背光源,尺寸为47in,内容涉及了背光源结构和电路设计,包括对LED灯的排布进行设计,这些基于电路板来实现。同时,电路板的尺寸、形状、元器件安排则根据背光源的结构来确定。安装完电路板之后,再在上面盖上所需的光学膜材,并安装各种构件,以组装成一个完整的背光源。
1 与CCFL技术的对比分析
1.1 CCFL的特点
CCFL是填充了惰性气体的密封玻璃管,当在管上加高电压时,气体电离产生紫外(UV)光,UV光激励内部磷光粉涂层,产生可见光。
CCFL具有的特点包括白光源、低成本、长寿命(大于25,000小时)、高电压驱动、含有有毒气体汞。
目前,以CCFL作为背光源是液晶电视的主流。但是CCFL存在一个本质的缺点,即能够达到的色域(即电视机的色彩表现范围)较小,普通的CCFL一般只能够达到NTSC(美国国家电视系统委员会)色域标准的72% ,而且它含有汞这种有毒气体,不符合绿色环保的要求。
1.2 LED的特点
LED作为新的发光源有很多优点,例如节能、环保、尺寸小、反应快速、寿命长等。
LED作为背光源最显着的优点是可以提供前所未有的色彩还原性,通过选择合适短波长的LED和与之相配的彩膜,LED背光源的色彩还原范围可以达到美国国家电视系统委员会标准的105% ,甚至可以达到1 20% 以上。在画质上,LED背光源显示得更加鲜艳和明亮。
但是LED也有一些缺点,首先是价格,在大尺寸范围内,LED背光源的价格是CCFL背光源的3~5倍左右:其次是发光效率,目前商用的LED发光效率最高的约为60~801m/W ,而CCFL的发光效率约为80~1001m/W ;最后就是散热,对于大尺寸的背光源来说,LED工作时会散发出大量的热。
不过随着技术的发展,LED的不足正在逐步改善:
1)发光效率。由于CCFL是圆柱形,它所发出的光是无方向性的。当它放在LCD屏幕下方时,尽管采用半圆形反光镜,仍然有相当多的一部分光被浪费掉了。而LED通常采用侧光辐射,它的光能比较有效地被利用。因此从总体来看,它的效率仍然比CCFL要高,而且LED的发光效率还在逐年提高;2)动态背光技术的提出,不仅解决了散热问题,而且还得到了亮度均匀、降低功耗等一系列的好处。
2、 LED背光源的设计
本文设计了一台47in的LED背光源。由于背光源所需要的亮度较大,使用的LED数目很多,所以采用直下式背光源结构。
在进行LED背光源设计的时候,首先要做的就是对LED进行选择,针对液晶屏上使用的彩膜选择适合的LED,再进行电路设计。本设计采用的是小功率、RGB三色的LED。
如图1所示,电路板上由LED灯组、连接器、电路芯片、安装孔组成。其中每个LED灯组是由R、G、B三颗不同颜色的LED灯组成,LED灯组为一个发光单元,如图2所示。

图1 LED灯条(1.电路板:2.绿色LED;3.红色LED;4.蓝色LED;5.连接器;6.电路芯片;7.安装孔)

图2 LED 灯组
由于背光源是一种均匀的面光源,采用LED作为发光器件,就必须计算好LED之间的距离,即图2中表示出的d ,这样才能够更有效地混光、混色,不产生光斑。本设计是采用RBG三颗LED灯,呈三角形分布,d1=6mm,对于47in的背光源,共使用了1,008个这样的单元,以42×24矩阵。
根据色温和亮度的计算,设计LED的电流为红色23mA、绿色55mA、蓝色40mA.每个单元进行单独驱动,采用恒流驱动方式,驱动芯片采用德州仪器(T1)的TLC5941。
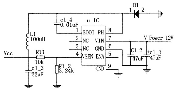
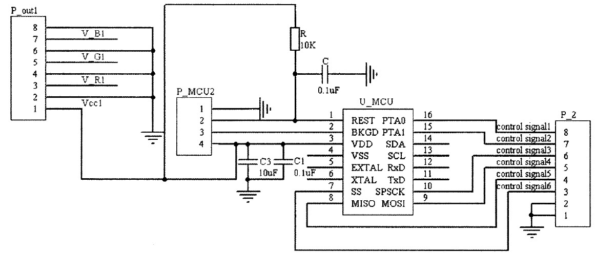
由原理图3可以看出,电源电路给TCL5941芯片提供电源的同时给LED灯组提供点亮电压。控制信号给TCL5941提供控制信号,TCL5941根据接收到的控制信号的要求对LED的亮度进行控制。

图3 驱动电路原理图
具体的电路图如图4、5、6所示,这里需要说明的是,所有的图纸都是用Altium Designer6软件绘制。

图4 电源电路图

图5 TCL5941电路图

图6 控制电路图
3 、制 作
电路板安装在背光源的铝背板上,安装情况如图7所示。在电路板上铺上底反板,底反板的颜色为白色,有利于反光。

图7 电路板的整体安装
连接器是LED用来和背面的电路板进行电路连接的,它的管脚根据LED单元来确定。电路板的材料可以根据散热要求制定,为了更好的散热,图中电路饭采用的是铝基电路板,电路板的形状根据安装要求没计,颜色采用白色,利于LED混光。
在电路板上面覆盖光学膜材,再固定上框架。其中电路芯片一部分在LED灯的电路板边缘,一部分左背板的后面。电路板上的连接器用来与外面的驱动芯片相连。具体结构如图8的结构剖面图所示。

图8 背光源的整体结构图
4 、结果与测试
LED点亮后得到了高亮度、效果好的一个背光原,效果实拍对比如图9所示。

图9 (左)点亮的背光源,(右)未点亮的背光源。
加上液晶屏之后与CCFL背光源的测试效果如图10所示。

图10 (左)LED 背光源,(右)CCFL背光源。
采用9点测试,测试仪器为BM-7.如图11、表1、图12所示。

图11 9点测试。
表1 背光源光学测试结果


图12 通过液晶屏的色彩还原性测试结果。
通过测试结果可以看出, 中心亮度达到11,230nits,均匀性达到90%以上,具体为96.26%.
还原性达到了128%以上,由于液晶屏表面彩膜的限制,液晶模组的色彩还原性只有10O~105%左右,要想进一步提高色彩表现力,一方面可以选择匹配的彩膜,另一方面就是用LED作为图像的最后总显示光源,另外,基于场序彩色原理的无彩膜技术也是方法之一。
5、 结论
所做的47in LED背光源达到了中心亮度11,230nits、整体功耗178W、均匀度96.26% 、色彩还原性128.15% ,具有很高的性能。LED背光源看上去好像没有什么太复杂的技术,只要把LED点亮就可以,但真正应用到液晶电视中就涉及到很多非常复杂的技术。要研究出适合量产的大尺寸背光源,需要液晶面板厂家、背光源厂家、电视机厂家的共同合作。
