采用仪表放大器和MSP430单片机设计开发了一种简单有效的心电采集测量系统。通过标准2导联,把生物电信号传送到放大器,由于生物电信号比较微弱,信号还需要经过二次放大。利用50 Hz陷波器消除工频干扰;使用单片机采集数据;采用单端模式,测量心电信号测量范围0~600 mV.可以在12864液晶屏上显示,也可通过串口传送到个人计算机。最后为试验系统编写了上位机程序,该系统可以为医生提供病人的远程参考数据。
随着微电子技术与工艺的发展,各种电子产品逐渐趋于小型化和集成化,而功能更强大,这使得医用设备家庭化成为可能。随着我国城市人口老龄化、物质生活的改善,心血管疾病不断增加,人们对这一类疾病的预防和诊断需求也在增长。文中采用TI公司的SOc型混合微处理器单片机,用Altera公司的CPLD做为控制器,处理心电和脉搏信号。作为数字前端的心电和脉搏信号,经过由放大器组成的模拟电路,放大、滤波和陷波处理,经控制系统,通过串口发送到个人计算机,同时设有报警装置。此心电和脉搏测量最小系统以插卡形式给出,通过PCI接口完成对其电源配置和CPLD连接到液晶显示。
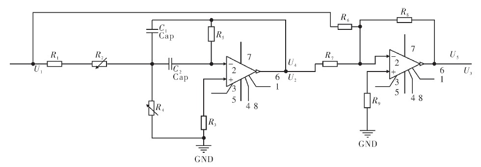
1 心电和脉搏处理电路设计
采用标准II导联模式,将电极分别接在人体的左右手腕和左脚腕。具体的连接如图1所示,左右手两路信号连接到易用放大器,左脚接地,进行一次放大。从人体皮肤测得的心电信号较微弱,而且经常叠加着各种干扰和噪声,最常见的就是电网的工频干扰。因此信号要进行二次放大并且进行50 Hz陷波处理。接下来的数据一路送往报警检测电路,另一路送往单片机处理。

图1 心电与脉搏处理电路
由于心电信号微弱,仪用放大器输入电阻大,共模抑制比高,增益调节方便,使用易用放大器作为输入级。
放大器件采用INA128,增益
,Rg是2脚和8脚之间的电阻值,设计中为滑动变阻器与固定电阻之和,变化范围是220~5220Ω,增益变化范围约为10~228 dB动态范围很大。
心电信号经过放大后仍需要二次放大,其电路采用普通的同相比例放大器经过二次放大后,所得信号可达4~5 V.为消除50 Hz工作频率的影响,采用传统的陷波器,抑制50Hz噪声。
陷波器有两种:一种是使用双由双T网络和运放组成;另一种是由带通滤波气和相加器组成。文中使用的是带通滤波器和相加器构成的陷波器,如图2所示。

图2 带通滤波器和相加器构成的陷波器
U1信号加入进带通滤波器,使用双踪示波器观察U1和U2波形,调节滑动变阻器使得U2处50 Hz信号最大,带通滤波器中心频率为50 Hz,U1和U2信号等幅度反相位,信号U2进入加法器,微调变阻器使U3输出接近为零,抑制50 Hz信号,这就完成了50 Hz陷波。由于模拟电路噪声的存在,50 Hz仍然有微弱输出,可以通过数字滤波进行消除。
图3是50 Hz陷波以后示波器观察的心电信号。图4是50 Hz陷波以后示波器观察的脉搏信号。陷波以后的信号一路送往报警电路,一路送往单片机,进行采样处理。

图3 心电信号

图4 脉搏信号
2 MSP430单片机系统设计
MSP430系列单片机是TI公司1996年推出的一个优秀的SOC型混合微处理器产品系列,16位的高效的微处理器系统,丰富强大的外围电路资源,其中也包括很多高性能的模拟电路资源,低功耗成为被广泛应用的一款单片机设计采用MSP430的2系列单片机。对心电信号进行A/D采样。然后经模拟串口发送到个人计算机。
2.1 Sigma-delta模块
2系列单片机含有独立的16位ADC,并且包含基准源,可编程序增益放大器以及温度传感器,适合各种高精度测量应用,SD16模块部分框图如图5所示,它采用Sigma-delta调制技术。

图5 SD16模块部分框图
SD16模块含有独立的控制寄存器,并且有8个独立的差分通道,6通道接到内部传感器,通道7短路,用于0 V校准。其实ADC模块只是引出数量有限的通道,原因是管脚受限。
2.2 单片机系统设计
MSP430单片机系统设计硬件框图如图6所示。

图6 MSP430单片机系统设计硬件框图
数据采集部分,使用单端模式,时钟为辅助时钟32.768 kB,2分频以后,过采样率为256 Hz,实际采样率为64 Hz,相对于心电信号和脉搏信号,满足奈奎斯特采样定律。采样数据可以通过模拟串口发送到上位机PC,也可以通过CPLD至液晶屏实时显示波形。
2.3 数据采集和模拟串口发送软件设计
有单片机采集的数据经过串口传送到计算机,使用SPI(Serial Peripheral Interface)协议。
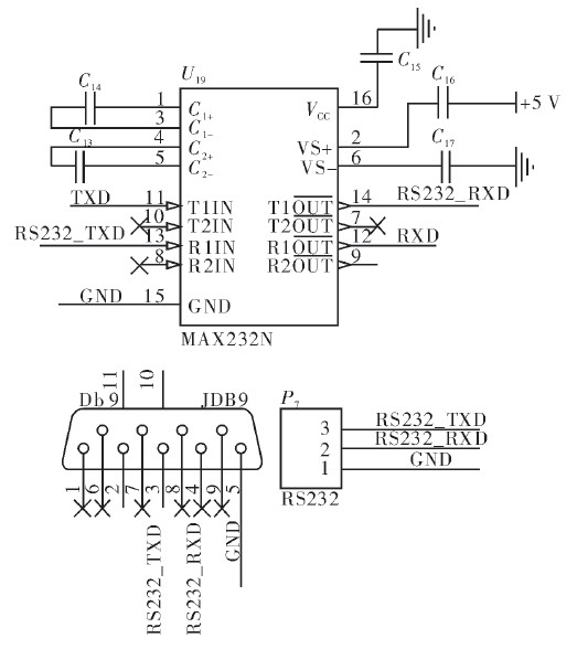
由于计算机串口电平转化,采用Max232N进行设计,电路图如图7所示。

图7 MAX232N与串口protel原理图
MAX232芯片是美信公司专门为电脑的RS~232标准串口设计的单电源电平转换芯片由3部分组成,图7是Protel原理图。
(1)供电部分包括电源和地,分别是16脚和15脚,5V电源。
(2)电荷泵电路部分,功能是提供正负12 V电源,供给RS-232串口使用,使用了前6个引脚,1和3脚之间,4和5脚之间使用了极性电容分别为1μF.
(3)数据转换部分,有两个数据通道。第一数据通道包括13脚(R1IN)、12脚(R1OUT)、11脚(T1IN)、14脚(T1OUT);第二数据通道包括8脚(R2IN)、9脚(R2OUT)、10脚(T2IN)、7脚(T2OUT)。TTL/CMOS数据从T1IN、T2IN输入转换成RS-232数据从T1OUT、T2OUT送到电脑DB9插头;DB9插头的RS-232数据从R1IN、R2IN输入转换成TTL/CMOS数据后从R1OUT、R2OUT输出。
MSP430单片机低功耗主要靠时钟休眠来实现,中断子程序可以唤醒不同深度的休眠模式。因此,充分利用时中断、休眠和时钟之问的关系,实现数据采集和串口发送。单片机程序流程图,如图8所示。

图8 单片机程序流程图
使用定时器模拟串口通信协议,产生波特率9 600 bit·s-1.由于是16位A/D,每次传送8位到计算机,分两次传输,先传送高8位,然后传送低8位,采样率为64Hz。
3 实验结果和PCB设计
数据通过串口发送到计算机,没有数字滤波之前使用Matlab仿真现显示的波形如图9所示。

图9 心电波形
与正常电信号相比滤波之后能够反映出心脏的基本工作状况。南于是数模混合电路,PCB插卡的设计和调试较重要,数字地和模拟地应分开且单点连接。CPLD和液晶在试验基板上,插卡只是整个大系统的一小部分。
4 基于LabVIEW上位机设计
设计了基于LabVIEW的上位机界面,LabVIEW是一种图形化程序开发环境,由美国国家仪器(NI)公司研制开发,类似于C和BASIC开发环境,但LabVIEW与其他计算机语言的显着区别是:其他计算机语言都是采用基于文本的语言产生代码,而LabVIEW使用图形化编辑的G语言编写程序,产生的程序是框图形式。
图10是上位机程序界面,可以实现心率测量,数据区域放大、拖动、存储和回放,既可以自动测量,也可以设定门限手动测量。

图10 上位机界面
5 结束语
设计时考虑到了成本和单片机的资源需求,测量心电和脉搏是分开的,PCB插卡上有跳线,可以在不同需要时进行选择。设计采用传统的模拟电路和最新的数字器件,用单片机自带的模数转换模块,对信号进行采集,定时器产生波特率中断模拟串口,通过串口发送到计算机,实现模拟信号的数字化处理,最后使用LabVIEW编写上位机程序。不足之处是,远程传输问题考虑得不够完备,应当改进。
