引言
目前,煤炭、石油等能源正走向枯竭,且环境污染问题也日益严重,新能源和可再生能源的利用已经成为世界各国的燃眉之急。作为一种无污染的可再生能源,太阳能越来越受到人们的青睐。太阳能光伏并网发电产业迅速发展对人们提出的可持续发展有重大的意义。本设计利用锁相环倍频、比较器过零触发和MSP430F169单片机DA产生与输入信号同频同相且幅值可控的正弦波,作为DA-AC电路的输入参考信号,其中DA-AC电路采用D类功放中自激反馈模型,利用负反馈的自激振荡产生正弦波脉宽调制(SPWM)波,通过硬件之间的配合,实现了逆变电压输出及最大功率、同频同相的跟踪。
装置方案的选用
DC-AC逆变方案:采用D类功放中自振荡式模型的逆变拓扑,利用负反馈的高频自激产生所需的PWM开关信号。此方案为闭环系统,在功率电源和负载变化时波形基本无失真,且硬件电路简单。
锁相锁频方案:利用锁相环的锁相锁频功能,将参考信号倍频,产生与其同步的时钟,以此时钟调整输入输出的频相关系。此方案完全由硬件电路实现,简单方便。
最大功率点跟踪方案:采用经典MPPT算法,对光伏阵列的输出电压电流连续采样,寻找dP/dU为零的点,即为最大功率点。
装置的原理框图如图1所示。在设计中,选用CD4046锁相环芯片和功率MOS管IRF540等性价比较高的器件,采用基于MSP430F169单片机的经典控制算法来控制光伏并网发电模拟装置。

图1 装置原理框图
理论分析及参数设置
频率跟踪电路的设计
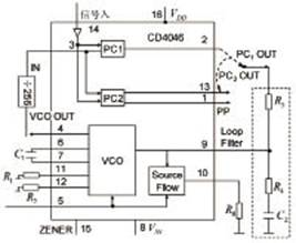
利用锁相环CD4046可以实现输入信号的倍频和同步,输入频率45Hz~55Hz,经256倍频后为11.52kHz~14.08kHz信号,送给单片机作为系统同步的时钟。单片机用DDS原理产生幅度可调的正弦信号。此时钟作为D/A输出的时钟,即可追踪输入信号的相位和频率。锁相环的原理框图如图2所示。CD4046的内部电路与外围电路图如图3所示。此正弦信号送给本设计中自闭环的DA-AC逆变器作为输入,输出电压就可以与参考输入UREF同频同相。为保证快速锁定,需要调整R1、R2、C1的值使锁相环中心频率稳定在50Hz。

图2 锁相环原理框图

图3 CD4046内部电路与外围电路图
MPPT最大功率点跟踪的实现
本设计采用MSP430F169单片机作为主控芯片。它是TI公司出产的一种具有超低功耗的功能强大的16位单片机,具有FLASH存储器。这款单片机的程序代码空间为60KB+256B的FLASH,2KB的RAM,且具有强大的中断功能,48个I/O引脚,每个I/O口分别对应输入、输出、功能选择、中断等多个寄存器,使得功能口和通用I/O口复用,在对同一个I/O口进行操作前要选择其要实现的功能,这样大大地增强了端口的功能和灵活性。该类单片机具有一个强大的16位RISC CPU(125ns指令周期),16位的寄存器以及常数发生器,能够最大限度地提高代码的效率。数字控制的振荡器DCO允许在6微秒内从低功耗模式唤醒。而且,该芯片还配置了带有3个捕获/比较寄存器的16位定时器A和定时器B、12位快速A/D转换器(带有内部参考电平、采样保持和自动扫描特性)、双12位D/A转换器,两个通用同步/异步串行通讯接口USART、DMA。除此之外,该单片机还具有超低功耗的优点,运行在1MHz时钟条件下时,工作电流视工作模式不同为0.1μA ~280μA。
MSP430F169的这些特点十分适合开发的要求,选用MSP430F169可以轻松地实现连续的电压电流采集。单片机由此数据计数出实时功率后根据MPPT算法自动调整,当dP/dU>0时通过增加系统的输入阻抗增加实际得到的输入电压U以提高功率,反之则降低U ,最终达到dP/dU>0的最大功率点跟踪。
提高效率的方法
开关电源电路设计中的主要损耗包括:场效应管的导通电阻损耗和开关损耗;滤波电路中电感和电容的损耗;隔离变压器的钢损与铁损。综合考虑成本和性能,本电路选用了IRF540,其导通电阻仅为77mΩ,输入结电容为1700pF。在带载额定电流1A时,全桥的静态功耗Pon=4×I2×Ron=0.308W。由于滤波电感和电容工作在高频下,起储能释能作用,因此电感要尽量减小内阻,并保留1mm磁隙防止饱和,电容则要选取等效串联电阻ESR较小的高频低阻类型,以减小在电容上产生的功率损耗,本设计中所用的电感线圈为多股漆包线并绕,以减小高频下导线集肤效应带来的损耗,并使用铁氧体材料的磁芯,以减小其磁滞损耗。电容则选用聚丙烯电容,它具有较好的高频特性、稳定性和较小的损耗。为减小隔离变压器T的损耗,导线的载流量选2.5A/mm2,选用冷轧钢带替代矽钢片。
滤波参数的设置
滤波电感使用直径36mm磁罐,加1mm磁隙,用0.4mm漆包线5股并绕20匝,实测电感为200μF左右;为减小通带衰减,取截止频率为5kHz,一百倍于基频,得C=4.7μF。为进一步减小正弦波谐波分量,又用60μH铁粉环电感与0.68μF电容进行了二次滤波,最终效果比较理想。
电路与程序设计
DC-AC电路
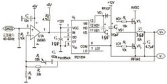
DC-AC逆变器由振荡原理的D类功率放大器构成,利用负反馈的高频自激,产生幅度较弱的高频振荡叠加在工频信号上,经过比较器产生高频SPWM开关信号通过浮栅驱动器驱动MOS管半桥。自振荡逆变器框图如图4所示。DA-AC逆变器原理图如图5所示。

图4 自振荡逆变器框图

图5 DA-AC逆变器原理图
由于负反馈在工频上是稳定的,因此输出的信号的放大倍数由R2与 R4的分压比决定,而自振荡(产生的SPWM)频率可通过微调补偿网络中的电阻、电容值进行调整,实际中综合考虑损耗和滤波电路的设计,选定频率约为28kHz,保证输出电压在功率电源HVDC范围内,比例放大系数选为12。这种逆变器自身闭环,整个电路只使用一个比较器,可以根据负载的变化自动调整SPWM的占空比,使输入/输出电压始终成比例关系。
设计时,使用两个上述的自振荡逆变器构成平衡桥式DA-AC变换器,以LM393做逆变的比较器,配合自带死区的IR21094浮栅驱动器驱动IRF540功率MOS管,获得了较高的效率和极低的失真度。
过流保护及自恢复电路
电流I在采样电阻上产生的电压经过LM358放大10倍后与参考电压比较,超过则输出低电平, C7经过二极管迅速放电,使#SD信号被拉低,浮栅驱动器输出被关闭,向单片机报警。同时I变小,运放1脚(如图6)输出高电平,+5V经过R17对C7充电,经过一段时间达到浮栅驱动器的高电平门限时,再次打开场效应管。这样可以保证过流时迅速关断输出,关闭一段时间后自行试探,在故障消除后可自动恢复。

图6 过流保护电路图
欠压报警指示,实时显示当前入口处Ud电压
欠压时MPPT算法将自动使输出为零,功率最小。单片机实时采样Ud电压后在液晶上显示,小于25V时报警。
控制电路与控制程序
在功率电源入口处用470k与20k金属膜电阻分压到合适电压后进行电压采样,电流则由40毫欧电阻高端采样后经隔离差动放大器HCPL7800放大后再由仪表放大器AD620转换成单端电压,送给A/D采样,其中HCPL7800和AD620带有48倍的增益,将电压放大到2V左右,保证采样电流有足够的精度。功率最大时有
![]()
,可得
,令
,
,则当
时认为达到最大功率点。
经典控制算法流程图如图7所示。

图7 经典控制算法流程图
测试方法与数据、结果分析
测试仪器选用:数字示波器TDS1002;4位半数字万用表VC9807A+;20M数字信号源RIGOL DG1022;双路可跟踪直流稳定电源HY1711。测试框图如图8所示。

图8 测试流程图
测试方法:
①最大功率点跟踪功能:在60V输入电压情况下,根据测试数据表1改变RS与 RL(30Ω~36Ω),记录电压表2与电压表1的示数。
②频率相位跟踪功能:根据测试数据表2改变输入信号UREF从45Hz~55Hz步进,从示波器观察频率跟踪的速度和输出电压的频率,以及两者的相位差,记录在测试数据表2中。
③效率:额定RS=RL =30Ω时,记录电压表1、电压表2,电流表1、电流表2的示数,效率=UoIo/UiIi
④失真度:用示波器FFT观察显示波形,记录基波和各次谐波的幅度。
测试数据:
① 数据记录:各数据列于表1~表3中。
表1 最大功率点跟踪

表2 频率相位跟踪

表3 DA-AC变换器效率
![]()
②计算效率:
![]()
③输出过流保护和自恢复功能:将输出短路,电路进入过流保护,指示灯亮,液晶屏显示报警,除去短路后报警消失,电路恢复正常。
④输入欠压保护和自恢复功能:调节输入电压 ,当电压表2显示电压低于25V时液晶屏显示报警。再提高电源电压,报警消失,电路重新正常工作。
结束语
为了较好地实现频率相位跟踪、DA-AC逆变、欠压及过流自恢复保护等功能,本设计基于MSP430F169单片机,采用较少元件、较低成本的模拟方案,设计了模拟电路,实现了光伏并网发电模拟装置的设计,具有较强的实用性。
