USB接口由于其方便灵活、独立供电的特点,已广泛应用于数据采集与监控系统中。采用TI公司的第二代SOC芯片CC2531,实现了基于USB接口的虚拟串口通信,并以温度监测系统将其引入到实际工程中来。
1 CDC类简介
在USB的文件中,定义了将某种相同属性的设备整合在一起的群体,称之为类。这样做可以同时开发该类的驱动程序,提高了驱动程序的复用性。CDC类是通信设备类的简称,是专为各种通信设备定义的子类。根据应用场合的不同,CDC类可以分成以下不同的模型:POST(传统纯电话业务)模型、ISDN模型和Networking(网络)模型。其中,POST模型又可以分为DL(直接线控制)模型、AC(抽象控制)模型、Datapump(数据泵)模型、T(电话)模型。CDC类的结构如图1所示。本文的USB接口开发就属于POST模型下的AC模型。

图1 CDC类结构图
此外,CDC又由CommunicatiON Interface Class(通信接口类)和Data Interface Class(数据接口类)组成。通信接口类主要负责设备的管理和控制,数据接口类则负责数据的传输。不同的模型端点需求不同,对系统所用的抽象控制模型来说,通信接口类需要一个控制端点(Control Endpoint)来管理设备的枚举、虚拟串口的波特率和数据类型的设置。数据接口类的需求相对比较灵活,本例中采用一个块传输 IN端点和一个等时传输OUT端点。
2 CC2531芯片简介
CC2531是TI公司针对2.4 GHz ISM频带推出的第二代支持ZigBee/IEEE 802.15.4协议的片上集成芯片。其内部集成了高性能射频收发器、工业标准增强型8051 MCU内核、256 KB Flash和8 KB RAM;具有1个USB全速接口、2个USART、8位和16位定时器、看门狗定时器、8路输入可配置的12位ADC、21个GPIO、AES128协同处理器;硬件支持CSMACA、数字化的RSSI/LQI和强大的DMA功能,具有电池监测和温度感测功能。
CC2531全速USB接口的结构如图2所示。其特性如下:
◆ 全速操作(12 Mbps);
◆ 6个端口,端口0为控制端点,其余5个为数据传输端点;
◆ 具有1 KB SRAM(FIFO)存储USB数据包;
◆ 端口支持的数据包大小为8~512字节;
◆ 支持双缓冲传输模式。

图2 USB接口结构图
端点0(EP0)为控制端点,枚举阶段的通信都是通过该端口完成的。端点1~5(EP1~5)可以通过SFR配置为等时、块、中断3种传输方式。其中块传输端点和中断传输端点对应的USB寄存器设置是一样的,但在固件方面具有不同的属性。同时为了加快数据传输,还可以使用双缓冲模式。在配置各个端点的属性之前,必须通过特殊寄存器USBINDEX来选择不同的端点,以此来选择当前进行配置的端点寄存器组。
3 USB通信的实现
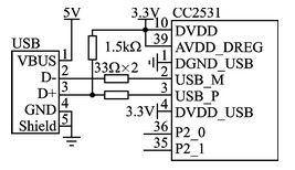
CC2531的USB硬件连接很简单,如图3所示。采用USB总线供电方式,通过电压转换芯片AM11173.3为硬件电路提供3.3 V电压(图中未画出)。由于该设备为全速设备,因此D+信号线通过电阻上拉。

图3 CC2531的USB硬件连接
按照CDC类抽象控制模型对端点的需求,采用端点0作为控制端点,完成设备的枚举和串口参数的设置。将端点2和端点4分配给数据接口子类,作为IN和OUT端点,虚拟串口的数据传输主要在这两个端点进行。具体的配置如下:
currentLineCoding.dteRate=HAL_UART_BAUDRATE_115200;//波特率设置
currentLineCoding.charFormat=CDC_CHAR_FORMAT_1_STOP_BIT;//1个停止位
currentLineCoding.parityType=CDC_PARITY_TYPE_NONE;//无奇偶校验
currentLineCoding.dataBits=8;//8位数据
USBINDEX=0x02;//选择端点2
USBCSIH=0x01; //方向:IN块传输,双缓冲模式
USBMAXI=0x20;//最大包数目 256字节(8字节为单位)
USBINDEX=0x04;//选择端点4
USBCSOH=0x40;//方向:OUT等时传输,单缓冲模式
USBMAXO=0x20;//最大包数目 256字节(8字节为单位)
下面以IN端点2为例,说明数据如何通过USB接口传递到电脑上。当电脑发出IN请求时,如果USB端点2的FIFO非空,就向电脑发送FIFO里的内容;如果FIFO为空,则向电脑发送一个空包作为回应。CC2531通过寄存器位USBCSIL.INPKT_RDY来控制电脑和8051 MCU内核对USB的FIFO的使用权。当INPKT_RDY=1时,电脑正在对USB端口进行访问,8051 MCU内核无法向FIFO内写入数据;当INPKT_RDY=0时,8051 MCU内核可以将发送数据写入FIFO内,置位INPKT_RDY=1,完成数据的上传。其流程如图4所示。

图4 端点2数据流程
4 温度采集的实现
采用CC2531作为温度数据的汇聚节点,采用IEEE 802.15.4协议组成一个由10个采集终端组成的星状网络,对终端节点的温度进行采集。终端节点硬件由CC2530实现,温度传感器采用DS18B20.上位机由Visual C++编写,实现数据的实时显示,并实现数据的存储和历史温度查询。CC2531的USB设备描述符里声明PID=0x1000,VID=0x0451,UBS驱动采用Windows XP系统提供的usbser.sys.温度采集结果如图5所示。

图5 温度采集结果
结语
采用CC2531无线单片机,实现了基于USB接口的虚拟串口通信,并详细介绍了基于CDC类的USB虚拟串口通信的实现。实验结果表明,数据传输率满足采用IEEE 802.15.4协议的低速无线传感器网络的要求,同时又避免了PC端驱动程序的开发,具有一定的实际意义。
