作者:吴旭华
1 引言
运算放大器(op-amp)简称运放, 因最初主要用于模拟量的数学运算而得名。它是一个高电压增益、高输入电阻和低输出电阻的直接耦合多级放大电路,也是最基本、最具代表性、应用最广泛的一种模拟集成电路。在工业自动化控制、过程控制中, 运放常被用于放大来自传感器的低电平信号, 这就要求用作前置放大器的集成运放具有高的输入阻抗,低的输出阻抗, 低失调电压和温度漂移以及精密的反馈特性和高的共模抑制比能力, 否则造成的漂移问题将使系统无法正常工作, ICL7650 正是为适应上述要求而研制成功的。
介绍了ICL7650 斩波集成运放的性能, 并采用该器件设计了一个弱信号的前置放大电路, 通过multisim 8 软件进行仿真和测试,其增益、幅频特性、信噪比等性能指标都能达到设计的要求。该电路结构简单, 对直流、低频微弱电信号放大具有一定的参考使用价值。
2 ICL7650 性能介绍
斩波器稳定型运算放大器ICL7650 芯片是Intersil 公司的第四代运算放大器, 性能极为优越稳定, 因而在精密仪表、微弱信号的检测及过程控制系统中作为前置放大器应用很广。
ICL7650 主要有如下几个特点:
1) 极低的输入失调电压:整个工作温度范围(约100 ℃) 内只有±1μV ; 输入偏置电流低: 15pA (典型值) ;
2) 失调电压的温漂和长时间漂移极低: 分别为0.01 t, v/℃和100 nV /Month;
3) 极高的开环增益,CMRR ,PSRR 均≥130 dB ; 较高的转换速率: SR = 0. 5 V/μs ;
4) 单位增益带宽BWG=2 MHz,并具有内部补偿,相位裕度≥80;
5) 内部有箝位电路,能减少过载时的恢复时间;在输入端、输出端只有极微小的斩波尖峰泄漏。
3 用ICL7650 设计弱信号的前置放大电路
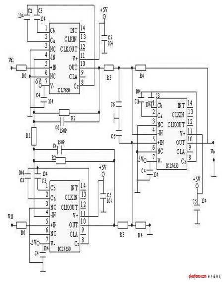
根据上述分析, 结合仪用放大器的原理, 实际电路设计如图1 所示:

图1 放大电路原理图
R0 为ICL 7650 输入限流保护电阻。在ICL7650 的外围电路中, 电源电压输入端和地之间接入一个0.1μF(104)的电容,用来滤除电源带来的干扰。采样电容C2、C3 在动态校零中起关键作用,直接影响到运放自动稳零的精度, 故选用高阻抗、瓷介质、聚本乙烯材料的优质电容, 其值可取0.1μF.R3 与C6 组成滤波网络, 用来滤去ICL7650 模拟开关换向所带来的斩波尖峰噪声,减小输出电压中的过冲。
该电路第一级是两个对称的ICL7650 集成运放, 有很高的输入阻抗和共模抑制比, 而且变双端输入为单端输出。由于整个电路的失调电压及漂移与第一级有密切关系,因此A1、A2 选用了具有超低失调电压和超低漂移的ICL7650 集成运放。ICL7650 作为高精度、低漂移放大器, 其输入一般只有几百微伏甚至几十微伏电压就能正常工作。
4 采用Multisim 8 软件进行仿真
4.1 Multisim 8 软件介绍
Multisim 8 软件由加拿大Interactive Image Technology 公司推出的电子电路仿真软件EWB( Electronics WorkBench) 发展而来,它继承了EWB 直观的电路仿真与设计界面, 并发展了EWB 的器件库和虚拟仪表库。Multisim 8 是Multisim 7 的升级版本, 其人性化的界面、庞大的器件仪表库和完善的分析方法能胜任电路设计与仿真的绝大部分场合, 可以方便地对模拟、数字或混合电路进行仿真,且大多数采用实际模型,确保了仿真和设计结果的真实性和实用性。由于本设计是放大μV 级电压信号, 而如此微弱的电信号放大及处理是很困难的,如运算放大器的零漂、噪声、外界干扰、信道的传输等, 都将严重地影响着信号的保真与提取。因此虽然成功搭建了实际硬件电路, 但还可能存在着干扰和噪音, 故运用Multisim 8 软件对设计的电路进行性能仿真分析。
4.2 创建仿真电路原理图
根据图1 所设计的电路原理图进行仿真电路图的创建, 得到如图2 所示的仿真电路图。

图2 仿真电路
4.3 函数信号发生器的设置
为了模拟传感器送来的微弱信号, 设置输入信号的频率为20Hz, 幅度为10uV.如图3 所示。

图3 信号发生器设置
4.4 输出信号的波形
10uV 交流信号经过图2 放大电路放大, 可得到30mV 的电压交流信号, 如双通道示波器所示。

图4 双通道示波器
4.5 电路幅频特性测试
本文设计的放大电路主要是放大低频微弱信号, 对高频也有一定的抑制, 双击XBP1 波特图示仪的图标,设置合理的参数, 显示出电路的幅频特性曲线, 如图5 所示, 在图中曲线的中间水平线中可以清楚得到电路的增益为69.589dB,用鼠标拖动读数轴可得上限频率fH =294.963Hz, 下限频率fL=0, 频带宽度B= fH - fL =294.963Hz4.6 电路失真度测试双击XDA1 的失真度测量仪图标, 出现如图6 所示界面, 调整好参数, 可得到电路的失真度为零,信噪比是100dB, 所以本电路信噪比高, 噪音小。

图5 频带宽度测试

图6 失真度测试
5 结束语
由于采用的斩波稳零运放ICL7650 有极低的失调电压和漂移, 使得电路有良好的性能, 经仿真,各参数基本上都达到了设计要求。此放大电路结构简单, 效果良好, 对微弱的直流、低频信号的前置放大具有一定的使用价值。
