1996年,日亚化学的中村氏发现蓝光LED之后,白光LED就被视为照明光源最具发展潜力的组件,因此,有关白光LED性能的改善与商品化应用,立即成为各国研究的焦点。目前,白光LED已经分别应用于公共场所的步道灯、汽车照明、交通号志、可携式电子产品、液晶显示器等领域。由于白光LED还具备丰富的三原色色温与高发光效率的特性,一般认为非常适用于液晶显示器的背光照明光源,因此,各厂商陆续推出白光LED专用驱动电路与相关组件。鉴于此,本文就LED专用驱动电路的特性与今后的发展动向进行简单阐述。
1 定电流驱动的理由
1.1 白光LED的光度以顺向电流规范
白光LED的顺向电压通常被规范成20mA时,最小为3.0V,最大为4.0V,也就是若单纯施加一定的顺向电压时,顺向电流会作大范围的变化。

图1是从A、B两家LED企业的产品中随机取三种白光LED样品进行顺向电压与顺向电流特性检测的结果。根据检测结果显示,若利用3.4V顺向电压驱动上述六种白光LED时,顺向电流会在10~44mA范围内大幅变动。表1为白光LED的电气与光学特性。
LED驱动电路" src="//www.ninimall.com/files/images/2012/05/16/7c0ce52a-1b7e-4d1a-9ca6-5fd798ee7065.jpg" />
由于白光LED的光度与色度是以定电流方式量测的,所以,为获得预期的亮度与色度,通常是用定电流驱动。

1.2 避免顺向电流超越容许电流值
为确保白光LED的可靠性,基本上就是需要设法避免顺向电流超过白光LED的绝对最大设计值(定格值)。

图2中,白光LED的定格最大顺向电流为30mA,随着周围温度的上升,容许顺向电流则持续衰减,如果周围温度为50℃,通常顺向电流就不能超过20mA。此外,利用定电压的驱动方式不易控制流入LED的电流值,因此就无法维持LED的可靠性。
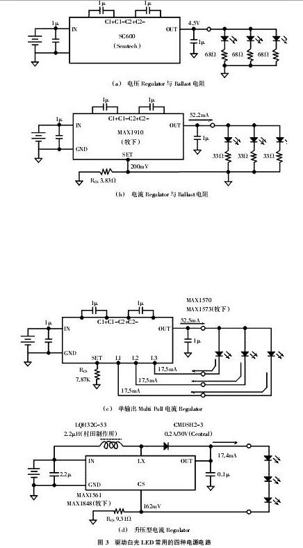
2 白光LED的驱动方法

图3是驱动白光LED常用的四种电源电路;图4是上述六种随机取样白光LED稳定后的ReguLation精度特性。

图4的测试结果显示,ReguLator的负载特性出现在白光LED的VF角落上,即图中的交叉点就是各白光LED的稳定动作点。
2.1 使用电压ReguLator的驱动方式
图3(a)的电路分别使用可以控制LED电流的电压ReguLator与BaLLast电阻,这种电路的优点是电压ReguLator种类丰富,设计者可以选择的自由度较大,而且与电压ReguLator、LED的接点只有一点;缺点是BaLLast造成的电力损失会导致效率恶化。此外,LED的顺向电流也无法获得精密控制。
图4(a)中可以看出,随机取样六个白光LED的顺向电流,从14.2mA到18.4mA分布范围非常广,因此,A厂商LED的(平均值)顺向电流高达2.0mA。相比之下,图4(b)电路使用的ReguLator虽然有小型、低成本的优点,缺点是可能会无法满足性能与可靠性的要求,也就是说本电路的实用性相对较弱。
2.2 使用定电流输出的电压ReguLator驱动方式
图3(b)的电路虽然可以使流入LED的所有电流稳定化,不过为了匹配(Matching)各LED的电气特性,电路中特别设置了一组BaLLast电阻。
图3(b)中的MAX1910属于定电流输出型的电压ReguLator,虽然本电路使用同厂商、同批号(Lot)的白光LED,获得了极佳的匹配性,不过,在使用不同厂商与批号的LED时,就会出现很大的特性差异分布。本电流Regu-Lator使用类似图3(a)的方式控制驱动电流,不过它却可以使BaLLast电阻的消费电力降低一半左右。
图4(b)的测试结果显示,流入六个随机取样白光LED的电流,从15.4mA到19.6mA,变化范围非常大。因此,A厂商与B厂商两者的LED是以平均17.5mA的电流驱动。此电路的缺点是BaLLast电阻造成的电力损失有残留之虞,而且又无法获得LED电流的匹配性;不过整体而言,本电路兼具动作特性与简洁性,所以具有相当程度的使用价值。
2.3 使用输出型的MuLti PuLL电流Regu-Lator的驱动方式
图3(c)的电路可以使流入LED的电流各自稳定化,因此不需要使用BaLLast电阻,电流的精度与匹配性ReguLator则由各自的电流ReguLator支配。
图3(c)中的MAX1570 IC可以使上述电流ReguLation达成2%标准的电流精度,与0.3%标准的电流匹配性等目标。
由MAX1570 IC构成的电流ReguLator为低Drop Out Type,因此它的动作效率非常高。图4(c)的测试结果显示,使用图3(c)的驱动电路时,流入六个随机取样白光LED稳定化的电流为17.5mA。
虽然ReguLator与LED之间需要四个连接端子,不过此电路不需要BaLLast电阻,所以可以有效抑制封装面积,因此非常适合应用在封装空间极为狭窄的小型液晶面板等领域。
2.4 使用升压型电流ReguLator驱动的方式
图3(d)的电路是利用可以使电流稳定化的电感(Inductor),构成所谓的高效率Step Up Converter。本电路的最大特点是 Feed Back ThreshoLd电压,可以减少电流检测用电阻的电力损失。此外,LED采用串联方式连接,所以流入白光LED的电流即使是在各种要求下,都能够与LED完全取得匹配。
有关电流的精度基本上取决于Regu-Lator的Feed Back ThreshoLd精度,因此不会受到LED顺向电压的影响。
由MAX1848与MAX1561 IC构成的电流ReguLator的效率(PLED/PIN)分别是:三个LED+MAX1848,87%;六个LED+MAX-1561, 84%。
Step Up Converter的另一优点是Regu-Lator与LED之间需要两个连接端子,而且LED的使用数量不会受到Step Up Converter种类的影响,这意味着设计者会拥有更大的选择空间。因此,Step Up Converter广泛应用在各种尺寸的液晶面板;电路的缺点是电感外形高度、组件成本偏高,有EMI辐射干扰。
3 结束语
以上介绍了白光LED常用的驱动电路,并通过实验方式深入探讨了各电路实际运行时的优缺点和特性。由于LED结构的限制,因此会有波长与驱动电流精度不易控制等困扰,随着白光LED背光模块应用需求的不断增加,如何改善上述波长与电流精度问题,同时降低驱动电路的制作成本,成为必须克服的问题。
