0 引言
随着科学技术的发展和产业规模的扩大,经济体各个部门的用电量在不断增加,越来越多的用户采用性能好、效率高但对电源特性变化敏感的高科技设备,如:机器人、自动化生产线、精密数控机床、高精度测量仪器及计算机信息管理系统等。这些系统和设备对电网的各种干扰十分敏感,任何电能质量问题都可能造成重大的经济损失,带来不良的社会影响。在用户电能质量问题投诉中,90%以上涉及电压暂降问题;统计数据和案例反映显示,造成用电设备异常运行或停电的绝大部分因素也是由电压暂降引起的。因此本文主要研究电压暂降治理问题,针对具有整流逆变结构的敏感负荷设备,提出了一种利用超级电容器" title="超级电容器" target="_blank">超级电容器"超级电容器治理电压暂降问题的新思路。
1 电压暂降
电压暂降是指供电电压在短时间内突然下降的事件。国际电工委员会(IEC)将电压暂降定义为电压均方根值下降到额定值的90%~1%,电气与电子工程师学会(IEEE)则定义为下降到额定值的90%~10%,其典型持续时间为0.5~30个周波。严重的电压暂降将引发用电设备停止工作,或造成所生产的产品质量下降,其后果严重程度因用电设备的特性而异。
电压暂降的治理是一项复杂工程,通常通过设置辅助设备使主设备负荷能承受频繁发生的电压暂降,本文研究的超级电容电压暂降抑制装置即为此类辅助设备。目前国内外研究的电压暂降治理装置主要有交流系统的动态电压恢复器(DVR)及不间断电源(UPS)等。对含直流母线的装置,若加装UPS补偿设备,因UPS使用寿命短、放电电流小且充电时间长等特性,系统的性价比较低;如果加装交流系统DVR等装置,因系统主电路存在2 个逆变电路,不仅降低了系统工作效率,而且还增加了成本。针对具有整流逆变结构的设备,我们研发了一种基于超级电容储能的直流DVR装置,将双向半桥DC-DC变换器与超级电容器结合使用,通过双闭环方式控制超级电容器的充放电,在系统发生电压暂降时,通过支撑敏感负荷的直流母线电压达到治理电压暂降的目的(图1)。

图1 电压暂降治理系统主电路
2 超级电容储能
超级电容器也称为电化学电容器,是一种利用双电层原理、采用新材料和新工艺、性能介于电容器与电池之间、具有很大电容密度且脉冲充放电性能优良的新型大容量储能元件。常用的双电层电容器结构如图2所示,悬在电解质里的2 个非活性多孔板为电极。正极板吸引电解质中的负离子,负极板吸引电解质中的正离子,这样在两个电极的表面形成一个双电层电容器,其容量大小与电极的表面积及极板间距离等因素有关。

图2 双电层电容的结构图
与常规用于储能的电容器不同,超级电容器容量可达到法拉甚至千法拉级别,既具有充电电池的高能量密度特性,又有电容器的高功率密度特性,是一种高效、实用、绿色的能量存储器件。表1 示出超级电容器、储能电容器以及电池的性能比较。与普通电容器和电池相比,超级电容器不仅无污染、免维护、环保效益明显,而且还具有以下优点:
(1)功率密度高。
超级电容器的功率密度可达到10 kW/kg左右,为电池的十倍到百倍,可以在短时间内释放几百到几千安培的电流,非常适合用于在短时间内输出高功率的场合。
(2)充电速度快。
超级电容器充放电是一种双电层充放电的物理过程或电极物质表面快速可逆的电化学过程,可以采取大电流充电方式,在几十秒到数分钟内完成充电。在当前的技术水平下,蓄电池的充电需要数小时才能完成,即使采用快速充电也需几十分钟。
(3)使用寿命长。
超级电容器充放电过程中发生的电化学反应可逆性好,循环充放电次数理论值为无穷,实际可达100 000次,比电池的寿命高10~100倍。
(4)低温性能优越。
超级电容器充放电过程中发生的电荷转移大部分在电极活性物质表面进行,所以容量随温度的降低而衰减的量非常小;而电池在低温下容量衰减幅度可高达70%.
电能质量问题往往具有出现率高、持续时间短等特点,因此应用超级电容器作为储能设备进行快速补偿是一种理想的技术方案。
表1 3 种电化学储能元件的性能比较

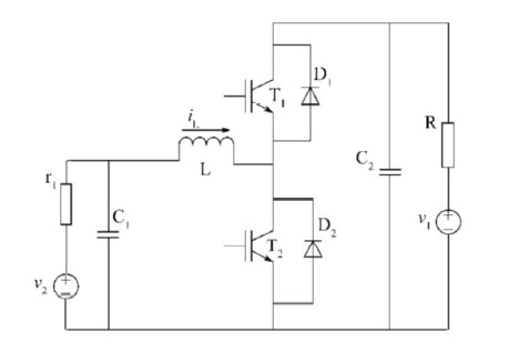
3 双向DC-DC 变换器主电路及工作原理
双向DC-DC变换器的主电路结构如图3所示。通过控制开关T1和T2,达到双向直流升压与降压的目的。在升压运行时,T2动作,T1截止,变换器工作在Boost状态;当T1动作,T2截止时,变换器工作在Buck状态,实现降压功能。

图3 双向DC-DC 变换器主电路
3.1 Boost 模式
开关T2处于恒脉宽调制方式下,双向DC-DC变换器主电路Boost 模式下等效电路如图4 所示。当T2 导通时(图4(a)),电源v2向电感L充电,电能转化为磁能存储于L中,同时电容C2向v1供电;当T2关断时(图4(b)),电感L释放磁能向v1 供电。电感L的储能作用能使电压泵升,通过电容C2 稳压之后,可使输出电压高于输入电压。

图4 Boost 模式下等效电路
3.2 Buck 模式
开关T1处于恒脉宽调制方式下,双向DC-DC变换器主电路Buck 模式下等效电路如图5 所示。当T1 导通时(图5(a)),v1通过电感L给v2充电,部分电能转化为磁能存储于L中;当T1关断时(图5(b)),电感L中存储的磁能转化为电能,通过二极管给v2充电。Buck模式电流流向与Boost 模式的相反。

图5 Buck 模式下等效电路
4 超级电容器充放电控制策略
根据超级电容器的特点,本文提出了充电恒流、放电双闭环的分时控制策略。
4.1 超级电容器充电控制
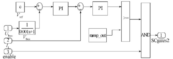
直流母线工作在正常电压范围内,当超级电容器阵列电压低于额定工作电压时,对超级电容器进行充电,其充电控制框图如图6 所示。通过实际充电电流与参考充电电流的滞环比较及对最大开关频率的限制,产生信号控制恒流充电。恒流充电有利于对储能装置的保护,且动态响应较快。

图6 超级电容器充电控制框图
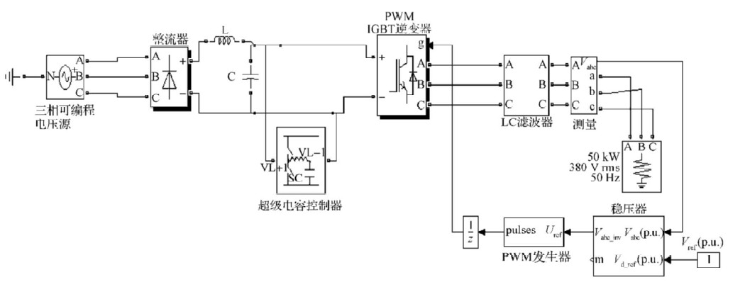
4.2 超级电容器放电控制
超级电容器放电控制系统采用电压外环、电流内环的双闭环结构(图7 )。利用电压环计算得到电压偏差,之后计算出电流环参考值;电流环根据参考值得到合适的补偿电流,通过传递函数变换得到补偿值。图7中:

,Vref为给定的电压控制量,Kv为电压反馈放大系数,Ki为电流反馈放大系数,Gvd为S 域的控制电压,Gid为S域的控制电流,为占空比扰动量,为高压侧输出电压扰动量。

图7 双闭环控制结构框图。
对于Boost 模式工作状态,使用状态空间平均法可得到其状态方程:

式中:v1--高压侧输出电压;v2--低压侧输入电压;α --时间系数,相当于占空比,α =ton÷(toff+ton);iL --电感电流;R--限流电阻;L--充放电电感量;C--超级电容容量;r1 --电容器内阻。
对状态方程施加小信号干扰,则有瞬时值:

式中:V1 --高压侧输出电压稳态值;V2 --低压侧输入电压稳态值; iL^--电感电流扰动量; v2^--低压侧输入电压扰动量;D--静态占空比;d--动态占空比。
将式(2)代入式(1),得到稳态方程:

通过对该状态空间平均方程进行干扰,可得到S 域的控制电压(式(4))和控制电流(式(5))的传递函数:

式中:D′=1-D.
S 域的扰动电压、电流小信号传递函数如下:

5 仿真研究
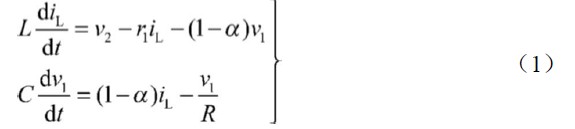
为了验证参数以及控制策略,选择20 0 只2. 7 V/2 700 F双层电容器串联构成超级电容阵列,使用Matlab/Simulink软件进行仿真实验(图8)。

图8 仿真模型结构图
系统采用阻性负载,参数说明如下:系统相电压E=220 V;超级电容阵列电容容量CS=13.5 F,r=0.2Ω,充放电电感为L=1 mH,工作电压范围在300~530 V,最大输出功率为4 kW;仿真运行时间为10 s.当直流母线工作电压正常、超级电容电压低于工作电压时,母线对超级电容器充电(图9);当直流母线电压低于系统工作电压下限时,超级电容器放电(图10)。
装置电源电压为380 V,直流母线电压在1s时刻发生幅度为80%的电压暂降,超级电容电压暂降抑制装置并入直流母线前后母线电压的仿真波形如图11 和图12所示。

图9 超级电容充电控制图

图10 超级电容放电控制框图

图11 未加抑制装置、直流母线电压暂降80% 时波形

图12 加抑制装置、电压暂降80% 时的波形
在1s时刻直流母线上发生幅度为20%的电压暂降,超级电容电压暂降抑制装置并入直流母线前后母线电压的仿真波形如图13和图14所示。

图13 未加抑制装置、电压暂降20% 时的波形。

图14 加抑制装置、电压暂降20% 时的波形。
以上仿真的电压暂降均为三相电压发生暂降,在发生单相以及两相暂降时,直流母线上电压的有效值比三相的更低,因此本文未进行仿真介绍。
6 实验验证
实验设计为发生电压暂降时,未投切和投切抑制装置的情况下直流母线电压的变化作为一组对照验证装置的可行性。超级电容器选用实验室用超级电容模块,它由200个2.7 V/2 700 F双层电容器串联而成;负载采用7.5 kW电炉,实验电路结构如图15所示。

图15 实验电路
通过模拟扰动,使直流母线发生80%电压暂降,电压由510 V下降到200 V(图16)。图17示出在直流母线上并联超级电容电压暂降抑制装置后的直流母线电压波形。

图16 未加抑制装置、直流母线电压暂降80% 时波形。

图17 加抑制装置、电压暂降80% 时的波形。
图18示出发生20%电压暂降(即直流母线由510 V下降到400 V左右)时直流母线电压波形。并联超级电容电压暂降抑制装置后,直流母线电压得到了较好的支撑,其电压波形如图19 所示。

图18 未加抑制装置、电压暂降20% 时的波形。

图19 加抑制装置、电压暂降20% 时的波形。
由以上两组对比实验可以看出,直流母线发生电压暂降时,并入超级电容电压暂降抑制装置后,暂降抑制效果十分明显,波形较为平稳,响应时间为10 ms 左右且无较大波动,证明该装置能有效抑制直流母线的电压暂降。
7 结语
针对具备整流逆变结构的设备(即具有直流母线),本文提出了运用双向半桥DC-DC结构结合超级电容器的方式治理电压暂降问题,研究了其PWM控制方式,结合超级电容器充放电电流特点,提出了充电恒流、放电双闭环的分时控制策略,通过仿真验证了算法的响应速度和抑制精度;结合仿真结果,搭建了实验电路,并对装置的性能进行了验证(未考虑交流负载电压的变化以及双向DC-DC在大功率下的性能)。作为一种基于电力电子技术的电压暂降治理新型装置,超级电容电压暂降抑制装置具有非常广阔的应用前景。<
