随着科技的飞速发展、高分辨率的数模混合电路的应用不断深入,电路设计日趋复杂,精度越来越高,所以高精度AD转换电路的设计就成了仪器仪表及各种测量控制系统的难点。本系统来源于仪器仪表的温控系统设计,采用高精度、低温漂的优质模拟、数字器件,辅以52系列单片机为控制器,以复杂可编程逻辑器件 CPLD (Comp lex Programmable Array Logic)为频率测试的硬件平台,实现了高分辨率、低线性误差的AD转换器的设计。通过本设计掌握高精度、低漂移的高端AD转换器的设计方法, CPLD的设计,以及52系列单片机的硬件设计及软件编程。
1 系统功能及结构
系统主要目的是设计一个16位的VFC式AD转换器,利用积分原理,将输入电压(或电流)转换成频率输出。采用计数频率高的CPLD器件实现测频,单片机控制CPLD的测频操作和频率的计算。
用V /F转换器完成AD转换,需要1个定时器和2路计数器,计数器的计数频率限制了V /F器件输出频率的提高。本设计采用计数频率更高的CPLD器件和单片机共同组成测速模块, CPLD通用性好,避免了对于专用器件的依赖,降低了因专用器件停产或出现供贷问题所带来的风险,同时实现所需的控制。
VFC式AD 转换器脉冲频率与输入电压成比例,其精度高、线性度好、转换速度居中、转换位数与速度可调、与CPU的连线最少,且增加转换位数时不会增加与CPU的连线,因此, VFC为AD 转换技术提供了一种廉价而有效的解决办法。
系统总体可以划分为电压采样部分、模拟- 数字转化部分,控制部分。其中电压采样部分包括:精密测试电压源。模拟- 数字转化部分包括:电压放大和偏置,V /F转换模块,计数转化模块。控制部分包括:控制器模块,键盘,显示模块,系统原理框如图1所示。
为实现各模块的功能,分别选取了较好的方案实现: ①精密基准源,精密低温漂高档基准源,分压;②电压放大及偏置,运算放大器ICL7650; ③V /F转换,采用AD652芯片; ④频率测试,采用CPLD (复杂可编程逻辑器件) ; ⑤控制器,采用凌阳的SPEC061A单片机; ⑥显示,采用液晶屏; ⑦电气隔离,采用光电耦合,所设计的系统如图2所示。

图1 系统原理框图

图2 所设计的系统框图
2 系统硬件设计
2. 1 精密测试基准源
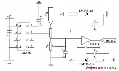
对于16位的AD转换器,满幅度输入电压仅为100 mV,如果要测试它的性能,则需要极高精度和非常低温漂的基准源, 电路原理如图3 所示。
AD586是AD公司高精度5 V的基准电压源,温漂低至2 10 - 6 /℃,噪声为100 nV /Hz,通过固定电阻和可调电阻进行分压产生0 ~100 mV 的电压。为了增加电压的负载能力,须进行电压跟随。OPA333是零漂移精密运放,漂移最大为0. 05μV /℃。同时采用两个2. 5 V的基准源LM336以降低电源波动的影响。LM336 的输出电流为10 mA, 可满足OPA33的需要。分压用的电阻为指针式10 圈可调,可以达到理想的精度。

图3 基准源电路原理图
2. 2 电压的放大及偏置
0~100 mV 的电压不能直接送给V /F 变换AD652,而必须经过精密放大和进行电位的偏置,这样才能达到设计的精度。选择具有斩波稳定功能的ICL7650运算放大器,它可以提供低的偏置电 流(10pA) 、偏置电压和相对时间、温度的稳定性。输入的0~100 mV电压经过40倍的放大后,产生0~4 V的输出,因为AD652在0 V输入的情况下,输出频率也是0,这样计数得到频率难以达到16 位的精度,所以将输入(0~4 V)的直流偏置设置为1 V,从而产生1~5 V的输入信号送给AD652;运放的电阻须选用1 /1 000 精度的,保证了V /F变换的精度。
其原理图如图4所示。

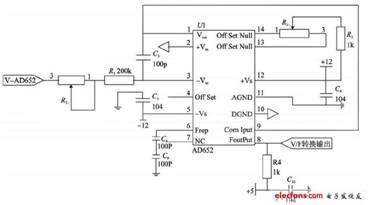
2. 3 V /F转换电路
电压/频率转换即V /F转换,是将一定的输入电压信号按线性的比例关系转换成频率信号,当输入电压变化时,输出频率也响应变化。
本设计采用专用集成芯片AD652,辅以的外围电路即可实现V /F转换,如图5所示。AD652是美国ANALOG DEV ICES公司推出的高精度电压频率(V /F)转换器,它由积分器、比较器、精密电流源、单稳多谐振荡器和输出晶体管组成。该电路在±15 V电源电压下,功耗电流小于15 mA,满刻度为1 MHz时其非线性度小于0. 07 % , 最佳温度稳定性为±150 ppm /℃。用AD652实现V /F转换,可以满足较高的满刻度频率响应和较低的最佳温度稳定性。

图5 V /F转换电路
由于使用外部时钟设置满量程输出频率,AD652可以获得更高的线性度和稳定性。通过使用同一时钟驱动AD652和设置计数时间闸门,转换精度与时钟频率无关,不因时钟频率的改变而改变。
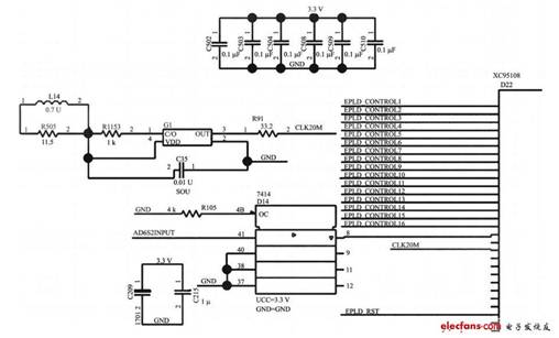
2. 4 基于CPLD的频率计电路
在本系统中, CPLD采用美国XIL INX公司生产的XC95108CPLD (复杂可编程逻辑器件) ,其片内有108个宏, 2 400个门,频率可以达125 MHz,引脚间延时715 ns,供电电压5 V或313 V的在系统可编程器件,其可供用户使用的I/O口数在64个以上。
XC95108采用FLASH编程工艺,可反复擦写,所设计的电路如图6所示。
由于输入的信号是交流信号而CPLD (可编程逻辑器件)和施密特触发器是数字芯片,不识别负信号,需将输入交流信号变为直流信号,用两个电阻实现电压钳位功能,钳位后的信号经7414 (施密特触发器)整形为方波后直接输入CPLD 对其计数。
由于CPLD可以实现高速响应,可以实现准确计数。
频率计测得的数据为此系统的AD转换结果,转换精度受基准晶振和AD652的V /F满刻度时的量程的影响,由于CPLD 的基准晶振选用的是20MHz的高精度晶振。设计的AD 转换频率为50kHz,所以在计数周期内基准晶振脉冲个数为400,CPLD因为随机时间出现的误差仅为一个脉冲,而AD652的满刻度频率高,可达 1MHz,所以精度可达到几千分之一。

图6 基于CPLD的频率计电路原理图
2. 5 单片机控制电路
控制部分采用凌阳SPEC061A 单片机。
SPCE061A是凌阳科技新推出的一个16位结构的微控制器,它在2. 6~3. 6 V工作电压范围内的工作速度范围为0. 32~49. 152MHz,较高的工作速度使其应用领域更加拓宽。2 K字节SRAM和32 K字闪存ROM仅占一页存储空间, 32位可编程的多功能I/O端口;两个16位定时器/计数器; 32 768 Hz实时时钟;低电压复位/监测功能; 8通道10位模- 数转化输入并具有自动增益控制功能的麦克风输入方式:双通道10位DAC方式的音频输出功能等。SPCE061A是数字声音和语音识别产品的一种最经济的 应用。
在本系统中, SPCE061A主要实现CPLD信息读取,键盘接口和显示模块控制等功能。

图7 单片机结构框图
2. 6 显示接口设计
在显示方面,由于LCD (L iquidCrystalD ISp lay)具有以下特点:
(1)低工作电压,低功耗。
(2)显示柔和,字迹清晰。
(3)不怕强光照射,光照越强,对比度越大,显示效果越好。
(4)体积小,重量轻,平板型。
(5)可靠性高,寿命长。
因此本设计采用128 ×64的图形点阵液晶显示器来显示频率流量信息,液晶采用4行显示,显示信息丰富,可以满足不同用户的需求。同时,该液晶采用串口传输数据,每秒刷屏一次,节约了单片机的资源,为今后的继续开发和升级打下基础。
2. 7 其它辅助抗干扰措施
一般来说,测控系统的功能设计与制作并不复杂,功能设计不过的是系统设计的起点,系统能否在运行过程中准确无误地实现这些功能才是系统设计的关 键。由于实际工作环境中存在各种各样的干扰源,这些干扰源对系统的可靠运行往往会产生不利,甚至会产生意想不到事,更有甚者的是造成整个系统的瘫痪和无法 工作运行,导致实验生产设备的损坏和事故的发生,因此,测控系统的抗干扰防范措施在整个系统的设计中占有举足轻重的位置。本设计增加了如耦合电路、后备电 源监测系统、印刷电路板等硬件抗干扰设计,减少干扰源对系统的可靠运行所带来的不利影响。
3 系统通信流程及软件的实现
系统中的应用软件是根据系统功能要求设计的,总的原则主要从以下几方面考虑:
(1)根据软件功能要求,将系统软件分成若干个相对独立的部分。根据它们之间的联系和时间上的关系,设计出合理的软件总体结构,使其清晰、简 洁、流程合理;(2)采用结构化程序设计,各功能程序实行模块化、子程序化。既便于调试、链接,又便于移植、修改;(3)建立正确的数学模型。根据功能要 求,描述出各个输入和输出变量之间的数学关系,它是关系到系统性能好坏的重要因素;(4)为提高软件设计的总体效率,以简明、直观的方法对任务进行描述, 在编写应用软件之前,绘制出程序流程图。这不仅是程序设计的一个重要组成部分,而且是决定成败的关键部分;(5)合理分配系统资源,其中最关键的是片内内 存分配。分配时应充分发挥其特一长,做到物尽其用;(6)加强软件的抗干扰设计,提高计算机应用系统的可靠性。根据以上设计原则,软件设计采用模块结构, 整个软件包括主程序、采样子程序数据处理子程序、显示子程序等模块。
根据以上原则要求设计了系统的软件程序流程图如图8所示:

图8 控制程序流程图
4 测试结果及分析
对所设计的电路的V /F转换的性能进行了测试,结果如图9所示。

图9 V /F转换测量对比值
通过示波器观察,每秒钟50 000个脉冲,即转换频率为50 kHz。由测试结果图可知此次VF转换满足了高分辨率和较低的非线性度的要求,分辨率可达16位,线性误差《0. 2 %,转换频率可达50 kHz。
5 结论
本次设计应用V /F转换器实现高分辨率AD转换,具有较高的满刻度频率响应、低功耗和较低的非线性度等特点,广泛应用于仪器仪表对温度的控制中,满足对设定温度控制稳定 性的要求。在系统设计中采用CPLD实现频率计数功能,是数字系统精确测量频率一种方法:在采样时间内同时对标准频率信号和被测频率信号计数。采样完成 后,把二者的计数值相比,再乘以标准频率就可以得到被测频率的精确值。
