由于目前使用的射频功率放大器(PA)缺乏高效率,为手持计算设备添加无线通信功能需要使用特殊的电源管理技术。一些通信协议允许突发传输技术,在没有发射信号时关断电源(通过占空比控制),但是在传输过程中PA效率的典型值却不高于40%至60%。相反地,手持设备中的主电源效率的典型值为90%至95%。
许多手持设备使用一至四节的非可充电碱性电池工作。与背光显示相关的其他设备则要求使用更高瞬时功率的镍甚至锂电池以延长电池寿命(在充电或者电池被替换期间)。不管电池的类型和配置如何,在调制解调器中,为了保证系统合理的工作寿命,无线通信的调制解调、PA和射频电路要求使用更高容量的电池。
典型的系统如PCMCIA无线调制解调器,用于传输蜂窝数字数据包(CDPD)。这样的设备可以插入到手持个人数字助理(PDA)中,或者是运行Windows? CE系统的手提电脑中,使用3.3V的电源工作仅消耗几百毫安电流。为了避免主电池的过度漏电,PCMCIA卡通常包括一块备用电池。备用电池可在传输过程中提供电源涌动,通常还具有低的等效串联电阻(ESR),这在当今流行的可充电化学电池中较为常见。无线通信链路的实际电源主要取决于PA的发射功率和效率。
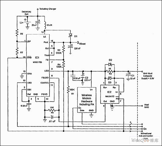
例如,无线数据通信链路中的供电电源(包含备用电池)必须与工作在3.3V电源的主机手持系统交互(图1 - 注意适合于手持系统的微型封装:IC1为16引脚QSOP封装,IC2为8引脚μMAX?封装)。备用电池为单节锂离子电池,全充电电压为4.1V至4.2V,残余电量不低于2.9V。IC1将备用电池电压转换至3.3V,而IC2则使最终的备用电压在12mV (0.36%)的误差范围内跟踪主电源电压。

图1. 该电路为手持设备添加无线调制解调器和功率放大器,同时提供合适的电源管理功能。
跟踪电源电压对于无线硬件和主机的交互非常重要。这样保证了双向数据和控制线获得正确的逻辑电平,而且防止过流从主电池流向调制解调器硬件以及从备用电池流向主电池与电子器件。
该电路工作原理如下:首先,考虑调制解调器插入到主机的PCMCIA插槽之前调制解调器的状态。几乎没有能量或者很少的能量能够从备用电池吸收过来,因而在这种状态下调制解调器的电源必须禁用。备用电源的开关控制线为IC2的PG\引脚。因为当调制解调器没有连接时为IC2供电的主机VHH电压不存在,IC2处于关断状态。
IC2电源关断时电源好(PG\)输出(内部为开漏n沟道MOSFET)为高阻,此时IC2仅吸收漏电流。当PG\输出为高阻时,两个电阻分压器(R6/R7,通过IC1内部比较器监测备用电池电压,而R3/R4在电源上电时设置VBOOST电平值) 作为ONB\线的上拉电阻关断IC1电源。在电源关断期间IC1开关模式升压调节器和低压差(LDO)调节器均被禁用。因而有1μA漏电流通过分压器和1mA电流流入IC1,电池漏电流的典型值为2μA。
考虑电源上电时功率的要求:如果功率放大器(PA)必须提供0.6W和50%效率,需要1.2W输入功率。如果工作在50%占空比时(收发时间相等),那么PA的有效功率为0.6W。在3.3V电压工作时,负载吸收约180mA的电流。如果调制解调器的其余部分从3.3V电源吸收40mA电流,那么无线通信链路的总共供电电流在3.3V电源工作时为220mA1。
IC1升压调节器在2.7V电源输入时能够提供(在VBOOST引脚)大约800mA电流,使用本征耗尽的Li+电池(2.9V至3.0V)则能够提供1A或者更大的电流。即使如此仍使用内部低效率的LDO为PA和其他的调制解调器硬件供电, LDO电流标称值为300mA,最小额定值为220mA。主要的原因是噪声抑制问题。LDO在300kHz频率工作时PSRR值约为38dB,有利于抑制VBOOST引脚上的PWM开关噪声。LDO内置的滤波器降低了对PA供电电压上和相关的射频发射部分的后级噪声抑制的要求或者根本就不需要,因而很容易通过联邦通信委员会(FCC)的辐射标准要求。另一方面,断续发射效率大约为8.3%。
VBOOST在3.3V附近跟踪VHH电压变化。备用电池在充满后电压高于VBOOST,而在电量接近于耗尽时,电压低于VBOOST ,因而LDO和升压调节器按顺序提供必需的降压/升压功能。SEPIC、反激和正向配置也能够实现降压和升压功能,但是它们都需要体积庞大、价格昂贵的电磁存储元件(变压器),并且缺少LDO所提供的噪声抑制功能。基于这样的考虑,图1所示的电路优于其它方案。
下一步考虑当调制解调卡插入主机的PCMCIA连接器中会发生什么情况。这一步作用是使得在相对应的电路地(GND)之间以及在所有的双向数据控制线之间电气上相连接。然后主机使用EN线来使能或者禁止调制解调器硬件。如果EN线在硬件交互时初始为低电平,那么所有的调制解调器硬件将被禁止,对LDO节点呈现高阻特性。
当主机VHH (正常3.3V)电源通过连接器给C1充电时IC2接收到电源,IC2最低工作电压可保证正确上电工作,即使VHH在其范围的下限(低于正常值的10%)。内部15μs延时使得VHH在/PG\输出变为低电平之前达到稳定(在V+端),同时通知主机此时能够通过EN线使能调制解调器电路。/PG\低电平(虚地)使得双电阻分压器接地,可用于检测电池和升压调节器的电压。
当VHH连接时,IC2在/PG\变低时将/ONB\拉低,IC1开始关闭通过L1的能量,提高VBOOST电压至约3.7V (通过R3/R4的反馈)。最初LDO关断,在VBOOST实现调节时打开,当LDO输出高于2.3V (应该是在3.3V,因为VHH已通过R2给C2充电) IC1进入跟踪模式。跟踪模式是IC1的一项特殊功能,能够迫使VBOOST电压高于LDO电压300mV,可通过连接IC1的OUT和TRACK引脚设置该功能。300mV的余量充许LDO保持稳定,即使在最大输出电流下也能保证所要求的PSRR。因为跟踪模式下电压被强制在所要求的最小值,LDO消耗电池的能量最少。
当IC1的FBLDO引脚为内部基准源电压(通常1.23V)时LDO处于调节状态。FBLDO电压由通过R5的电流产生,该电流正比于通过R2的电流。因而,IC2具有传输函数VOUT = gm(VSENSE)R5,其中VOUT为R5上的电压,VSENSE为RS+端与RS-端之间(R2)的电压,gm = 10-2 mho。当LDO调节时,VOUT = VFBLDO = 1.23V。因而VSENSE = VFBLDO/(gm*R5).
使用关系式VLDO = VHH + VSENSE替换上式中的VSENSE,
VLDO = VHH + VFBLDO/(gm*R5).
将图1所示电路中的数值代入,
LDO = VHH + 1.23/(10-2*104) = VHH + 12.3mV.
设置R5为10kΩ使得检测电压为12.3mV。根据上式,可以选择R2对从LDO到VHH的电流量编程。例如,R2 = 1kΩ,R2上电流约为12μA。
使用IC2 (高端检流放大器)的目的是使用低值高功率、精确的检流电阻精确测量高端电流。该应用在使用10%精度低功率检流电阻(例如1/16W表贴的电阻)中 并不常见。我们不关心从LDO到VHH的电流的准确大小。我们只关心这个电流尽量小。
使用高阻值(1kΩ)检流电阻的好处之一便是在 VLDO短路或者过载情况下仅通过R2从主机吸收大约3.3mA电流,这并不足于让系统崩溃。R2值不必为1kΩ;IC2吸收电流约为800mA,所以设置 R2 = 12mV/800μA = 15W,允许LDO节点(不是主机)为IC2供电。
在另一个可选的配置中,IC2的V+节点可直接连接到LDO而不是VHH。IC2从LDO得到电源,除了在上电期间,此时电源从VHH到R2给LDO供电。这种方案要求PA和调制解调器硬件关断,对LDO呈现高阻特性,使得R2上没有降电压,同样R2的值必须足够小以保证在正常工作(3V)时V+节点具有最小电压。如果 VHH = 3.6V或者更高,R2必须小于375Ωp。这个值保证了IC2在工作电流0.8mA时在VHH范围的下限(3.6V - 10%)不超过0.3V的压降。
肖特基二极管(D2,D3)与R2并联,在RS+与RS-之间过压时保护IC2。D2、D3引入小量的漏电流,不会影响电路的工作。与R5并联的电容使LDO反馈节点的高频噪声对地旁路,这样保证VLDO电压光滑平稳。前面提到,IC1包括一个具有不定输入和输出的比较器。在这个电路中,比较器监测备用电池电压,当剩余电量接近于能够保持通信连路工作的临界值时向主机报警。
注意到图1中的电路除了适合上述以外的情况外,还适应各种条件。它与其它通信总线兼容,适合用于无线调制解调器与手持设备的交互。例如,包括板卡总线和目前非常流行的通用串行总线(USB)。该电路也接受高达5V的主供电电压。为了获得更大的效率,在一些应用中可将PA直接连接到VBOOST而不是VLDO。这样,VBOOST不需要跟踪VLDO;可以通过单独调整反馈电阻的大小来分别控制这两个电压。
IC1在1.1V时启动,在低至0.7V电压时仍可工作,所以,即使在要求更低RF输出功率电平的升压应用中使用两节镍氢备用电池仍是可接受的。最终IC1是作为一个在重载下具有300kHz开关频率的低噪声PWM调节器。如果需要的话,可以通过将其频率与外部200kHz至400kHz频率的信号源同步(使用CLK/SEL线)来控制波形的谐波分量。在轻载条件中,辐射与传导能量相对较低,可以迫使IC1 (也是使用CLK/SEL线)进入脉冲频率调制(PFM)模式,此模式提供最高的效率以及最长的电池寿命。
