低压降稳压器(LDO)主要用于产生供音频和射频电路使用的低纹波、低噪声电源,也可以作为频率合成器和VCO的局部纯净电源。一般情况下,LDO的输入是在直流电压上叠加了宽带交流纹波的电源电压。流经电池和连接器阻抗的电流变化所引起的电气噪声就是其中一种宽带交流纹波。LDO可用来全面抑制这些寄生信号。LDO的输入端还可连接交换式稳压器的输出,以提供纯净、低噪声的输出电压,在这种应用中,LDO必须能够应付从100kHz到3MHz以上的开关频率。
首先,可将LDO稳压器视为一个具有开关功能的低损耗、紧凑型多节低通滤波器。然而,这种模型存在不少局限性,特别是抑制输入端宽带纹波的能力。假设工作电流小于250μA(对于合理的效率而言),IC设计师可以在低静态电流引起的增益带宽极限内优化一些主要性能,如噪声、调节和电源抑制比等。进一步的性能改进需要采取其它一些措施。
当需要高性能电源时,设计师应从向稳压器中增添尽可能多的功能开始。以下将以输出噪声为9μVrms、电源抑制比在10kHz时为80dB的AS1358-9组件为例,说明LDO设计实例。
电源抑制
在实际应用中,非理想的组件和寄生电容会改变线性稳压器的理想抑制特性。图1显示了改变或降低电路抑制能力的一些显著缺陷。

图1:P信道LDO显示了简化的寄生高频通道
线性调节率
LDO数据手册中有两个指标用于描述LDO抑制输入电压噪声等的能力,分别是线性调节率和电源抑制比(PSRR)。虽然它们看起来非常相似,但其中一个指标反映的是直流变化,另一个指针反映的是交流性能。
线性调节率代表了LDO抑制输入电压变化的能力。以下式表示:

在实际应用中,线性调节率可被视为稳压器输出电压VOUT随每伏特输入电压Vin变化的百分比,当同样的稳压器具有各种输出电压微调功能时这一点特别有用。

线性调节率是一个稳态直流参数,主要由零频率点上稳压器的开环增益所决定。
电源抑制比
这个指标衡量的是稳压器抑制叠加在正常输入直流电压上的交流信号的能力。

电源抑制比在低频时最大,依照实际稳压器设计,从1kHz到10kHz范围内开始下降。图2为AS1358-9 150mA/300mA低噪声、高电源抑制比LDO的典型PSRR特性。该组件在100kHz时仍具有60dB的良好PSRR值。

图2:AS1358-9组件的电源抑制比。
图2所示的曲线,是由取决于感兴趣频率的众多主导影响共同形成的。在直流与接近100Hz到1kHz区间内,抑制效果取决于带隙基准和稳压器误差信号放大器的开环增益。而在该区间之上直到约100kHz,抑制效果主要取决于误差信号放大器的开环增益。但在100kHz以上时,电源抑制比主要受输出电容、寄生组件以及调整管上的任何漏电流及封装影响。图1标示了这些组件。
如果对100kHz以上频率有额外的电源抑制要求(通常也是需要的),那么在输入端必须连接一个外部的预滤波网络来增强LDO的抑制性能。
外部网络
在实际应用中,只有两种预滤波方法值得考虑,这是因为必须防止在额外的组件上产生过多功耗,同时要保持稳压器的稳定性。

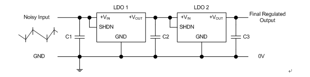
图3:串联LDO可产生很高的PSRR 
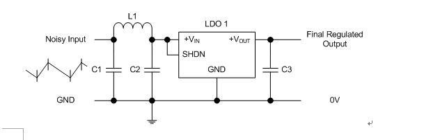
图4:外部输入网络可提供额外的抑制性能
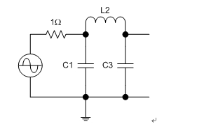
三极点巴特沃斯特性需要串联低值线圈和两个电容,其中一个电容通常位于LDO输入端。三极点巴特沃斯响应在4.5Fo处可提供额外40dB的抑制,其中Fo是-3dB点(见图5)。

图5:不同阶数N下的巴特沃斯阻带衰减。
相较方法1,额外的滤波器网络不会增加显著的直流阻抗损耗。不过设计时要特别小心,确保所选电感能够支持要求的直流电流而不至于饱和。巴特沃斯是很有用的特性,其中的通带特别平坦,这点与切比雪夫特性不同,后者为了获得更好的衰减率会牺牲通带和阻带纹波。图7显示级数在2和10之间的巴特沃斯滤波器衰减特性。
图6提出了归一化到1Ω源阻抗和1rad/s频率下的元件值。注意,滤波器输出端并未端接终端电阻,这将允许将其连接到线性稳压器的高输入阻抗上。D栏包含了由非理想元件引起的损耗,并标示了通带损耗。对电源滤波来说,不必严格地符合巴特沃斯特性;毕竟滤波器在直流点只有很小的损耗。

图6a:归一化到1Ω和1rad/s的三极点巴特沃斯统一耗散值。

图6b:三极点巴特沃斯统一耗散滤波器。
下列表达式用于去归一化图8a中的值:


针对电源应用,选择的实际源阻抗为RACTUAL=0.1Ω。如果C2固定为1μF(AS1358-9),那么必须反复选择w和a直到接近商用元件值为止。通带损耗不是主要问题,而额外的交流衰减在这个应用中非常重要。
假设C3=1μF,F-3dB=1MHz(Calc 1.082),RACTUAL=0.1Ω,那么C1=1.5μF(Calc 1.47),L2=38nH(D=0.4,a=6.82dB)。合适的线圈可从Coilcraft公司的Mini Spring系列(B09TJLC)或Midi Spring系列(1812SMS-39NJLC)这类中挑选。只要陶瓷电容(C1&C3)的寄生电感小于1nH,滤波器就有足够的衰减值。
本文小结
AS1358-9 LDO具有良好的噪声和电源抑制性能。只要在输入端增加一个简单的LC网络,即可实现额外的高频电源抑制比性能。
