概述
本参考设计针对便携式投影仪的6A降压型LED驱动器,参考设计基于PWM HB LED驱动器MAX16821,该电路可驱动一个LED;驱动RGB三色LED时需要使用三片MAX16821。
LED驱动器规格
- 输入电压范围(VIN):10V至15V
- 输出电压(VLED):4.5V至6V
- 输出电流(ILED):1.5A至6A,可模拟控制
- 模拟控制电压:1.1V至2.8V,对应1.5A至6A
- 最大LED导通占空比:50%
- 最大LED电流上升/下降时间:< 1µs
- 最大LED电流纹波:6A时,< 15%
输入
- VIN (J1和J2接VIN+,J3和J4接GND):10V至15V输入电源。
- 通/断控制(J8):浮空或连接到+5V,使能驱动器;J8短路时禁电路板工作。
- PWM输入(J7):PWM调光输入,连接一个幅度为3V至5V的PWM信号。为了保证PWM输入能够驱动Q1和Q7,信号源在驱动300pF负载时,上升/下降时间应小于500ns。由于输出信号的上升/下降时间控制在1µs以内,任何周期为1µs的3至4倍的PWM信号都可以使用。
- LED电流控制(J6):LED电流调节输入。加载1.1V至2.8V电压,可以在1.5A至5A范围调整LED电流。
输出
- LED+ (J9、J10):接LED阳极。
- LED- (J11、J12):接LED阴极。
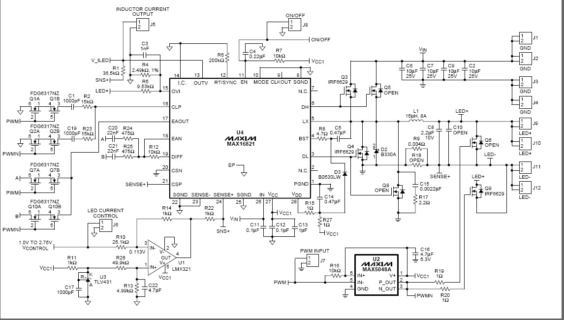
- 电感电流输出(J5):提供一个与LED电流成比例的信号。OUTV电压为R9电压的135倍。图1. MAX16821 LED驱动器电路板


电路说明
LED驱动器对10V至15V输入电源电压进行降压转换,恒流驱动一个正向导通电压为4.5V至6V的LED。使用MAX16821 PWM HB LED驱动器实现降压转换。由于平均电感电流等于LED电流,可以通过控制平均电感电流恒流驱动LED开关频率通过电阻R6 (200kΩ)设置为300kHz。
电路包含两个控制环路:内部电流环路根据外部电压环路的输出控制电感电流;外部电压环路设置内部电流环路,最终控制LED电流。外部电压环路监测OUTV引脚,U1的输出产生EAOUT信号。EAOUT信号控制内部电流环路,即控制电感电流。
模拟LED电流控制
运算放大器U1接受1.1V至2.8V的模拟输入,驱动MAX16821的SENSE+输入引脚,在1.5A至6A范围内调节LED电流。当LED电流达到6A时,连接到U1的参考电压和电阻分压器在U1输出端产生大约20mV (高于VOL的最差值)的电压。2.8V的模拟控制输入产生该输出电压。LED电流上升到6A时,R1和R22构成的电阻分压器将OUTV的电流检测信号分压,产生一个很小的电压叠加在U1输出端;由R1和R22生成的电压等于SENSE+输入端100mV的外环参考电压。注意,OUTV信号是R9、R18电流检测信号放大后的电压,放大倍数为135V/V。随着模拟控制输入电压从2.8V开始下降,U1的输出电压从20mV开始线性增大。U1输出电压的升高,使SENSE+输入在较低的LED电流下达到100mV。当模拟控制输入降至大约1.1V时,U1输出增加到80mV,LED电流降至1.5A。
PWM调光
在PWM处于关闭状态时,LED输出端MOSFET Q9导通,LED短路。LED电流降至零,具体取决于Q1的导通时间(本设计中远远小于1µs)。PWM处于关闭期间始终保持电感电流。PWM开始导通时,Q1关闭,电感电流对输电容充电。输出电压一旦达到LED的起始导通电压,LED电流开始上升。LED电流从0A上升到满幅值的时间取决于几个因素:电感电流、输出电容以及LED的正向导通电压的变化。本参考设计仅在LED电流设定为6A时满足< 1µs LED开启时间的要求。如需在降低的电流时得到快速的LED开启时间,可增大电感值并减小输出电容。
反馈补偿
电阻R2和R23限制高频电流环路的增益,补偿次级谐波振荡。在电流环路传输函数中远远低于单位增益频率的位置设置一个零点,既可以保证在低频区有足够的增益,又可以保证电感电流的误差非常小。利用C1、C19构建该零点。在PWM关闭、导通时,Q1和Q2交替连接到RC网络,实现补偿。本设计可保持C1、C19的电量,使PWM响应更加迅速。
由于直接测量电感电流,驱动电路的传输函数中没有输出极点。外部电压环路简化成一个单极点系统,而电压误差放大器在设定频率范围内确定这唯一极点。为了避免两个反馈环路相互干扰,C21和C22将外部环路的单位增益频率降至电流环路单位增益频率的十分之一。Q7和Q10保持补偿电容的电荷,保证在PWM脉冲变化时,电压误差放大器的输出能即刻切换至所要求的数值。电阻R24、R25可避免Q7和Q10状态变化产生的电荷注入而导致的C21、C22充/放电。
LED电流上升/下降时间
本设计要求在PWM工作产生6A LED电流时,LED电流的上升/下降时间保持在1µs以内。这就要求使用较小的输出滤波电容和较大电感,在满足LED电流最大纹波的要求的前提下满足上述条件。PWM处于关闭状态时,Q9导通,建立可编程的电感电流回路。如果LED电流设置为6A,电感电流将由MAX16821调整在6A。输出再次导通时,电感电流对输出电容C8充电。C8的充电速率决定了LED电流的上升时间,基于这一点计算C8的取值。因为Q9的放电速度远快于C8,所以LED电流的下降时间远远小于1µs。
电路波形


图4. 参考设计测试数据:LED电压(CH1)、LED电流(CH2)和CLP电压(CH3)

图5. LED电压(CH1)和LED电流(CH2)上升时间的测试数据

图6. LED电压(CH1)和LED电流(CH2)下降时间的测试数据
测试参数
温度测量
- VIN:10V
- IOUT:6A
- TA:25°C
- 电路板温度:+50°C
- Q3、Q4和Q9温度:+52°C
- U1表面温度:+47.5°C
- L1磁芯温度:+75°C (电流为5.8A时,L1温度高出环境温度40°C)
上电顺序
- 在VIN+和GND之间连接0至20V、5A电源(PS1)。
- 在J6 (V_CONTROL)连接0至5V电源(PS2)。
- 将额定值大于6A的LED通过尽可能短的连线连接到LED+和LED-,以降低引线电感。如果需要较长连线,请务必使用双绞线连接。
- J5、J8保持开路。
- 打开PS2电源,输出1.1V。
- 逐渐增大PS1电源输出,达到10V。LED被点亮,工作在1.5A连续电流。
- 将一个幅度为3V至5V、30%占空比的信号连接至PWM引脚。LED电流将由PWM信号控制通、断。
- 将PS2输出电压从1.1V调整到2.8V。在PWM处于导通期间,LED电流从1.5A上升到6A。
