引言
现在汽车上使用的电器越来越多,驾驶员需要手动操作的电器开关也越来越多,不但增加了驾驶员的负担,还影响了行车安全。本文以STM32F103VET6(以下简称STM32)芯片为控制核心,采用高性能LD3320语音识别芯片,设计基于语音识别的汽车空调控制系统。该系统可以用语音有效控制汽车空调,减轻了驾驶员的操作负担,保证行车过程中的安全。
1 系统硬件设计
运用语音识别技术,结合各种传感器对车身内外的环境(如气温、阳光强度等)以及制冷压缩机的状态等多种参数进行实时检测,与设定参数相比较,微控制器经过运算处理做出判断,输出相应的调节和控制信号。执行机构经过实时调整和修正,实现对车厢内空气环境全方位、多功能的调节和控制。系统的执行机构主要包括温度风门电机、模式风门电机、循环风门电机、鼓风机、压缩机、除霜控制继电器等。图1为系统结构框图。

1.1 主控制器
主控制器为基于ARM Cortex—M3内核的32位微控制器STM32F103VET6,内置64 KB RAM、512 KBFlash,以及丰富的增强I/O端口和联接到两条APB总线的外设,主要控制传感器模拟信号的采集、语音信号的收发和汽车空调控制信号的输出。
1.2 语音识别模块
语音识别芯片选用的是ICRoute公司的LD3320芯片。该芯片集成了语音识别处理器和一些外部电路,包括A/D转化器、D/A转换器、麦克风接口、声音输出接口等。本芯片在设计上注重节能与高效,不需要外接任何的辅助芯片(如Flash、RAM等),直接集成在现有的产品中即可以实现语音识别功能。识别的关键词语列表是可以任意动态编辑的。

参照LD3320数据手册,语音识别控制电路采用LD3320与STM32通过SPI串行方式进行连接。语音识别模块控制电路如图2所示。首先,要将MD接高电平,芯片时钟信号CLK连接到STM32时钟信号输出引脚MCO(PA8)上。引脚MBS是麦克风偏置,接了一个RC电路,保证能输出一个浮动电压给麦克风。
1.3 SD卡存储模块
要实现具有人机交互功能的语音识别控制系统,需要存放大量的MP3音频文件。本系统中,MP3音频播放文件存放在SD卡上,语音识别关键词也存放在SD卡上,这样可以很方便地更改要识别的关键词,而不需要更改程序内容。主控STM32将MP3数据依次从SD卡读出来,送入LD33 20芯片内部,这样就可以从芯片的相应的引脚输出声音。SD卡硬件连接如图3所示。SD卡与STM32通过SPI方式进行通信。将SD卡片选信号CS、数据输入信号DI、数据输出信号DO、时钟信号SCLK分别与STM32的PC11、PD2、PC8、PC12引脚连接。

1.4 传感器模拟信号输入模块
传感器模拟信号是控制系统的输入信号源。传感器把非电量的物理量变成电量后并不一定适合A/D转换器直接应用,还必须经过放大、滤波、隔离及保护措施,才能送给单片机。单片机通过检测这些传感器信号来判断系统的温度、湿度等是否满足用户的要求。以车内温度传感器为例分析,温度信号采集硬件连接图如图4所示。本系统采用NTC公司的高精度车内温度传感器Rntc,Rntc和电阻R0分压后输入到单片机。Rntc电阻值可以近似地用如下公式表达:
![]()
其中,R1为绝对温度下T1时的电阻值,T为要检测的温度,Rntc为该温度下的电阻值,B值反映了温度变化与阻值变化的关系。单片机信号输入端得到的电压为:
![]()
根据公式(2)电压计算出当前温度传感器的电阻,再由公式(1)计算出要检测的温度。
1.5 压缩机驱动模块
压缩机的动力是由发动机提供的,连接发动机和压缩机的重要电子部件是电磁离合器。根据汽车空调运行情况和压缩机开关的工作电压,单片机控制继电器吸合或断开,以此控制压塑机电磁离合器的吸合与断开。当蒸发器温度一旦低于设定值,压缩机就停止工作;反之,压塑机保持正常工作,开始制冷。汽车空调蒸发器就是一个热交换器,通过热交换将进入蒸发器的气体变为冷风,从而达到制冷的目的。控制蒸发器温度是空调自动控制系统的重要任务。

1.6 风门电动机驱动模块
汽车空调伺服电机选用直流电动机。伺服电机根据功能分为内外循环电动机、混合风门电动机、模式风门电动机。电机采用两个TA8083F系列芯片驱动,每个芯片可以驱动两个伺服电机。该芯片的输入端口可以直接和单片机连接,STM32单片机的PE0~PE3引脚分别与驱动芯片DI1A、DI2A、DI1B、DI2B引脚相连接。其硬件电路如图5所示。

根据输入信号的不同,电机工作状况也不同,具体的工作情况如表1所列。

1.7 鼓风机驱动模块
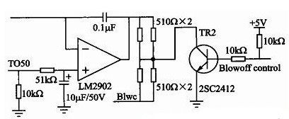
鼓风机驱动电路如图6所示。用四合一集成运算放大器LM2902将单片机的PWM输出信号T050放大,经放大后的信号Blwc传送给风机调速模块,从而调节鼓风机的转速。单片机输出信号Blowoff control作为控制鼓风机的开关信号。2SC2412作为控制鼓风机运转的开关。当单片机输出高电平时,2SC2412导通,鼓风机停止运转;当单片机输出低电平时,2SC2412反向截止,鼓风机正常运转。

1.8 后除霜驱动模块
前、侧挡风玻璃上的霜层通常是通过在汽车空调系统的风道中,调整模式风门的位置,利用空调系统中产生的暖气(或流动的空气),达到清除结霜的目的。对后挡风玻璃的除霜,常采用除霜热线。除霜热线是把数条电热线(镍铬丝)均匀地粘在后窗玻璃内部,各线两端相接,形成并联电路。当两端加上电压后,电热线就会升温而加热玻璃,从而达到防止或清除霜层的目的。后除霜控制电路如图7所示。IG2为汽车空调电源,单片机输出信号Defr通过三极管NIF5002N来控制继电器的通断,从而控制除霜热线的通断,来达到后除霜的目的。
2 系统软件设计
本系统软件设计采用C语言开发,用Keil uVision4软件进行编译。开发过程按照模块化分块进行,系统的主要模块包括语音识别模块、语音播放模块、SD卡模块以及空调控制模块。
2.1 语音识别模块
语音识别模块采用中断的方式进行工作,其工作流程大致为芯片初始化、写入识别列表、开始识别、中断响应并获取识别结果。语音识别流程如图8所示。在初始化程序里,主要完成软复位、模式设定、时钟频率设定和FIFO设定。在写入识别列表之前,首先要读取寄存器B2的值,检查LD3320是否处于空闲状态;然后,把识别语音列表信息写入LD3320的05和B9寄存器中,每个识别条目是标准普通话的汉语拼音(小写),每两个汉语拼音之间用一个空格间隔。在完成添加语音识别列表后,设定寄存器35的值为45H。此处设定的值越大,代表麦克的音量越大,识别距离也越远,但是可能产生较多的误识别;值越小代表麦克的音量越小,需要近距离说话才能启动语音识别功能,识别率也高。设定寄存器37值为06H,启动语音识别,即可开始语音识别。如果麦克风采集到声音,不管是否识别出正常结果,都会产生一个中断信号。进入中断函数后,首先清零寄存器29和寄存器02;然后,检查B2寄存器是否为0x21。若值为0x21,表示闲,可以检测2B的值;若为1,表示语音识别有结果产生。寄存器BF读到数值为0x35,可以确定是一次语音识别流程正常结束。寄存器BA表示语音识别有几个识别候选结果。最后,可以读取寄存器C5,获取识别结果。

2.2 语音播放模块
语音播放的软件设计流程包括通用初始化、MP3播放初始化、播放音量调节、开始播放声音以及中断响应。通用初始化时,首先连续读取寄存器06,相当于激活了芯片;然后,按顺序设置相关寄存器的值。MP3播放初始化时,首先要设置寄存器BD的值为02H,启动MP3播放模块;然后,向寄存器17写入48H,激活DSP。语音播放模块的音量分为16级,用4位二进制表示,这里需要设置寄存器8E的第2~5位的值来调节播放音量。当播放语音时,首先需要清零,开始播放位置。将寄存器1B的第3位设为1,然后执行循环。当播放条件为真时,顺序将MP3数据放入寄存器01(每次1个字节),播放位置值增加1。当寄存器06的第3位等于0或者播放位置小于MP3文件的总长度时,就跳出循环。等到芯片播放该段后会发出中断请求,而中断函数会不断接收数据,直到FIFO-DA-TA装满或声音数据结束。
2.3 SD卡模块
此模块分为SD卡初始化和SD卡数据读取。SD卡初始化时,在发送CMD命令之前,在片选有效的情况下,首先要发送至少74个时钟,否则将有可能出现SD卡不能初始化的问题。然后,就可以发送复位命令CMD0。发送复位命令后等待8个时钟周期,进入SPI总线模式,接着发送CMD1命令。如果正确接收响应信号,表示SD卡初始化完成,可以接受后续读写命令。初始化完成后,发送CMD17读命令。判断响应值是否全为0,然后,判断接收数据开始令牌是否为0xfe,如果是,就可以接收正式数据和CRC码。
2.4 空调控制模块
空调控制模块主要包括信号采集模块、风门电机控制模块、鼓风机控制模块、压塑机控制模块、后除霜控制模块5个子模块。空调控制流程如图9所示。首先,进行系统的初始化。若点火开关正常启动,信号采集模块开始采集传感器数据,根据采集到的数据,判断是否满足风机启动条件。若满足条件,则设置风机PWM占空比,进而调节风量的大小。当风量大小满足要求时,接下来就要判断是否满足压缩机的启动条件。若满足条件,启动压缩机;如果不满足条件,则判断风门位置是否满足条件。如果不满足条件,则调节风门电机转动,直到满足条件。最后,判断是否满足除霜条件,若满足则启动后除霜继电器。

在软件设计上,采用了指令冗余、软件陷阱和重复设置各种工作方式控制字等方法,消除干扰。使用“Watchdog”定时器,实时监测程序的运行;运用CPU运算与控制功能,采用算术平均法,实现数字滤波,消除传感器通道的千扰信号。
结语
本文介绍了基于语音识别的汽车空调控制系统,分别对硬件电路和软件设计进行了详细的介绍。本系统开发成本低、性能优越,系统测试表明,本系统具有一定的应用价值,可以用于中低档汽车。
