Bluetooth Low Energy是蓝牙标准组织Bluetooth SIG为应对来自其他低功耗无线标准竞争,新开发的超低功耗蓝牙传输标准。德州仪器的CC2540 是一款高性价比、低功耗的片上系统(Soc)解决方案,适合蓝牙低耗能应用,它以低总体物料清单成本,建立强健的网络节点成为可能。
CC2540基本特性
CC2540 包含一个出色的工业标准的8051内核的RF收发器,系统编程闪存记忆,8kB RAM和其他功能强大的配套特征以及外设。CC2540适用于低功耗系统,超低的睡眠模式,以及运行模式的超低功耗的转换进一步实现了超低功耗。CC2540有2中不同的版本:CC2540F128/F256,分别拥有128kB和256kB闪存记忆。与TI的蓝牙低功耗协议栈相连接,CC2540F128/256形成市场上既灵活又高性价比的单模式蓝牙低耗能解决方案。

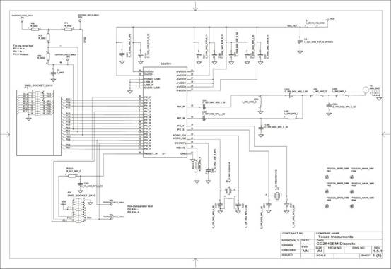
图1 CC2540原理图
CC2540蓝牙低能耗片上系统主要特性
•单芯片器件,6mm×6mm封装中的集成型控制器、主机与应用可缩小物理尺寸,降低成本
•基于闪存,器件固件可进行现场更新,数据可片上存储,从而可为开发商提高灵活性
• TI完整的解决方案,低功耗RF IC、全面的嵌入式单模式协议栈、配置文件软件以及应用支持
• RF性能,出色的长距离链路预算(高达+97dB)以及与其他2.4 GHz器件的良好共存性
•互操作性/兼容性:符合蓝牙规范4.0版标准的单模式(CC2540)与双模式器件(BlueLink 7.0蓝牙/FM单芯片解决方案、WiLink 7.0 WLAN/GPS/蓝牙/FM单芯片解决方案以及WiLink 6.0 WLAN/蓝牙/FM单芯片解决方案)可实现全面的链路测试与开发
CC2540方案特点
CC2540开发套件提供了完整的硬件性能测试平台和通用的软件开发环境的单模蓝牙低功耗(BLE)应用程序。该套件包括两个基于CC2540 RF评估模块、一个基于CC2540-USB加密狗、软件和硬件原型、电缆、天线和文档,运行快速,轻松地与CC2540的通用开发板(SmartRF05EB)。
CC2540评估模块可以插入SmartRF05EB板(包含在开发工具包中)。评估模块可以作为CC2540 RF IC性能验证和原型设计的参考模块。
SmartRF套件和SmartRF数据包嗅探器可以与工具包中的硬件一起使用(用于测试和调试)。评估板有一个电路内调试探头,因此在CC2540上运行的软件进行调试时,不需要额外的硬件工具。
详情请见:
http://solution.eccn.com/solution_2013012809142688.htm
本文为中电网及《世界电子元器件》杂志版权所有,如转载请务必注明出处。
