在节能环保意识的鞭策及世界各地最新能效规范的推动下,提高能效已经成为业界共识。与反激、正激、双开关反激、双开关正激和全桥等硬开关技术相比,双电感加单电容(LLC)、有源钳位反激、有源钳位正激、非对称半桥(AHB)及移相全桥等软开关技术能提供更高的能效。因此,在注重高能效的应用中,软开关技术越来越受设计人员青睐。
另一方面,半桥配置最适合提供高能效/高功率密度的中低功率应用。半桥配置涉及两种基本类型的MOSFET驱动器,即高端(High-Side)驱动器和低端(Low-Side)驱动器。高端表示MOSFET的源极能够在地与高压输入端之间浮动,而低端表示MOSFET的源极始终接地,参见图1。当高端开关从关闭转向导通时,MOSFET源极电压从地电平上升至高压输入端电平,这表示施加在MOSFET门极的电压也必须随之浮动上升。这要求某种形式的隔离或浮动门驱动电路。与之不同,低端MOSFET的源极始终接地,故门驱动电压也能够接地参考,这使驱动低端MOSFET的门极更加简单。
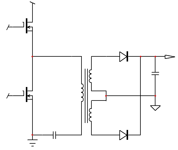
图1:LLC半桥拓扑结构电路图
所有软开关拓扑结构都应用带浮接参考引脚(如MOSFET源极引脚)的功率开关。在如图1所示的LLC半桥拓扑结构中,高端MOSFET开关连接至高压输入端,不能够采用主电源控制器来驱动,而需要另行选定驱动电路。这驱动电路是控制电路与功率开关之间的接口,将控制信号放大至驱动功率开关管所要求的电平,并在功率开关管与逻辑电平控制电路之间有要求时提供电气隔离。高端MOSFET驱动方案常见的有两种,一是基于变压器的方案,二是基于硅集成电路(IC)驱动器的方案。本文将分别讨论这两种半桥拓扑结构高端MOSFET驱动方案的设计考虑因素,并从多个角度比较这两种驱动方案,及提供安森美开云棋牌官网在线客服的建议方案。
变压器驱动方案
基于变压器的高端MOSFET驱动方案在设计过程中涉及到一些重要的考虑因素。例如,由于是对地参考点浮动驱动,如果设计中存在400 V功率因数校正(PFC)电路,则要保持500 V隔离。此外,要将漏电感减至最小,否则输出与输入绕组之间的延迟可能会损坏功率MOSFET。要遵守法拉第定律,保持V*T乘积恒定,否则会饱和。要保持足够裕量,防止饱和,尤其是在交流高压输入和瞬态负载的情况下。要使用高磁导率铁芯,从而将励磁电流(IM)降至最低。要保持高灌电流(sink current)能力,使开关速度加快。
基于变压器的驱动方案包含两种主要类型,分别是单驱动(DRV)输入和双驱动输入,参见图2a及图2b。单驱动输入方案中,需要增加交流耦合电容(CC)来复位驱动变压器的磁通。这种方案中的门极-源极电压(VGS)幅度取决于占空比;另外,稳态时-VC关闭,而在启动时灌电流能力受限。这种方案需要快速的时间常数(LM//RGS * CC),防止由快速瞬态事件导致的磁通走漏(flux walking)。另外,在设计过程中,也需要留意跳周期模式或欠压锁定(UVLO)时耦合电容与驱动变压器之间的振铃,需要使用二极管来抑制振铃。
单驱动输入包括带直流恢复的单驱动输入及带PNP关闭的单驱动输入。其中,带直流恢复的单驱动输入在稳态时VGS取决于占空比,但灌电流能力有限;后者则采用PNP晶体管+二极管的组合来帮助改善关闭(switching off)操作。此外,对单驱动输入而言,还不能忽略与门。如果与门驱动能力有限,要增加图腾柱(totem-pole)驱动器。
图2b显示的是双极性对称驱动输入方案的电路图。在这种方案中,两个输入(DRVA和DRVB)的极性相反,位置对称,故不同于单驱动输入方案,无需交流耦合电容。这种方案适合推挽型电路,如LLC-HB,但不适合非对称电路,如非对称半桥或有源钳位。这种方案需要注意线路/负载瞬态时的驱动变压器磁通,仍然需要强大的关闭能力。需要注意由泄漏电感导致的延迟,将泄漏电感减至最小,并使用双输出绕组而非单输出绕组。这种方案的另一项不足是关闭电阻(Roff)压降会导致额外的功率损耗。
图2:单驱动输入(a)与双驱动输入(b)变压器驱动方案电路对比
综合来看,变压器驱动方案有多项优势,一是变压器比裸片更强固,二是对杂散噪声及高dV/dt脉冲较不敏感,当然,成本也可能更便宜。但其劣势是电路复杂,需要注意极端线路/负载条件及关闭模式,且需注意泄漏电感及隔离,还要留意汲电流能力是否够强。
硅芯片驱动方案
与变压器驱动方案类似,硅集成电路驱动方案也包含单驱动输入和双驱动输入这两种类型,分别见图3a及图3b。不过,这些硅半桥驱动器既能用作高端MOSFET驱动器,也能用作低端MOSFET驱动器。硅芯片高端MOSFET驱动方案采用紧凑、高性能的封装,在单颗芯片中集成了驱动高端MOSFET所需的大多数功能,增加少数几个外部元件后就能提供快速的开关速度,提供闩锁关闭功能,输入指令与门驱动输出之间的延迟极低,功率耗散也较低。
图3:硅芯片驱动方案电路图:a双输入;b单输入
但在提供这些优势的同时,硅芯片驱动方案也有一些局限,如硅芯片内电压达600 V,需要高端隔离,且需要匹配高端驱动与低端驱动之间的传播延迟,避免使用任何不平衡变压器。此外,高端驱动器需要自举供电(bootstrap supply),并且需较高抗干扰能力,抑制高端驱动器的负电压影响。就高压隔离而言,需要在电路中增加脉冲触发器、电平转换器和同步整流触发器。其中,电平转换器维持高达600 V电压。就匹配延迟而言,在低端驱动器通道上加入延迟时间,从而补偿由脉冲触发器、电平转换器和同步整流触发器导致的高端延迟。而就高端驱动器的负电压而言,我们着重关注半桥支路来研究。连接至半桥支路的负载是电感型负载,类似于LLC半桥,或在最简单的情况下是同步降压结构。就降压转换器的实际工作来看,寄生电感和寄生电容等寄生参数随处可见,桥引脚上的负电压将会在驱动IC内部产生负电流,且负电压会在每个脉冲宽度增大,直到硅驱动器(或称驱动器IC)失效。若能在宽温度范围内将负脉冲保持在恰当的区域内,驱动器将正常工作;否则,驱动器将不会正常工作或可能损坏。
安森美开云棋牌官网在线客服在-40℃至+125℃的完整温度范围内定义驱动IC的电气参数,相关的高端MOSFET硅驱动器(参见表1)具有强固的负电压特性。相比较而言,很多竞争对手仅在+25℃的环境工作温度下定义电气参数,并不总提供温度特征描绘,而且很多竞争对手从特征曲线中析取的电气参数值很可能未顾及工艺变化问题。
表1:安森美开云棋牌官网在线客服用于高端MOSFET驱动的硅驱动器相互参照
方案比较及安森美开云棋牌官网在线客服建议
我们以采用变压器驱动方案和硅驱动器方案的24 V@10 A LLC半桥电路为例来比较这两种方案。这两种方案都采用带双DRV输出的LLC控制器NCP1395,不同的是,前者采用变压器驱动LLC转换器的MOSFET,后者采用NCP5181驱动器IC来驱动器LLC转换器的MOSFET。两者的波形看上去类似,但比较高端MOSFET关闭时的波形可以发现,驱动器IC更快速地关闭MOSFET,而且驱动IC关闭MOSFET时快70 ns,从而降低开关损耗;而在高端MOSFET导通时,驱动器IC在高端与低端MOSFET之间能够保持安全及足够的死区时间,优于变压器驱动方案。而从能效来看,在相同的输入功率时,两种方案的能效没有显著区别(详见参考资料1)。
对于这两种方案而言,究竟应该选择哪种方案呢?实际上,如果精心设计的话,这两种方案都可以。安森美开云棋牌官网在线客服身为应用于绿色电子产品的首要高性能、高能效硅方案供应商,我们的建议是选择硅芯片驱动方案,因为硅方案可以简化布线及简化设计,免去变压器需要手动插入的问题,及可免除变压器方案中诸如隔离被破坏、磁通走散、关闭后出来未预料到的振铃等问题。而且要支持纤薄设计的话, 扁平电源中变压器的高度是个问题,而硅芯片驱动方案则无此问题。
总结:
对于需要高能效的应用而言,采用软开关技术的半桥拓扑结构越来越受设计人员青睐。但要驱动半桥拓扑结构中的高端MOSFET,设计人员面临着是选择变压器或是硅芯片等不同驱动方案的选择。本文分析了不同驱动方案的设计考虑因素、相关问题及解决之道,并从多个角度对比了这两种驱动方案。尽管精心设计的话,这两种驱动方案都可以良好工作,但安森美开云棋牌官网在线客服建议选择诸如NCP5181这样的硅芯片驱动方案,在简化布线及设计的同时,也可避免变压器驱动方案的诸多问题,帮助设计人员缩短设计周期,加快产品上市进程。
参考资料:
1、半桥驱动器:采用变压器还是全硅驱动,安森美开云棋牌官网在线客服培训教程,www.onsemi.com/pub/Collateral/HB%20-%20Half-Bridge%20Drivers,%20a%20Transformer-Based%20Solution%20or%20an%20All-Silicon%20Drive%20-%20bilingual.rev0.pdf
2、NCP5181数据手册,http://www.onsemi.com/pub/Collateral/NCP5181-D.PDF
