基于PIC单片机的逆变电路设计初探
来源:互联网
摘要: 针对现代电源变频调幅的要求,提出了利用PIC16F873产生SPWM波控制IR2136触发IGBT产生PWM波作用于逆变器产生标准的正弦波形,从而实现变频调幅。
Abstract:
Key words :
针对现代电源变频调幅的要求,提出了利用PIC16F873产生SPWM波控制IR2136触发IGBT产生PWM波作用于逆变器产生标准的正弦波形,从而实现变频调幅。同时利用AD模块对逆变桥输出进行采样并进行滤波处理,实现对系统的PI闭环控制。通过MATLAB中的SIMULINK组件进行仿真分析,结果表明此方案输出电压动态响应速度快,具有良好的精度控制及实时性、波形失真小、可靠性高。
随着科学技术的进步,电源质量越来越成为各种电气设备正常和良好工作的基础。电源技术领域的一个持续的研究课题即是研究作为电子信息产业命脉的电源的可靠性和稳定性。
而逆变器作为电源的核心部分,其调制技术很大程度上决定了电源输出电压的质量。目前最常用的调制技术是正弦脉宽调制(SPWM)。随着单片机的出现及其广泛应用,智能化控制方法已经逐渐替代传统的分立元件电路产生方法或是专用芯片产生方法。智能化逆变电源的优势在于它不仅能实现调制信号的输出,还为系统数据参数的监控、处理及显示提供接口。同时它与现代计算机技术更好地结合产生了故障自诊断和自我保护功能,可提高系统的稳定性。
在充分考虑工业控制成本及稳定性要求的前提下,本设计采用PIC单片机作为控制核心,再辅助相关外部电路,组成一个具有稳定和智能化等优点的逆变电源控制系统。
一、具体电路设计
单相桥式逆变电路如图1所示。[1]电路正常工作情况下,两对开关管需要两组相位相反的驱动脉冲分别控制,使VT1、VT4同时通断和VT2、 VT3同时通断。输入直流电压为220VAC,逆变器的负载为R.当开关VT1、VT4接通,VT2、VT3断开时时,电流流过VT1、R和VT4,负载上的电压极性是左正右负;当开关VT1、VT4断开,VT2、VT3接通时,电流流过VT2、R和VT3,负载上的电压极性反向,直流电即转变为交流电。若要改变输出交流电频率,改变两组开关的切换频率即可,继而得到正负半周对称的交流方波电压。负载为纯阻型时,负载电流电压波形相同,相位也相同;负载为感性时,电流滞后于电压,二者波形不同。输出为相当于三个差120°相位的单相逆变电路的叠加,即三相逆变,其原理不再赘述。

图1 单相桥式逆变电路
二、产生PWM波芯片选择
本设计电路为单相全桥逆变电路,其主电路是典型的DC-AC逆变电路。由单片机对LC滤波后的电压进行AD采样,把所得的数据输入到 PIC16F873单片机,由PIC16F873单片机芯片对数据进行处理,并输出相应的SPWM信号给IR2136驱动电路,控制逆变电路的开关管通断,从而控制逆变器的输出,调节电流监测系统的工作温度,保护控制系统电路。另设有键盘、控制频率及幅值,同时显示模块,用于显示系统的工作状态。
PIC16F873单片机电路是此系统的控制核心电路,主要发挥以下两个方面的作用:为驱动电路提供SPWM控制信号,控制逆变桥的通断;对输出电压进行AD采样。
集成电路IR2136芯片主要作用是产生相应的触发电平来控制逆变电路的开关管通断,从而控制逆变器的输出。除此以外,由于系统输出的不仅有SPWM波,还包含低次以及高次谐波。本设计采用了LC滤波电路以达到最终输入标准正弦波的目的。
ω=2R/L为其截止角频率,R为公称阻抗,设截止频率为fc,则有:

三、系统软件设计
软件设计的核心部分是SPWM信号的产生。本设计采用三角波作为载波、正弦波作调制波的对称规则采样法较为经典,得到一系列幅值相等但宽度不等的矩形波。然后使用在线计算的方法计算矩形波的占空比:
设N为载波调制波比,即有N=fc/fr.其中fc为载波频率,fr为调制波频率。本系统的SPWM信号由单片机产生,故载波频率可由下式计算:

其中,变量N代表分频因子(1、8、64、256或1024),fclki/o是MCU时钟。
设M=UR/UC,为调制深度,其一般取值范围为0~1,其中UC为载波幅值,UR为调制波幅值。改变调制波的幅值就能使输出的基波电压幅值发生变化。
根据规则采样法的原理,假设一个周期内有N个矩形波,则第i个矩形波的占空比Di为:

通过设置单片机,利用上述公式计算出占空比使之与计数器的TOP值相乘形成一个正弦表。然后将数据送到比较寄存器中,配置单片机I/O口寄存器,在PD4口输出SPWM信号。整个SPWM产生程序流程图及实时反馈图如图2:

图2 SPWM 产生程序框图
常用的正弦调制法分为同步调制法和异步调制法。同步调制法在调制波的频率很低时,容易产生不易滤掉的谐波,而当调制波频率过高时,开关元件又难以承受;异步调制法的输出波形对称性差,脉冲相位和个数不固定。本软件设计时采用了分段同步调制法,[4-6]吸收上述两种方法的优点,且很好地克服各自的缺点,得到特性较好的正弦波。其具体操作为:把调制波频率分为几个载波比不相同的频段,在各个频段内保持载波比恒定,通过配置单片机内部的载波频率实现输出基波频率的变化,即改变计数器的TOP值,实现调频功能。选取的原则为:
输出频率高的频段采用低载波比,输出频率低的频段采用高载波比。同时,载波比选取为3的倍数以得到严格对称的双极性SPWM信号。本系统中将频段分成五段,具体见表1:
表1 频率分段与载波比取值

对输出电压的实时反馈是软件设计的关键部分。电网的波动或是负载的变化可能导致输出电压不稳定,因此为了实现输出电压的动态稳定特性,在系统中加入PID增量数字闭环控制,公式如下:

其中Kp=1/σ是比例系数,Kl=KpT/Tl是积分系数,Kl=KpTD/T是微分系数。结合单片机中的A/D转换功能模块与PID闭环控制,可以很好地修正各开关周期的脉宽,达到动态稳定的目的。
四、逆变仿真结果
在逆变部分的仿真中,本系统使用的是M AT L A B中的SIMULINK组件。电路原理为利用PIC16F873单片机输出PWM波控制IR2136进而控制晶闸管的栅极导通,从而实现变频调幅。
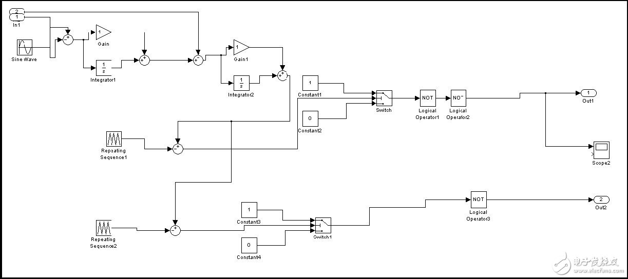
在此三相逆变电路中,运用三相全桥进行LC滤波之后得到输出。同时,该系统中还包括一个电压负反馈和一个电流负反馈系统。这样的设计可以对一些扰动起到一定的抵抗作用,使得输出的三相电压较为稳定,有较好的相角裕度和一定的幅值裕度,但在实际的逆变过程中可能出现同一桥臂的两个IGBT同时导通所导致的短路现象。考虑上述情况后,对上述电路原理图进行了改进,如下图3所示,加入了死区,其仿真结果如图4所示:

图3 带死区的调制波、三角波调制电路

图4 带死区的调制波、三角波调制电路波形
在图4中波形在下波峰处发生畸变,这是由于在下桥臂上引入了死区非线性所导致的结果,属于附加畸变。
五、结论
上述的实验结果表明,工业条件下对于电源的要求可通过利用PIC16F873单片机输出PWM波控制IR2136进而控制晶闸管的栅极导通的方法实现,且该方法具有谐波较小、滤波电路较为简单的优点。因此,它在高性能中变频调速、直流并网等领域有着广泛的应用前景。同时,采用单片机来产生SPWM信号有着不可比拟的优势,是智能化电源领域的必然发展趋势。
此内容为AET网站原创,未经授权禁止转载。
