HT7955是Holtek一个高效的DC/DC控制器,可以驱动许多WLED连接,串联/并联的配置,并具有很宽的输入电压范围(10V~26V),可由外部电阻调节60mA~80mA的WLED电流,总体而言,该设备最高可以支持80 WLED。
此外,六个电流调节器可提供±2.5%高精度电流匹配(线路之间)。亮度可以通过外部PWM调整(最高频率达2kHz)。一旦检测到线路开路/短路,该线路就被禁用,而其他线路正常运行。

图1 HT7955框图
其他保护包括软启动、欠压锁定、可编程的过电压保护、WLED电流限制、开关电流限制和热关断保护。
HT7955为48引脚7mm×7mm×1.0mm TQFP-EP封装,占用空间小。
HT7955主要特性
•允许最大输入电压为26V
•内置功率MOSFET
•最高输出电压40V,驱动10个串联LED-LED正向电压(最大值)=3.5V每串-绝对最大额定值44V
•通道相移PWM调光
•直接PWM调光无相移
•最多操作11串LED,正向电压(最大)=3.3V条件
•低串反馈电压为0.5V (80mA LED电流)
•开关频率为200kHz/400kHz
• 8串恒流输出
• LED电流从60mA~80mA可调
•±2.5%电流匹配(线路之间)
•采用PWM调光控制
• 1%最小调光工作(负载)循环2kHz
•内置软启动


图2 HT7955 PCB布局图

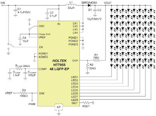
图3 HT7955典型应用电路
• LED故障检测:开路和短路
•电容类型:陶瓷
•保护:OVP、OTP、UVLO、LX限流
HT7955应用
• LED背光液晶显示器和液晶电视
