早在2001年911恐怖事件以后,美国基于安全的考虑,强制要求手机具有GPS定位功能,以确定该手机的实时位置。近年来,随着我国基础建设的迅猛发展,道路建设日新月异;人们工作生活节奏加快,GPS导航定位系统日显重要,需求增加。最近有消息称:诺基亚高调宣布为其智能手机推出了Ovi地图新版本,将包括高端的步行和驾驶导航。此举被视为对GPS手机导航产业以及GPS导航相关产业影响巨大的变革。随着手机性能的普遍提升,以及手机GPS接收机独特问题的解决,GPS功能已不再是高端手机独享的配置,正在向普通手机标配发展。
GPS功能简介
GPS全称为全球定位系统,由24颗卫星分布在6个不同高度的轨道上,按功能分有导航和定位两个;按应用分军用和民用。其中军用频率在1.227GHz ,由美国军方独占,用途主要用于武器制导,侦查等军事和战争用途,精度高。民用频率在1.575GHz,供全球免费使用,用途主要用于海航,自然科学领域,更广泛的是我们熟悉的汽车行驶导航等。 只有同时接收到3颗星的有效信号才能确定其位置。
GPS信号微弱,接收机灵敏度通常在-136dBm左右。
手机GPS的挑战
手机应用的特点:体积小,功耗低,生产性好,器件便宜,设计时间短,产品面市快。基于手机平台的GPS功能比独立GPS接收机有更高的要求,更具有挑战性,主要考虑以下几个方面: 电子环境,功耗,体积,价格,设计时的便捷性和性能指标的容易实现性。
常见的单片GPS接收机采用CMOS工艺,达不到很高的收机灵敏度。相比汽车行驶在比较宽阔空间的路面上,手持GPS比车载的移动更灵活,所处位置信号会更弱,多径接收更普遍。要求接收能力更强,在接收前端增加滤波器和低噪放非常必要。
手机上的GPS 设计之考虑
电子环境更恶劣。GPS 接收和手机功放在同一块板上,对1.575GHz GPS信号而言其带外信号主要有:900MHz,1800MHz 的GSM 功放;1800—1900MHz 的PCS功放;2.4GHz的 WLAN,蓝牙; 以及2.5—2.7GHz的WiMAX。这些信号虽不会同时存在,但每个都很强,对GPS接收性能都有明显影响。实验表明:-15dBm的带外信号,会引起GPS 低噪放增益下降1dB. 因此,选择手机GPS 低噪放时不仅要看其自身的噪声系数和增益,更要关注其带外衰减指标,这对GPS接收机的捕捉能力,跟踪性能和定位精度,乃至能否正常工作至关重要。
CDMA, WCDMA手机收发是双工工作的,其功放的发射信号和噪声会对GPS信号形成干扰乃至堵塞 。因此,GPS接收机必须外加LNA和高性能的滤波器。LNA增加了其接收灵敏度,而滤波器则增强带外衰减。对设计布线上另一个好处是,LNA可放置在靠近天线端,降低对GPS接收模块位置的要求,并使GPS接收机噪声系数得到1.5dB左右的改善。然而,由于GSM手机收发是时分工作的,相对而言对GPS信号的带外衰减要求不是很苛刻,可以省掉高性能的滤波器,用简单地滤波加低噪放方案来实现GPS接收前端,以节省成本。
针对不同的系统和平台,目前,手机GPS接收前端有几种方案:
--在GMS系统上,选择有源天线,即低噪放和GPS接收天线集成在一起;
--在CDMA, WCDMA系统上,有分立的低噪放加滤波器,二种器件所采用的材料和性能都有选择余地。以上方案这对设计时间,设计难度,性能指标,PCB尺寸以及元件数都是挑战。
随着市场需求的变化,滤波器和低噪放集成在一起的GPS接收前端得到了广泛的应用,其好处显而易见。和分立器件一样,二者有不同的组合:LNA+陶瓷滤波器或 LNA+SAW(声表面波滤波器)。在市场上, 性能以CaAs E-pHEMT+FBAR方案为最优:噪声小,线性更好,带外衰减更好。
Avago 公司致力于GPS接收前端模块
Avago 结合行业领先的CaAs E-pHEMT工艺和FBAR滤波器技术,提供GPS射频前端系列模块,为GPS外加低噪放前端提供了多种选择,详见图1,3,4,5所示,结构有: Filter + LNA + Filter; Filter + LNA; LNA + Filter; 或单纯的LNA,在规划和设计这些产品时Avago充分考虑了其应用环境,是手机GPS接收设计上的首选。
CaAs E-pHEMT低噪放的特点
相比其他材料和工艺,CaAs E-pHEMT的优势主要在于:噪声系数低,是低噪放的首选;低工作电压下线性高,提高接收机动态范围,有利于后续信号的混频和解调;增益高乃是放大器的价值所在。因此,CaAs E-pHEMT正是噪声系数,线性和增益三个低噪放重要指标的完美结合,这是Si材料低噪放很难达到的。
FBAR 滤波器的特点
陶瓷滤波能承受较大的功率,温度特性好,但器体积大,Q值不如FBAR的好;
SAW滤波器承受功率小,温度特差,Q值低,便宜。在一些指标要求不太高的手机上还有应用;
FBAR滤波器:性能好,体积小,易于集成。随着在手机上双工器,滤波器取代SAW的应用越来越多,其性价比已被大家所认同。
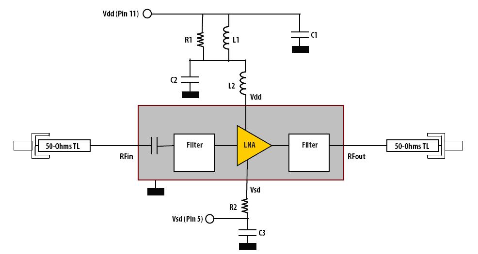
ALM-1712 GPS接收前端实例
下图1为Avago的ALM-1712产品,由两个FBAR滤波器和一个LNA组成,三级总的噪声系数为1.65 dB 。RF端ESD >3KV,省去外加ESD保护器件,节省空间和成本。低至1V 工作,可关断功能则满足了手机应用低功耗的要求,可变偏置则提供了在各个性能指标中得到一个理想的平衡。 封装为4.5(L)x2.2(W)x1(H) mm3,外围器件只有8个电阻,电容和电感器件。

图1:Avago ALM-1712产品
下图2所示为在 Vdd = 2.7V, Idd = 8.0mA偏置下1.575GHz处的增益是12.8 dB; 线性IIP3 = +7 dBm, IP1dB = +3 dBm,对900MHz的带外衰减高达95dBc, 对1800MHz的带外衰减高达90dBc,有力地保证了在恶劣的电子环境下,GPS接收机发挥能良好的功能。ALM-1712很好地满足了手机GPS的特殊要求:电子环境,功耗,体积和成本要求以及设计时间和性能指标,这些对手机厂家的意义不言而喻。

图2

图3,4,5
下面是市场常见的两个型号的主要指标,在低噪放都采用CaAs E-pHEMT工艺的情况下,不难看出FBAR滤波器对PCS频段的抑制比SAW高出21dB( 63 vs. 42)
附图1是Avago公司在GPS 接收前端产品线的发展路线图。不难发现,Avago公司对GPS接收机前端模块和低噪放市场非常重视,随着不同功能性能产品在GPS接收机上的广泛应用,Avago将继续推出更多满足市场的产品,详情可咨询Aavago亚太地区重要代理商世强电讯">世强电讯。

附图1:Avago科技GPS接收前端产品发展线路图
面向GSP, ISM和WiMAX市场, 最近Avago推出MGA-24106低噪放,继承了Avago 低噪放产品一贯的噪声系数,增益及线性指标的优势。在3.3V6mA偏置下,1.57GHz,噪声系数为0.87,增益为19.6dB, IP1dB为-8.7dBm, IIP3为-0.2dBm。 在低至1.8V电压下能正常工作。封装在1.5x1.2x0.5mm3,只需几个外围器件。在体积,功耗和低电压工作方面更高一筹,其价格更具有市场竞争力。在手持,移动终端无线设备上应用前景广阔。
附图2是手机用FBAR, SAW和陶瓷滤波器的性能比较。FBAR技术是Avago公司又一领先技术的产品线,在手机上的双工器,多工器和各种滤波器都占有很大的份额。

附图2:FBAR, SAW和陶瓷滤波器的性能比较
