摘 要:本文设计了一种基于32位ARM" title="ARM">ARM微处理器的多媒体" title="多媒体">多媒体车载音响" title="车载音响">车载音响,带RADIO、IRDA、MP3、DVD等功能。文中结合汽车车身的复杂环境,给出系统软硬件设计,以及系统各部分功能的实现方法,主要介绍收音机、MP3软硬件的设计和系统集成。
引 言
纵观目前我国国内车载音响产品,大部分仍为卡式机或CD机,需要对高档汽车音响的设计与研发加大力度。本文设计了一种带Radio、IRDA 、MP3、DVD等功能的车载音响,具有很高的市场价值。
系统硬件架构
系统的硬件电路部分主要由按键、红外遥控、MOTOR控制、收音机、MP3、DVD以及LCD显示模块等构成,模块部分都由MCU通过相应的通讯协议进行控制。鉴于MCU在处理速度、外设功能以及价格等方面的考虑,32位ARM处理器在片内资源、性价比方面都明显优于8位MCU。这里选用ARM7TDMI处理器S3C44B0" title="S3C44B0">S3C44B0作为主控芯片。该芯片与外设的连接如图1所示。

图1 MCU与各种外设连接图
这里,按键模块利用44B0芯片内部的AD转换模拟,用AD模拟按键数量理论上可达210个,完全可以达到本系统的设计要求。红外遥控模块采用收发一体的红外遥控头,接收基于NEC编码的红外码。红外接收芯片的输出脚与44B0的一个中断引脚相连,并在32位数据的红外接收码每次接收中断发生时,通过比较计时器计时间隔,判定是1还是0,从而得到发送的用户编码,控制相应的系统功能。马达控制模块用两颗H桥芯片CMD6208控制两颗直流马达,分别用于实现托盘的水平进出仓和垂直翻转动作。CMD6208芯片具有四种输出模式,可实现马达的正转、反转、刹车、闲置操作。DVD光驱采用DVC3500系列超薄吸入式光驱,有效地缓解了高档车载音响体积与功能之间的矛盾。利用44B0的一个GPIO引脚,通过向DVD发送模拟NEC协议的红外码,达到控制DVD功能的目的。
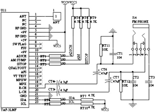
收音机模块设计
汽车内部恶劣环境产生各种电磁辐射与脉冲干扰,加上外界电磁波对汽车收音机作用,普通的收音电路难以可靠地避开干扰信号,这就要求车载收音电路必须进行一定的防电磁干扰,比如加金属外壳进行电磁屏蔽以及在电源等处加滤波电路等。本设计采用了成都旭光的TAF-3LMF收音头,它采用全金属外壳,有效地防止了电磁干扰。该模块内部主要为一颗基于TDA7540B芯片和一颗IIC接口的EEPROM 24C02芯片。TDA7540是AM/FM调频电路芯片,其内部集混频器、中频放大器、用于AM/FM的解调器、立体声解码器等于一体,并采用BICMOS技术,允许执行多个调谐功能,使得其外部只需用少量元件即可。EEPROM则用来存储TDA7540芯片各寄存器的值以及用户设定的各个参数值。此模块能接收频率范围为FM 87.5MHz~108MHz、MW 522kHz ~1620kHz的信号,其引脚及与44B0的连接如图2。

图2 收音机电路
其中SDA、SCL接44B0的IIC引脚,ADJCH、AM、SSTOP则与44B0的三个GPIO端口连接。44B0通过内部IIC接口与其进行数据传输,完成数据的读出与写入。
搜台前,必须先对TDA7540寄存器进行初始化,FM搜索电台的初始化为:TunerReg[14] = 0x25;TunerReg[5] = 0x1B;TunerReg[6] = 0xAF;TunerReg[18] = 0xB4;TunerReg[19] = 0xCF;TunerReg[30] &=0x7F;TunerReg[31] &= 0x7F;搜台流程如图3所示。

图3 搜台流程图
MP3设计
MP3部分包括主控MCU AT89C51SND1和音频DAC CS4330。该部分设计采用了AT89C51SND1芯片,其内带MP3硬解码。44B0与AT89C51SND1通过UART通讯控制MP3的播放、暂停等操作,两者之间的串口可直接相连。AT89C51SND1的SCLK、DSEL、DCLK、DOUT脚则分别与CS4330相应的引脚相连,进行输出控制。与SD卡的连接利用芯片内部自带的SPI接口,将SD卡设置成为SPI传输模式,进行MP3文件的读取与写入。USB接口则主要用来下载固件或调试程序用。
AT89C51SND1内部带ISP下载功能,在下载固件时,打开ATMEL公司的FLIP软件,在“Device”菜单下选择AT89C51SND1器件,在“Settings”菜单下的“communication”选择使用USB方式或RS232方式进行固件下载。
结 语
本系统基本功能已实现,在样机测试阶段,通过对硬件、软件进行测试,表明此方案有着很好的可行性。
