目前,3G手机或便携式多媒体播放器等便携式设备可轻易地通过数字处理提供音频3D效果。有了这种设备,可嵌入立体声耳机收听功能,这样左右信号可从DAC或调频(FM)收音机中获得。虽然耳机功率在32欧姆负载上约为10mW,主喇叭可简易地用於产生并为8欧姆负载输出最高达1W的功率。由於需要提供立体声解决方案,而非传统的单声道系统,在这些功率水准上很难提供高效率的净化音频信号。
台湾茂升电子股份有限公司(MOSA Electronics Corp.)的MS6335数字/模拟转换器与MS6863低失真功率放大器配合,可为MP3播放器、便携式媒体播放器(PMP)、手机、可携式电视、可携式DVD等便携式产品提供完整的低成本立体声切换方案,其功能图见图1。
![]() |
|
图1、基於MS6335+MS6863的低成本身历声切换方案功能图 |
MS6335数字/模拟转换器
MS6335是集成了AB类立体声耳机驱动器的 16bit数字/模拟转换器(DAC),带有一个I2C SPI介面,同时还具有音量控制功能,其内部结构见图2。其独特的同步解码技术与精确匹配的初调电流源结合,有效地消除了零交替失真(zero-crossing),以产生高质量地音频。
![]() |
|
图2. MS6335的内部结构 |
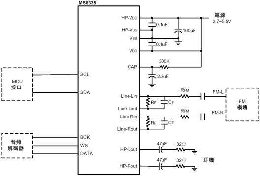
MS6335采用CMOS工艺进行生产,音量控制范围 6dB至-39dB(1.5dB/step),可以通过外部电阻器对输出电压进行调节,具有出色的电源抑制比(PSRR),可以再现高质量的音频,是低功耗的小外形便携式应用的理想选择。MS6335在带有FM功能的MP3播放器中的典型应用.见图3。
![]() |
|
图3. MS6335在带有FM功能的MP3播放器中的应用 |
![]() |
|
图4、MS6863的内部结构 |
MS6863低失真功率放大器
MS6863是一个低失真功率放大器,能够驱动连续平均功率为2×2W的双4欧姆BTL负载,或2×90mW的立体声 32欧姆单端(SE)耳机。通过耳机检测管脚,MS6863可在双 BTL和立体声SE模式之间自动切换。在大多数应用中,该BTL 配置可以消除输出端的耦合电容器,使设计更加简单和节省成本。 MS6863采用TSSOP20封装,其增益还可以通过外部电阻器进行设定,关机时没有POP噪声,其典型应用电路见图5。
![]() |
|
图5. MS6863的无噪关机典型应用电路 |
方案描述
本设计由MS6335音频DAC和MS6863功率放大器组成,具备立体声数字及模拟信号两个输入端以及立体声Line-Out、扬声器与耳机三个输出端,图6是根据图1原理图制作的演示板。该演示板可切换音源与输出端,并可用作音量控制。
![]() |
|
图6、由MS6335音频DAC和MS6863功率放大器组成的身历声切换演示板 |
本设计以红外线及MCU作为控制,MCU保持 Standby状态,MS6335与MS6863初始状态为Power down mode。立体声数字信号源来自数字信号处理器(MP3解码器、机顶盒),可选择 I2S或者Normal格式。立体声模拟信号来自FM等信号。立体声输出可接32欧姆或16欧姆耳机,可直接驱动8欧姆或4欧姆立体声喇叭;Line-out则无驱动能力,需使用具有驱动能力之後级放大机。
经事先规划好之MCU可轻易展示出预期的切换选择功能。由此演示板可以看出 MS6335与MS6863俱备了应用於可携式装置的条件与优异的效能∶
- 低电压操作(2.7V~5V)、低功耗(Power down mode);
- 使用I2C介面控制音量(-39dB~+6dB),俱静音功能; · 立体声耳机/扬声器自动侦测切换;
- 音源切换无杂音;
低成本效益
演示板中:
- 为电源输入∶VDD 使用2.7~5V,极性如面板标示,面板右端为正极,左端为负极;
- 为重置键∶此键为微处理器之重置键,按下此键微处理器之 I/O埠皆重置为预设值,若非必要请按正常开关机程式执行;
- 为I2S/Normal选择∶I2S表示a&c开路, Normal表示a&c短路;
- 为耳机输出端∶欲测试耳机端时,请接上规格 3.5mm负载为32欧姆之耳机;
- 为扬声器输出端∶请接上欲测试之扬声器或相对应阻值之高功率电阻,测试扬声器端时,耳机端请保持悬空;
- 为LineOut输出端∶请连接於後级功率放大器;
- 为Line in输入端∶请连接於模拟音源;
- 为数字输入端∶请连接数字音频(DAC IN); 9为LED指示灯∶辅助指示灯,如Vol灯和 Power灯。
参考资料∶ MS6335+MS6863演示板
使用手册∶ http://www.mosanalog.com






