引言 WLAN技术和嵌入式技术是目前比较热门的两个研究方向,而将二者相结合,即具有无线接入功能的嵌入式系统更具有诱人的发展前景。本文介绍了将IEEE802.11b无线网络适配器与嵌入式主机通过USB总线进行连接的系统设计与实现。系统采用了先进的ARM处理器,除具有10M/100M以太网接口外,还提供USB主接口方便连接具有USB接口的IEEE 802.11b无线网络适配器。
1.系统的总体实现
1.1系统的构成
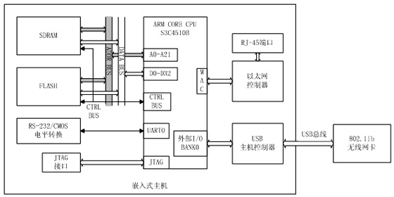
系统 CPU采用Samsung公司推出的带有ARM7TDMI内核的S3C4510B作为CPU,RAM采用8M 32位SDRAM,ROM采用4M 16 位FLASH。带有一个JTAG接口用于系统调试,一个RS-232串行端口用于终端调试,一个以太网控制器,一个USB主机控制器。系统硬件框图如图1-1:

图1-1 系统硬件框图
嵌入式主机采用uClinux操作系统。uClinux是缩微版的Linux,和Linux内核保持同步开发。不同之处在于uClinux不带有内存管理单元(MMU),不能实现虚拟内存管理,比较适合嵌入式系统的需求。
由于CPU是ARM指令系统,所以要在PC上用交叉编译器重新编译uClinux内核,产生基于ARM的uClinux内核二进制代码。
在编译之前要进行uClinux内核的配置工作,包括RAM、ROM的大小,地址空间的分配,外围设备的支持。除此以外,最关键的工作就是实现USB主机控制器的驱动程序,这也是研究工作的重点。
2. USB 主机控制器
在介绍USB主机控制器驱动程序之前,先让我们了解一下USB系统和USB主机控制器。
2.1 USB系统和USB主控制器的基本概念
在USB系统中,各种USB设备要与主机相连,就必须通过一个共同的接口接入主机。这个接口就是USB主机控制器(USB Host Controller)。HC是软件、硬件以及固件的综合,是USB拓扑的中心。
USB总线在物理上是一种以主机为根的树状分层星型拓扑,HUB作为分枝结点,USB设备作为叶子结点。在逻辑上,USB总线是以主机为中心的星型拓扑,HUB在逻辑上也看做为一个USB逻辑设备。在逻辑上,主机直接通USB逻辑设备通信,就好像没有中间的HUB一样。USB逻辑设备是指各种各样的USB设备与主机连接所必须具有的最基本的标准接口,主机通过标准接口管理和配置所有的USB设备。
图2-1是从USB主机客户软件到USB设备应用的通信流模型。

图2-1 USB通信流模型
l 客户软件是为特定的USB设备服务的程序。USB只是一种总线协议,它的最终目的是为主机与外部设备之间提供方便快速的连接。客户软件可以理解为外部设备的驱动程序及应用程序,而不属于USB系统的一部分。它是USB系统的客户,它与USB所连接的外部设备之间进行逻辑通信。
l USB系统软件是在特定操作系统上支持的USB驱动程序,它独立于具体的USB设备,也独立于客户软件。
USB系统软件包括USB驱动(USBD),主机软件,和主机控制器驱动(HCD)。USBD提供USB驱动接口(USBDI)与客户软件通信。客户软件通过I/O请求包(IRP)与USBD进行数据传输。同时,USBD还为客户提供了一个抽象的USB标准设备用于USB设备的配置及控制,因为这样的USB设备具有标准通道及标准控制。
主机软件的功能类似于USBD,出现在某些操作系统中替代USBDI来支持设备的配置及驱动的加载。
l 主机控制器驱动用于主机控制器的控制,由主机控制器厂商提供。HCD与USB之间的接口为主机控制器驱动接口(HCDI)。这样,USB系统就可以不关心主机控制器的具体实现,从而支持了不同的主机控制器。
目前,应用于PC的USB1.1 HCDI有两种实现:一种是Intel制定的UHCI(Universal Host Controller Interface),另一种是Compaq、Microsoft 等联合制定的OHCI(Open Host Controller Interface)。但是在嵌入式系统领域里,一般由厂商或开发人员实现HCI,而不属于前两个阵营。
2.2 SL811HST主机控制器
SL811HC是Cypress公司推出的专用于嵌入式系统的USB1.1规范主控制器芯片,可以工作在USB主控制器模式或者USB从控制器模式。
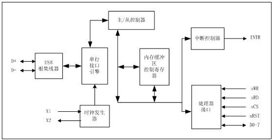
同基于PC的主控制器芯片不同,SL811HC直接实现了与MCU的时序粘连逻辑,而前者大多提供PCI接口。图2-2是SL811HC的功能框图

图2-2 SL811HS USB 主/从控制器功能框图
l 主/控制器模块、RAM缓存及控制寄存器模块、串行接口引擎(SIE)是系统的核心模块。
l SIE模块负责USB总线与主机之间数据的串、并转换,完成总线的电气功能。
l BUFFER用于数据缓存。SL811HC只有一根地址线A0。A0=1用于设定偏移量, A0=0用于读写数据。读写数据应该首先指定偏移量,然后实现读取时序。该芯片也支持地址自增量读取,如果连续读或写数据端口,则缓存区的偏移量地址会自动加1。这样的设计支持了数据的快速读写。下面的代码给出了两种方式下的数据读取例程:
static __u8 SL811Read (hci_t * hci, __u8 offset)
{
WRITE_INDEX (offset);
return (READ_DATA ());
}
static void SL811BufRead (hci_t * hci, __u8 offset, __u8 *buf, __u8 size)
{
WRITE_INDEX (offset);
while (size——) {
*buf++ = READ_DATA();
}
}
l 控制模块和控制寄存器用来控制芯片正确工作,USB总线状态也保存在寄存器中。
l 中断控制器和接口逻辑实现与MCU的接口。
2.3 USB HCD的实现
如前所述,USB HCD是USB系统控制主机控制器的工具,它的实现依赖于具体的硬件。因此,除了硬件系统的搭建以外,USB主控制器的实现大部分是HCD的实现。篇幅所限,这里仅给出主要的数据结构和函数调用。
usb_bus结构描述了usb核心层里的USB总线结构,下面列出了usb_bus结构里的主要成员。
struct usb_bus {
int busnum; /* USB总线号*/
char *bus_name; /* USB总线名称 */
struct usb_devmap devmap; /* 设备 */
struct usb_operations *op; /* 对应于特定HCI的操作 */
struct usb_device *root_hub; /*根hub */
void *hcpriv; /* Host Controller private data */
……
};
op指向一个usb_operations型数据结构,该数据结构用来给USB核心层指定hci操作的函数指针:
static struct usb_operations hci_device_operations = {
allocate: hci_alloc_dev,
deallocate: hci_free_dev,
get_frame_number: hci_get_current_frame_number,
submit_urb: hci_submit_urb,
unlink_urb: hci_unlink_urb,
};
void *hcpriv是一个无类型指针,指向一个HCI数据结构,可以是UHCI,OHCI,或其他HCI。在这里,它指向SL811HC的hci_t数据结构。下面给出了SL811HC的hci_t数据结构的主要成员。
typedef struct hci {
struct virt_root_hub rh; /* 主机控制器的虚拟根hub的私有成员 */
struct list_head ctrl_list; /* 控制端点的列表 */
struct list_head bulk_list; /* 批量传输端点的列表*/
struct list_head iso_list; /* 同步传输端点的列表*/
struct list_head intr_list; /* 中断传输端点的列表*/
td_array_t *td_array; /* 事务描述符队列 */
td_array_t a_td_array;
td_array_t i_td_array[2];
struct usb_bus *bus; /* 指向usb_bus的指针 */
……
} hci_t;
在hci_t数据结构中,有一个指向usb_bus的指针。可见,hci_t数据结构和usb_bus数据结构互相有一个指针指向对方,它们一起完整的描述了USB的总线行为。
3.USB无线网卡的实现及测试
嵌入式主机完成以后,下面的工作就是要将USB无线网卡的驱动程序移植到主机上。本方案采用的无线网卡是ACCTON公司推出的EW3301。该网卡采用带有ARM核的无线局域网MAC层控制器,标准USB接口。射频模块采用Intersil公司的i3861 IEEE802.11b基带控制器。
将无线网卡驱动程序安装到uClinux源代码的./driver/usb目录下,并且对Config.in文件和Makefile文件做适当修改,将驱动编译进uClinux内核。
在uClinux下,无线网卡的驱动程序是这样工作的:
1. 注册USB设备驱动程序,建立设备驱动索引
2. 网卡插入后,根据索引寻找到相应的驱动程序
3. 下载固件
4. 注册一个新的无线网卡设备
至此,目标系统里会多了一个无线网卡设备wlan0,使用ifconfig命令设定网卡地址:
/> ifconfig wlan0 192.169.0.100 up
用iwconfig命令配置无线网卡:
/> iwconfig wlan0 channel 6 mode Managed essid SMC
用iwconfig命令查看无线网卡状态:
/> iwconfig
wlan0 IEEE 802.11-DS ESSID:"SMC"
Mode:Managed Channel:6 Access Point: 00:04:E2:7C:60:5E
Bit Rate:11Mb/s
RTS thr=1536 B Fragment thr=1536 B
Encryption key:off
Power Management:off
Link Quality:3 Signal level:140 Noise level:0
Rx invalid nwid:0 Rx invalid crypt:0 Rx invalid frag:0
Tx excessive retries:0 Invalid misc:0 Missed beacon:0
用ping命令测试网络是否连通:
/> ping 192.169.0.1
PING 192.169.0.1 (192.169.0.1): 56 data bytes
64 bytes from 192.169.0.1: icmp_seq=0 ttl=64 time=4.2 ms
64 bytes from 192.169.0.1: icmp_seq=1 ttl=64 time=4.2 ms
——- 192.169.0.1 ping statistics ——-
2 packets transmitted, 2 packets received, 0% packet loss
round-trip min/avg/max = 4.2/4.2/4.2 ms
结语
通过USB接口将无线网卡同嵌入式主机连接,可以使嵌入式主机方便的从固定状态转为移动状态,大大增强了系统的灵活性。同时,这样的嵌入式移动主机也为下一步移动IP(Mobile IP)的研究提供了实验平台。USB主机控制器的实现,给嵌入式系统提供了更加方便的外围设备扩展方式。本系统应用在上海市科委重点科研项目“基于嵌入式系统的移动色谱仪”中,实现了数据异地采集、集中处理,为有限的实验室资源提供了无限的工作空间。
