基准电压源在DAC电路中占有举足轻重的地位,其设计的好坏直接影响着DAC输出的精度和稳定性。而温度的变化、电源电压的波动和制造工艺的偏差都会影响基准电压的特性。本文针对如何设计一个低温度系数和高电源电压抑制比的基准电压源作了详细分析。
从DAC电路的实际工作环境考虑,电源电压的变化范围是1.6V~2.0V ,温度变化范围是-20℃~100℃。本带隙基准电压源的设计指标为:1. 输出的基准电压在1.22V左右;2. 电源抑制比为100dB;3. 基准电压的温度系数小于10ppm/℃。
带隙基准电压源的原理
带隙基准电压源的基本原理是:利用双极性晶体管的基极-发射极电压VBE(具有负温度系数)与它们的差值VBE(具有正温度系数)进行相互补偿,从
而达到电路的温度系数为零的目的。

图1 带隙基准电压产生原理图
图2 基准电压源电路
如图1所示,其运算放大器的作用是当电路处于深度负反馈的情况下,使X、Y 两点的电压相等。此时若R1=R2,则I1=I2,并满足:
VBE1=VBE2+I2R3 (1)
I1=I2=(1/R3)(VBE1-VBE2)=(1/R3)VTlnn (2)
VOUT=VBE1+I1R1=VBE1+(R1/R3)VTlnn (3)
VOUT即可作为基准电压。从(3)式可知,基准电压只与PN结的正向压降、电阻的比值以及Q1和Q2的发射区面积比有关,而与输入电压无关,所以,在实际的工艺制作中将会有很高的精度。第一项VBE1具有负的温度系数,在室温时大约为-2mV/℃;第二项VT具有正的温度系数,在室温时大约为+0.085mV/℃,通过设定合适的工作点,可以使两项之和在某一温度下达到零温度系数,从而得到具有较好温度特性的基准电压。适当选取R1、R3和n的值,即可得到具有零温度系数的输出电压VOUT。
电路设计
以图1所示的电路原理为基础,设计出基准电压源电路,如图2所示。电路主要由三部分组成:使能信号驱动电路、偏置电路、带隙基准电压VREF产生电路。通过对每一部分结构、工作原理的介绍,可知图2所示电路既能解决驱动不够的问题,又能灵活调节它的温度系数,可达到高电源抑制比和低温度系数的性能。
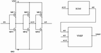
使能信号驱动电路
此电路由图2所示的三级反向器构成。PD为电路的使能信号,输出A10、A9用来做BIAS和VREF的使能控制。
使能信号的加入,可以降低功耗。当外部的数字信号还没有送入转换电路时,PD使能信号使基准电压电路处于待机状态,从而降低了功耗:当外部的数字信号送入转换电路时,PD使能信号使基准电压电路工作。
为了达到较大的驱动能力,可以使PD信号通过由Mk1,MK2,MK3,Mh1,Mh2,Mh3组成的反向器,如图2所示,反向器的管子宽长比逐级增大,驱动能力逐级提高,输出A10、A9可以有效地驱动BIAS和VREF的使能管,解决了因版图中走线过长或后端电路管子存在寄生电容而导致的驱动不够的问题。
偏置电路
偏置电路用来给基准电压电路的运放提供偏置,如图3所示。

图3 偏置电路
图4 基准电压产生电路
在图3电路中,MK、MH、MF、M4、M5、M7为开关管,M3、M6、MS1~MS6构成启动电路,MC1~MC6可建立起稳定的偏置电流。
当A10=0时,开关管MK、MF 、M5导通,MH、M4、M7关断,偏置电路不工作,A8=1;当A10=1时,开关管MH、M4 、M7导通,MK、MF、M5关断,偏置电路正常工作。
PMOS管MS1~MS6是电阻管,上电后 M6导通,A8被拉为低电平,MC1~MC6导通,电源电流从MC1流经MC3、MC5到地,N1变为高电平, M3管打开,N2拉低,M6管关断。经过一段时间后,MC1~MC6建立起稳定的偏置电流,启动电路停止工作。
MC1~MC6和R可以产生一个与电源无关的电流,MC1、MC2两支路的电流通过MC5、MC6、R来设定。本质上讲,I1被自举到I2,即I1=I2。
VGS5=VGS6+I2R (4)
(5)
从式(5)可看出,电流与电源电压无关,而与MC5、MC6的宽长比和电阻的值有关,调整这些值,可以方便地得到需要的偏置电流。
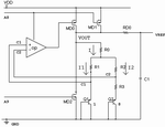
基准电压产生电路
图2所示为VREF模块,其具体结构如图4所示。
该电路通过RD0、C1滤掉了电源线上的高频噪声,使得基准电压VREF更加稳定。
图4与图1比较,可知图4主结构中增加了一个电阻R0,如何调节电阻使VREF对温度的依赖减小,可以通过式(6)~(11)说明:
I1R1=I2R2 (6)
VBE1=VBE2+I2R3 &nbs
p; (7)
I="I"1+I2 (8)
VOUT=VBE1+I1R1+IR0 (9)
把式(6)~(8)带入(9),得到:
VOUT=VBE1+AVT (10)
(11)
在式(10)中,第一项VBE1具有负的温度系数,第二项VT具有正的温度系数,适当选取R0、R1、R2、R3的值,改变A的大小,便可以使两项之和在室温下达到零温度系数。比较(3)式,因为可调变量增加,调节的范围变大,则在室温下VOUT对温度的依赖为0。
运算放大器的设计
在基准电压产生电路中,要求运算放大器的增益越大越好,同时保证其相位裕度在60o以上,电路如图5所示。

图5 运算放大器电路

图6 VREF随温度变化的特性曲线

图7 基准电压随电源电压的变化曲线
在图5中,MK、MH、MF、ME、MD为开关管,由使能信号A10控制,A10=1时,运算放大器正常工作。MB、MC是用MOS管做的电容,用作裕度补偿。同等面积情况下,MOS电容可比多晶硅电容的值大很多,极大地节省了面积。
该放大器采用两级推挽输出,一是可以得到很高的增益;二是可以得到较大的输出摆幅。M0通过A8将偏置电路中与电源无关的电流镜像到M0支路,可以通过调整偏置电路中的电流来改变运算放大器的偏置点和功耗。
电路仿真结果
本设计采用0.18μm CSMC-HJ N阱CMOS工艺模型库,并应用Hspice软件对电路进行仿真。
温度特性
电源电压固定在1.8V,对电路进行-20℃~100℃的温度扫描,仿真结果如图6所示。
从图6中可看出,VREF的最大和最小值分别是1.2265V和1.2256V,在27℃时,基准电压是1.2265V。VR
EF的温度系数TCF可以用下式来衡量:
(12)
如图6所示,基准电压随温度的改变而改变,但变化幅度很小,从式(12)可知,TCF<10ppm/℃,满足DAC电路对基准电压的要求。
电源抑制特性
对电路进行电源电压的DC扫描,通过Hspice仿真得到的波形如图7所示。
图7是坐标放大图,从图中可看出,电源电压在1.6V~2.0V变化时,基准电压从1.2264855V仅变化至1.2264875V。
基准电压的电源抑制特性可用PSRR来衡量,PSRR计算如下:
![]()
=153300=103.7dB (13)
可见,基准电压对电源的抑制性能非常好,几乎不随电源电压改变。
