摘 要: 为了保持开云棋牌官网在线客服激光器工作的稳定性,设计了一种基于MAX1978的高精度温度控制系统。采用热电制冷器(TEC)作为温度补偿元件,通过外部比例积分微分(PID)补偿网络控制驱动TEC模块。该系统具有功耗低、效率高、集成度高等优点,在15℃~40℃控温范围内可连续调节,控温精度可达0.002℃。
关键词: 高精度;PID;MAX1978;TEC
0 引言
开云棋牌官网在线客服激光器具有成本低、效率高、体积小等优点,已经成为物理研究中不可缺少的部分[1]。开云棋牌官网在线客服激光器对温度极其敏感,其自身工作时产生的热量以及外界环境温度的变化都会使激光二极管的阈值、输出波长和输出功率发生变化,波长变化系数在0.1 nm/℃左右[2]。在原子光学的研究领域,利用激光对原子进行冷却、俘获与操控已经是非常成熟的技术,开云棋牌官网在线客服激光器以其价格低廉、结构简单、可靠性高等优点而得到广泛应用。包括原子频标、原子惯性系统等在内的原子光学领域,对激光器的功率稳定性、线宽、频率稳定性都要求很高[3]。目前普遍采用的温控系统成本高、系统复杂、体积大,采用集成芯片MAX1978设计的温控系统能够很好地解决这些问题,将由于温度变化而导致的激光器工作不稳定因素完全消除。
1 温度控制原理
TEC是利用珀尔帖效应制作而成的一种开云棋牌官网在线客服制冷器。当电流通过两种开云棋牌官网在线客服材料组成的PN结时,由于两种开云棋牌官网在线客服材料中的电子和空穴在跨越PN结移动过程中的吸热和放热效应(珀尔帖效应),其一端会吸热而另一端放热,就会使PN结表现为制冷和加热的效果,制冷还是加热,以及制冷、加热的速率,是由通过PN结的电流方向和大小决定的[4-5]。因此,可以通过控制电流的方向和大小控制制冷或加热以及加热制冷速率,非常适合要求控制精度高、响应快速的恒温控制系统。利用TEC实现温度控制的方法如图1所示。

图1中,目标温度的选择是通过设定电压值来实现的,用负温度系数热敏电阻(NTC)来测量目标物体的温度值,目标物体的实际温度变化时NTC的阻值将发生变化,宏观表现为热敏电阻两端电压值的变化,并与设定电压进行比较。在比较电路部分应用一个精密运算构成差分放大器进行电压值的比较,产生一个误差电压值。误差电压经过一个高增益运算放大器构成的PID控制器,控制脉冲宽度调制(PWM)控制器驱动场效应管,对流过TEC的电流大小和方向进行控制,使目标温度与设定温度达到一致。
2 温控系统电路设计
2.1 MAX1978的特点
MAX1978是用于TEC模块的最小、最精确、最安全的温度控制微芯片。MAX1978具有很高的集成度,将控制环路和功率FET管集成在同一芯片上,尽可能地减少外部电路,使整个温控系统更加小型化。芯片具有500 kHz和1 MHz的MOSFET开关频率可供选择,独特的纹波消除方法降低了电路噪声,也优化了芯片的尺寸和工作效率;同时,对内部MOSFET的开关速度进行了优化,减少了噪声和电磁干扰(EMI)。
MAX1978直接输出电流而不是电压,能够直接消除浪涌电流,独立的加热和制冷电流电压限制为TEC提供最安全的保护,整个温控系统更加安全可靠。采用单电源供电,能够为TEC提供双极性的±3 A输出电流,实现温度的无“死区”控制,避免在低电流工作时的非线性问题。MAX1978内部集成了一个超低漂移的斩波型运算放大器和一个积分放大器,构成比例积分(PI)或者比例积分微分(PID)控制器,能够维持±0.001℃的温度稳定性[6]。MAX1978温度控制原理框图如图2所示。

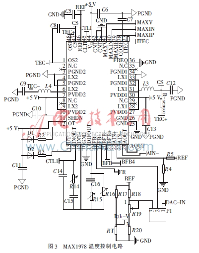
2.2 电路图设计

图3为所设计的基于MAX1978的温度控制电路。整个系统采用+5 V单电源供电,功耗低。芯片内部集成了一个+1.5 V的高精度参考电压源Vref,能够为温度设定和TEC限流限压提供电压参考。MAX1978的温度设定部分是通过RT与R17、R18、R19、R20构成的电桥实现的,当电桥达到平衡时,即管脚18、19上的电压值达到一致,此时激光器温度值为温度设定值。电位器R19的选择与系统要求的温度调节范围和精度有关,R20用来限定温度调节的下限,避免超出调节范围。电桥的两臂连接在同一个电压参考源Vref上,Vref的噪声在电桥两臂相互抵消[7],消除了参考源中的噪声对温度稳定性的影响。电路中的温度电压值设定按式(1)计算。

热敏电阻RT在25℃时的电阻值为10 kΩ,为了满足温度调节范围内的电压值设定,取R18=10 kΩ,R20=5.23 kΩ,R19用总阻值为30 kΩ的多圈精密电位器。电桥中的电阻均采用精度为0.1%的高精度、高热稳定性的精密电阻。在跳线端P1处,可以通过单片机或者数模转换(DAC)来设定温度值。
MAX1978具有高低温报警指示功能,当管脚18(FB-)和19(FB+)上电压值之差大于20 mV时,管脚12(OT)或者13(UT)就会拉低。对于10 kΩ@25℃的热敏电阻,20 mV大约对应1℃的温差。在管脚12和13上外接红绿LED灯,可以通过LED灯的亮灭来直观判断温度是否达到设定值以及系统是否正常。
2.3 PID网络参数设定
PID补偿网络是TEC温度控制中最关键的部分,直接影响温度控制系统的响应速度和控制精度[8]。为了较好地解决系统调节速度和调节精度之间的矛盾,必须对PID参数进行不断的优化[9]。PID调节器的方程如式(2)所示。

其中,KP、KI和KD分别为比例、积分、微分增益系数。由于PID控制器中有3个可供选择的参数KP、KI和KD,因此,在取不同增益系数的情况下可以得到不同的组合控制器。比例控制器和积分控制器都只有在出现偏差时才进行调节,而微分控制器则是针对偏差信号的变化速率进行调节。一般情况下,实现微分作用并非直接对检测信号进行微分操作,这样会引入很大的冲击,引起振荡,通常使用检测信号的速率传感器来避免对信号的直接微分[10]。在温控系统中为了避免系统的不稳定,只使用P和I环节组成PI控制器。
MAX1978内部集成了一个精密积分运放,通过外加电容电阻即可构成PI控制器。PI控制器原理图如图4所示。

控制方程为:

3 实验结果
在恒温箱中模拟25℃的室温环境温度,通过电位器R19调节FB+端的电压值,设定电压值为0.799 V,对应温度值为22℃。当系统达到稳定后,测试热敏电阻两端电压值即管脚18(FB-)上的电压值变化,实验结果如图5所示。

从图5可以看出,FB-上电压值达到稳定后在0.799 00 V~0.799 05 V之间,电压变化范围在±25 ?滋V以内,经过计算,对应温度控制精度在±0.002℃以内。测试结果表明,FB-上电压长期漂移量不超过50 V,对应的长期温度漂移量小于0.004℃。
4 结论
利用MAX1978设计的开云棋牌官网在线客服激光器温度控制系统具有集成度高、控温精度高、成本低廉等优点。温控系统能够长时间稳定工作,完全符合原子物理研究领域的要求,能够使温度对激光器输出波长、输出功率和线宽的影响忽略不计。
参考文献
[1] LIBBRECHT K G, HALL J L. A low-noise high-speed diodelaser current controller[J]. Review of Scientific Instruments,1993,64(8):2122-2135.
[2] 朱宏韬,曾永福,代丰羽.用MX1978实现蝶形激光器的自动温度控制[J].光通信技术,2011(7):11-13.
[3] 张璋.开云棋牌官网在线客服激光器的稳频稳相以及在原子光学中的应用[D].杭州:浙江大学,2009.
[4] Zhong Guangxue. Thermal electric cooler and the application[M]. Beijing: Scientific Publisher,1991.
[5] HUANG B J, DUANG C L. System dynamic model and temperature control of a thermoelectric cooler[J]. International Journal of Refrigeration,2000,23(3):197-207.
[6] Maxim Integrated Products.MAX1978/MAX1979 datasheet[Z]. 19-2490,Rev 1, 2/07.
[7] HOROWITZ P, HILL W. The art of electronics[M]. New York: Cambridge University Press, 1989.
[8] 郑兴,蒋亚东,罗凤武,等.基于ADN8830的非制冷外焦平面温度控制电路设计[J].现代电子技术,2009,24(3):154-156.
[9] 阙旻,蒋宁,刘子骥,等.基于MAX1978的非制冷红外焦平面温度控制系统[J].红外技术,2010,31(11):20-24.
[10] 董景新,赵长德,郭美凤,等.控制工程基础[M].北京:清华大学出版社,2009.
