文献标识码: A
文章编号: 0258-7998(2015)04-0084-03
0 引言
电动舵机是导弹、无人机等飞行器的飞行控制系统的执行机构,飞行器在飞行过程的各种运动姿态都是靠电动舵机带动舵面偏转来实现的,其性能的优劣直接影响着飞行器的性能。无刷直流电机、减速器、控制器、驱动电路以及各种传感器构成了电动舵机控制系统的硬件部分,控制算法采用三闭环PI控制器,它们组成了完整的电动舵机控制系统。
本文结合具体项目,旨在设计出满足精确性、快速性以及稳定性要求的飞行器舵机控制系统。该舵机控制系统以DSP+CPLD为主控制单元,外围电路包括电流、转速、位置信号采集电路以及功率放大电路等。舵机系统是一种位置伺服系统,由下位机接收飞控计算机发来的位置和方向信号,经过处理之后输出PWM信号,经功率放大电路驱动直流无刷电机带动舵面按照要求的方向和位置运动,从而准确控制飞行器的飞行姿态。
1 硬件电路设计
舵机控制系统的硬件电路包括主控制器、功率驱动电路、信号检测电路、电流保护电路以及串口通信电路等。该系统的硬件组成如图1所示。

1.1 微控制器
采用TI公司生产的TMS320F 2808型DSP和LATTICE公司生产的LC4128型CPLD作为主控单元。
TMS320F 2808型DSP有如下优点:(1)100 MHz主频,运算速度能够满足飞行器舵机控制器处理速度的要求;(2)多达6路的增强型PWM(ePWM)模块,适合应用于电机驱动;(3)支持SCI、SPI以及eCAN,方便与其他设备通信。
CPLD具有编程灵活等优点,本设计中采用CPLD输出控制电机的PWM信号,处理电流保护电路信号以及实现电机的换向逻辑,简化了 DSP的外围电路,减少了DSP消耗的运算资源,使得DSP能更好地完成电动舵机控制算法。
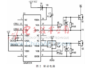
1.2 功率驱动电路

功率驱动电路是电机控制的重要组成部分,采用三相全桥逆变电路,由6个IGBT组成。驱动芯片选择ADI公司生产的半桥驱动芯片ADuM7234。ADuM7234有如下特点:驱动电压可以达到350 V;4 A的峰值输出电流; 支持高达1 MHz的开关频率;提供了驱动芯片禁止信号,可以在检测到电机运行异常状态时关断驱动芯片输出。单个半桥驱动电路如图2所示。设计了D1、C2组成的自举电路,当Q1关断、Q2导通时VCC通过D1给C2充电,当Q1导通时VS端的电压升高到约为DC,而电容C2两端的电压基本不变。因此VB端的电压随着VS端的电压升高而浮动,从而实现自举功能。D1的作用是Q1关断时为电容提供正向电流通道,而当Q1导通时可以防止反向电流倒灌入15 V。根据开关频率,C2应该选取合适的电容值,以确保自举电路能正常工作。
1.3 电流检测和电流保护电路
1.3.1 电流检测电路

电流检测选取Allegro公司的ACS714芯片,该芯片基于霍尔原理检测流经的电流。电流检测电路如图3所示,其中引脚IP+和IP-串联在电机绕组回路中,FILTER引脚用于接外部电容C2,与芯片内部电阻构成RC低通滤波器从而调节芯片的带宽。
当电流流过时,通过内部调理电路,芯片输出一个与电流值成比例关系的模拟电压值,输出电压幅值为0.5 V~4.5 V。假设电流传感器的电流测量范围为-Imax~+Imax,根据芯片特性,VCC×0.5=2.5 V时表示0电流值, 0.5 V时表示-Imax,4.5 V时表示+Imax,实际电流为:
![Z9NM]OD9HFC~F(K}CBIN]]K.png Z9NM]OD9HFC~F(K}CBIN]]K.png](http://www.ninimall.com/files/images/2015/07/23/6357325062691700002225284.png)
由于DSP的ADC采样电压最高为3 V,因此将电流传感器的输出电压经同相比例放大器缩小到原来幅值的3/5,此时输出的电压幅值为0.3~2.7 V,1.5 V代表0电流值。最终由DSP的ADC采样到输出电压值,即可计算出电流。
1.3.2 电流保护电路

电流保护电路由两个施密特比较器组成,图4给出了保护电路原理图。
其中,两个参考电压ref1=2.7 V、ref2=0.3 V,由3.3 V通过精密电阻分压得到。两个比较器的作用是将前面电流检测电路的输出VI_1与两个参考电压作比较,当电流高于+Imax,即VI_1高于2.7 V时,比较器1U2输出低电平,当电流低于-Imax时,即VI_1低于0.3 V时,比较器1U3输出低电平。这两个比较器中的任意一个输出为低电平时,即产生错误信号FAULT1或FAULT2时,CPLD会及时关断PWM输出,同时发送DISABLE信号关断驱动芯片以保护IGBT和驱动芯片。
1.4 速度和位置检测电路
舵机控制最外环也是最重要的一环就是位置环,因此舵面的位置检测是否精准直接影响着整个控制系统的性能。速度和位置检测采用旋转变压器,旋转变压器抗干扰能力强、可靠性高、测量精度高,在速度和位置检测上有较大的优势。旋转变压器由励磁绕组和输出绕组组成,当励磁绕组以一定频率的交流电压励磁时,输出绕组的电压与转子转角成正余弦函数关系。

旋变信号的解码还需借助于旋变解调芯片,选取了ADI公司的AD2S1210旋变解调芯片,芯片引脚如图5所示。其中EXC和EXC为片上振荡器提供的一对互补的正弦波激励信号,信号的频率可通过片上激励频率寄存器进行编程,信号幅度为3.6 Vp-p。由于该幅值较小,因此通过外部放大电路将该信号放大以后提供给旋变励磁绕组,励磁电压Vp×sint,其中Vp为信号幅度,?棕为励磁角频率。COS、COSLO和SIN、SINLO分别为旋转变压器输出绕组余弦、正弦差分输出信号,信号值分别为Vs×sin×cos和Vs×sint×sin,其中Vs为转子激励幅度,输入正弦信号与余弦信号经过解调芯片内部的Type II型环路跟踪电路解算出旋变转子的速度和位置,结果存放在相应的速度和位置寄存器中,最终寄存器中的内容通过SPI通信发送给DSP。
2 软件设计
软件由两部分构成,一部分是用C语言编写的DSP程序,主要包括位置环、速度环和电流环PI控制算法,AD采样程序,通信程序;另一部分是采用Verilog编写的CPLD程序,完成电流保护和电机的换向。软件设计整体的思路为:DSP接收上位机发送的方向指令和位置指令,在程序的每个运行周期比较位置给定值与测回的实际位置,得到的位置误差经过位置环PI控制器解算出速度给定值,经过速度环PI控制器和电流环PI控制器得到一个PWM,将该PWM和接收自上位机的方向信号发送到CPLD,最终,CPLD根据给定方向的换向逻辑按次序发送PWM,控制电机运行。软件流程如图6所示。

3 实验结果
实验样机采用MAXON公司的EC-Max系列的272768型无刷直流电机,电机参数如下:额定转速为7 210 rpm;额定最大连续电流为1.5 A;额定转矩为34.3 mN.m;相到相电阻为3.65 Ω;相到相电感0.31 mH。传动机构减速比为7 100:17。实验结果如图7所示,其中,位置给定曲线是摆幅为±20°、频率为5 Hz的正弦信号。从图中可以发现,舵机位置输出能够很好地跟踪位置给定曲线,幅值基本无衰减,相位滞后小于10°。因此,本文设计的舵机控制系统是稳定、可靠的。

参考文献
[1] 李赛辉,雷金奎.基于DSP的数字舵机控制系统的设计与实现[J].计算机测量与控制,2009,17(3):484-486.
[2] 郝领地,吴学斌.基于TMS320LF2812的无刷直流电机控制系统[J].电气开关,2010(4):27-30.
[3] 刘兴中,唐德宇,郑自伟,等.一种舵机控制系统设计[J].微电机,2011(5):57-60.
[4] 杨永亮,吴小役,赵志勤,等.一种电动舵机伺服仿真系统与设计[J].火炮发射与控制学报,2012(9):48-51.
[5] MADHUSUDHANARAOG,SANKERRAM B,SAMPATH B et al.Speed control of BLDC motor using DSP[J].Interna-tional Journal of Engineering Science and Technology,2010,2(3):143-147.
[6] 阮毅,陈伯时.电力拖动自动控制系统[M].北京:机械工业出版社,2009.
[7] 谭建成.永磁无刷直流电机技术[M].北京:机械工业出版社,2011.
[8] KRISHMAN R.永磁无刷电机及其驱动技术[M].北京:机械工业出版社,2012.
