文献标识码: A
DOI:10.16157/j.issn.0258-7998.2016.06.036
中文引用格式: 张萌,林敏,程新红,等. 电池监测芯片中稳压模块的设计[J].电子技术应用,2016,42(6):132-135.
英文引用格式: Zhang Meng,Lin Min,Cheng Xinhong,et al. Design of voltage regulator module in battery monitoring chip[J].Application of Electronic Technique,2016,42(6):132-135.
0 引言
伴随着我国汽车产业的飞速发展,空气污染、能源短缺等一系列问题也日益加剧,具有高效节能或零排放优势的电动汽车对于缓解上述难题具有重要意义[1]。锂离子电池性能优异且基本无污染,逐渐成为电动汽车动力蓄电池组的首选,但是锂电池对过充或过放的容忍度低得多,需要连续监测充放电电量,避免可能使电池发生损伤的情况来延长电池寿命;其次,车用锂电池是由一组锂电池串联而成以提供高到几十伏甚至上百伏的总电压,每节电池在不同温度、不同荷电状态下其电池容量、内阻、放电率均存在差异,因此,在使用过程中不但需要对锂电池进行连续监测,还需要根据实时监测的结果来周期性地均衡各电池[2]。因此,电池组的电源管理系统芯片是延长电池寿命,维护电动汽车安全运行的关键模块。
1 电路设计与原理分析
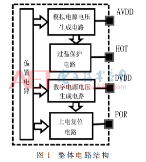
本文设计的稳压模块应用于电池管理芯片内,外界待监测电池组由12节电池串联,每节电池满量程5 V,在电池组输入高压和宽范围变化的情况下,能够对芯片内模拟部分和数字部分分别提供稳定的工作电压。针对数字部分对电源电压不敏感的特点,数字电源电压产生电路可简化处理,以减小设计难度和芯片成本。同时本模块具有上电复位、过流保护和过温保护功能,使芯片在复杂的工作环境下能够安全可靠地工作。整体电路结构如图1所示。

1.1 偏置电路
偏置电路为整个电路中的各支路提供合适的静态工作点,是整个电路能够启动和正常工作的先决条件。偏置电路如图2所示。

芯片输入电压可高达60 V,电路上电后,M1首先导通,产生参考电流Iref1,通过M2、M3、M4镜像,分别产生Vb1、Vb2、Vb3、Vb4;由于栅电容充电, M5、M6-M7延时一定时间后导通,产生Vb5,M8接着导通产生Vb6。其中Vb1用于产生上电复位信号,Vb2、Vb6分别为数字电源电压和模拟电源电压产生电路提供偏置电压。
1.2 模拟电源电压产生电路及过流保护电路
模拟电源电压产生电路是稳压模块的核心部分,由启动电路、带隙电路和过流保护电路三部分组成。如图3所示。

启动电路:模块上电过程中,电路中存在简并偏置点,因此需要启动电路提供起动电流使电路脱离零偏置点,并在电路正常启动后停止工作[3]。M13-M14、M15、M16-M18组成启动电路,电路上电后, M4导通, M16-M18导通后使Vb2下拉至低电平,从而M15开启并通过R5形成通路,使电路启动。M13-M14导通后上拉Vb2至高电平,M15截至,电路启动完成。
带隙电路:双极晶体管基极-发射极电压具有负温度特性,而工作在不同电流密度下的两个晶体管,其基极-发射极电压的差值具有正温度特性,利用两者之间的相互补偿,产生零温度系数的带隙电压[4]。M9-M10与M11-M12过驱动电压及W/L分别相等,即流过Q0与Q1的电流相等,其中Q0由10个Q1并联而成,则Q1与Q0基极-发射极的电压差在R2上产生正温度系数电流IPTAT。

过流保护电路:对芯片错误使用或外界条件剧烈变化时可导致内部电流变大,引起芯片损坏。因此需要保护电路检测负载电流的变化,当电流超载时触发保护机制。Q3对负载电流进行采样,通过M20、M21组成的电流镜镜像流过R6及Q6,当负载电流达到所设定阈值时,D2管反向击穿并流过电流,Q4、Q5导通,M19栅极电压拉低,M19截止,则输出得到保护。
1.3 数字电源电压产生电路
数字电路抗干扰能力强,对电平变化不敏感,可以通过PMOS、NMOS的栅源电压叠加的实现方法,电路结构既简单、同时可高度兼容工艺偏差带来的不确定性。
数字电源电压产生电路如图4所示,DVDD=Vgs22+Vsg23+Vgs25-I2·R7;为减小负载电流对I2的影响,设计中M27采用15个并联以增加分流能力,Vgs27=Vgs26+I2·R7,I2+I3=I;I↑→I2↑→Vgs27↑→I3↑→I2↓;通过负反馈机制减小了负载电流变化对I2的影响,即增加了DVDD的稳定性。电路中存在高压问题,因此需要采取保护措施以防止某些管子被高压击穿。正常工作时,M22导通,D3截止,当电路中出现负载过载等情况时,Vg22↓,则M22截止,Vg26↑,D3导通,由于D3的钳位作用,则Vgs26=Vg26-Vg22被限制在M26的耐压容限范围内,M26得到保护。

1.4 上电复位电路
上电复位电路对数字电路中的寄存器、触发器、锁存器等具有记忆功能的元件及模拟电路中的振荡器、比较器等模块进行初始状态设置,确保整个电路上电后进入正确的工作状态。复位电路如图5所示。在芯片内部集成上电复位电路可提高芯片集成度,简化板级布局布线、减小线间串扰噪声影响[5-6]。电源上电后,M36截至, M2导通并通过M32-M34产生高电平Vb3作用于M35栅极,此时电容C1上极板通过M35对地泄放电荷,上极板保持低电平。随着M5-M7栅电容充电,M5-M7导通,Vb5产生, M36-M38导通并将Vb3拉低,M35截止,M39,M40-M41组成的电流镜产生电流对电容C1充电,当电容两端电压升至施密特触发器的阈值电压时,POR信号跳转至低电平,上电复位过程结束。施密特触发器提供电压迟滞,可防止POR信号在阈值电压附近的跳变,增大了复位电路的抗干扰能力。

1.5 过温保护电路
本文中的电源模块为整个芯片内部供电且工作在高压下,因此功耗较大,当环境温度较高或内部电流急剧变大时,都有可能导致芯片内部温度过高,使芯片损坏。为了防止这种情况,需要过温保护电路,在内部温度超过某一设定的温度时,将系统关闭。过温保护电路如图6所示。

过温保护电路利用IPTAT电流和双极晶体管基极-发射极电压的负温度特性来检测温度变化,并通过正反馈机制产生温度迴差,以防止过温信号在临界温度处跳变。温度较低时,Q7截止,M31导通,IPTAT电流由上文中的带隙电路产生,流过R8产生VbQ7,温度升高时,VbQ7增大,VbeQ7减小,当VbQ7>VbeQ7时,Q7导通,M31截止,输出电平跳转产生过温标志信号,此时IPTAT流经R8、R9;反之,温度降低时,当VbQ7<VbeQ7时,电路返回正常工作状态。温度升高和温度降低过程中,IPTAT电流的临界值分别为IPTAT1=VbeQ7/R8,IPTAT2=VbeQ7/(R8+R9),可知,IPATA1>IPATA2,即T1>T2。通过改变R8、R9的大小,可选择合适的温度迴差。
2 电路仿真结果分析
基于XFAB 0.35 μm BCD工艺和HSPICE Cadence 仿真工具,对模块的输出-输入稳压特性、温度特性、复位功能、过流保护和过温保护功能进行了仿真。
2.1 输出-输入特性曲线仿真
当输入电压从0 V~60 V全量程变化,负载电流均为4 mA时,AVDD与DVDD的变化如图7所示,锂电池组作为电源不能过度放电,因此取芯片正常工作时,输入电压范围为10 V~60 V。AVDD与DVDD分别变化12 mV、0.12 V。

2.2 温度特性仿真
输入电压为50 V,负载电流均为4 mA,温度在-45 ℃~125 ℃变化时,输出的扫描结果为图8所示。全温度范围内AVDD变化为6 mV,温漂系数为7.8 ppm/℃,DVDD变化0.76 V。

2.3 复位功能仿真
用瞬态分析法,得复位信号在电源上电过程中的波形如图9。上电后电容上电压为低电平,复位信号POR跟踪DVDD,500 μs后变为高电平,电路处于复位状态。2.1 ms后电容两端电压达到施密特触发器的阈值电压,POR翻转为低电平,复位结束,电路进入正常工作状态。POR脉冲宽度为1.6 ms。电源二次掉电情况下,POR模拟如图,6 ms~6.01 ms,电源快速掉电,6.01 ms~6.51 ms电源再次上电,POR功能正常。

2.4 过流保护功能仿真
本模块中模拟部分额定电流不超过4 mA设计中需考虑留有一定余量,因此过流保护开启的最小电流设定为10 mA,对负载电流进行DC扫描如图10所示,当电流从0增至10 mA时,DP开始开启,输出关断,从而达到了保护电路的目的。

2.5 过温保护功能仿真
如图11所示,从正方向和负方向分别做温度扫描,温度正向变化时,当温度达到150 ℃时,过温信号HOT变为高电平,过温保护功能开启;负方向扫描时,温度降至145 ℃时,HOT变为低电平,芯片重新正常工作,温度迴差为5 ℃。

3 结论
本文基于XFAB 0.35 μm工艺,根据实际应用要求,完成了一款应用于电池管理芯片中稳压模块的设计,负载电流为4 mA,输入电压在10 V~60 V范围内,模拟电源电压与数字电源电压变化分别为12 mV、0.12 V;负载电流4 mA,温度-45 ℃~125 ℃内,模拟电源电压变化6 mV,温漂系数为7.8 ppm/℃,数字电源电压变化0.76 V;电源正常上电及二次掉电情况下,复位电路能够稳定可靠工作,复位脉冲宽度为1.6 ms;AVDD过流保护功能在在负载电流高于10 mA时开启,过温保护电路温度迴差为5 ℃。
参考文献
[1] TERRAS J M,SOUSA D M,ROQUE A,et al.Simulation of a commercial electric vehicle:Dynamic aspects and performance[C].Power Electronics and Applications(EPE 2011),2011,Aug 30-Sept 1:1-10.
[2] 何耀.动力锂电池组状态估计策略及管理系统技术研究[D].合肥:中国科学技术大学,2012.
[3] ALLEN P E,HOLBERG D R.CMOS analog circuit design,Second Edition[M].北京:电子工业出版社,2005.
[4] RAZAVI B.Design of analog CMOS integrated circuits[M].Mcgraw-Hill,2001.
[5] NAJMI JARWALA.YAU C W.A new framework for analyzing test generation and diagnosis algorithms for wiring interconnects[C].Intl Test Conf.1989:63-70.
[6] CHEN K H,LO Y L.A Fast-Lock DLL with power-on reset circuit[J].IE ICE Trans.on Fundamentals of Electronics,Communications and Computer Sciences,2004,E87-A(9):2210-2220.
