低漏电多路复用器在高阻抗PLC系统中是否重要?
2019-10-25
一位任职于领先的可编程逻辑控制器(PLC)制造商的年轻工程师满怀热情,正在设计一个可接受来自高阻抗传感器输入的多通道24位模拟输入模块。他选择了德州仪器的24位Δ-Σ模数转换器(ADS125H02)、5-V基准电压和德州仪器的精密放大器(OPA192)。
当选择多路复用器时,他有三种选项:一个是德州仪器的MUX36D04和两个来自其他供应商的多路复用器(MUX2和MUX3)。除了输入漏电流规格分别为1 pA、100pA和1 nA(25°C时的典型值)外,每一个多路复用器规格都很相似。
起初,这位工程师认为这三个多路复用器看起来一模一样,而且认为这三个多路复用器中的输入漏电流低到可以忽略不计。他认为可以选择这三者之中的任何一个,并从他的系统中获得类似的性能。
在此博文中,你会发现他也许忽略了多路复用器的漏电流。

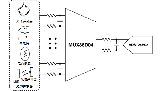
图1所示为带有多个传感器接口的数据采集系统的标准框图。
图1:数据采集系统中输入信号调理单元的框图
漏电流:默默地抵消偏移误差
漏电流是一个重要参数,因为它在开关打开和断开时都会导致直流误差。多路复用器数据表有许多与漏电流相关的规格,包括当开关合上或断开时流过源极管脚(IS)或漏极管脚(ID)的漏电流。图2所示为模拟开关的简化模型。

图2:开关打开时的简化小信号模型
如图2所示,输出电压VOUT通常连接到运算放大器的同相端,该同相端具有高阻抗。所以为了简单起见,工程师忽略了负载电阻RL的影响。RO是开关的导通电阻。
当开关合上时,方程式1计算由漏电流引入的电压误差:
当开关断开时,漏电流流过各自的端子(漏极或源极),并在输出端引入偏移误差。

图3:开关断开时的简化小信号模型
漏电流也随温度的升高而增大。所有数据表应包括漏电流与温度的典型曲线。虽然漏电流的量很小,但在处理高输入阻抗传感器时,它是一个非常重要的参数。所以让我们来看看这个参数是如何影响系统性能的。
漏电流的微微安或毫微安其实是有差别的
PLC系统中的模拟输入模块经常切换pH、光学、湿度、加速度计和化学传感器等高输入阻抗传感器。所有这些传感器都具有输入阻抗,从几百千欧姆到几千兆欧姆不等。以一个典型的光传感器为例,如图4所示。

图4:光传感器的简化模型
如图4所示,分流电阻Rsh的大小从几百千欧姆到几千兆欧姆不等,且与温度成反比关系。由于并联电容的大小为几微微法拉,所以它不重要,因此图4中没有显示。
漏电流对系统精度的影响
简单来说,假定传感器阻抗Rsh为1MΩ。对于以5V为参考的24位系统,方程式2计算对应1个最低有效位(LSB)的最小分辨率或电压,如下所示:
请记住,工程师有三个多路复用器可以选择,在表1中标记为MUX36D04、MUX2和MUX3。还要记住(25°C/85°C)时的漏电流是唯一的区别因素。对于每个多路复用器,漏电流流过输入阻抗,导致偏移误差,从而影响整个系统精度。表1简要地介绍了多路复用器是如何影响测量精度的。

表1:漏电流及其与LSB的偏移误差的关系
大多数传感器的输出电压都很低。由于输入级而引入的任何附加偏移都会限制ADS125H02所能看到的最大满量程电压范围。从表1可以看出,对于高精度数据采集系统,即使几百微微安的输入泄漏也会对测量精度产生显著影响。漏电流随温度的变化而变化,表1显示了25°C和85°C时的偏移误差变化。光传感器阻抗也随光强度和环境温度的变化而变化,因此这不仅会导致偏移误差,还会导致线性误差。
所以工程师不能忽略泄漏电流,因此需要选择一个低泄漏多路复用器。
设计可接受高阻抗输入的多通道模拟输入模块会有一系列的挑战。德州仪器的MUX36S08和MUX36D04超低泄漏模拟多路复用器无需校准偏移误差,简化了模拟输入模块的设计,同时也大大减少了偏移和线性误差。MUX36S08和MUX36D04在25°C时具有1pA的超低漏电流。图5显示了MUX36S08的漏电流随温度的变化。(有关-40°C到125°C的详细曲线图, 请参见MUX36S08数据表。)

图5:MUX36S08漏电流ID(ON)随温度的变化
总结来说,工程师不能忽略漏电流,所以他必须选择德州仪器的低泄漏多路复用器。MUX36S08和MUX36D04选项满足低泄漏的需要,还提供低电容、低电荷注入、轨对轨运行和低功耗。
登录并在下面发表评论,让我们了解多路复用器您所重点关注的相关因素。
其他资源
·借助德州仪器设计用于高压输入、低失真的16位400KSPS 4通道多路复用数据采集参考设计,立即开始您的PLC设计或其他工业数据采集设计。
·查看MUX36S08评估模型
·下载MUX36S08 TINA-TI软件参考设计。
