逆变器原理是什么?最简单逆变器电路图解析
2020-04-08
来源:21ic
什么是逆变器?
逆变器是把直流电能(电池、蓄电瓶)转变成定频定压或调频调压交流电(一般为220V,50Hz正弦波)的转换器。它由逆变桥、控制逻辑和滤波电路组成。
广泛适用于空调、家庭影院、电动砂轮、电动工具、缝纫机、DVD、VCD、电脑、电视、洗衣机、抽油烟机、冰箱,录像机、按摩器、风扇、照明等。

在国外因汽车的普及率较高外出工作或外出旅游即可用逆变器连接蓄电池带动电器及各种工具工作。通过点烟器输出的车载逆变是20W 、 40W、 80W、 120W到150W 功率规格。
再大一些功率逆变电源要通过连接线接到电瓶上。把家用电器连接到电源转换器的输出端就能在汽车内使用各种电器。可使用的电器有:手机、笔记本电脑、数码摄像机、照像机、照明灯、电动剃须刀、CD机、游戏机、掌上电脑、电动工具、车载冰箱及各种旅游、野营、医疗急救电器等。
工作原理
逆变器是一种DC to AC的变压器,它其实与转化器是一种电压逆变的过程。
逆变器(图1) 转换器是将电网的交流电压转变为稳定的12V直流输出,而逆变器是将Adapter输出的12V直流电压转变为高频的高压交流电;两个部分同样都采用了用得比较多的脉宽调制(PWM)技术。其核心部分都是一个PWM集成控制器,Adapter用的是UC3842,逆变器则采用TL5001芯片。TL5001的工作电压范围3.6~40V,其内部设一个误差放大器,一个调节器、振荡器、有死区控制的PWM发生器、低压保护回路及短路保护回路等。
输入接口部分:输入部分有3个信号,12V直流输入VIN、工作使能电压ENB及Panel电流控制信号DIM。VIN由Adapter提供,ENB电压由主板上的MCU提供,其值为0或3V,当ENB=0时,逆变器不工作,而ENB=3V时,逆变器处于正常工作状态;而DIM电压由主板提供,其变化范围在0~5V之间,将不同的DIM值反馈给PWM控制器反馈端,逆变器向负载提供的电流也将不同,DIM值越小,逆变器输出的电流就越大。
电压启动回路:ENB为高电平时,
逆变器 输出高压去点亮Panel的背光灯灯管。
PWM控制器:有以下几个功能组成:内部参考电压、误差放大器、振荡器和PWM、过压保护、欠压保护、短路保护、输出晶体管。
直流变换:由MOS开关管和储能电感组成电压变换电路,输入的脉冲经过推挽放大器放大后驱动MOS管做开关动作,使得直流电压对电感进行充放电,这样电感的另一端就能得到交流电压。
LC振荡及输出回路:保证灯管启动需要的1600V电压,并在灯管启动以后将电压降至800V。
输出电压反馈:当负载工作时,反馈采样电压,起到稳定I逆变器电压输出的作用。
不论是在偏僻家村,或是野外需求或是停电应急,逆变器都是一个十分不错的选择。比拟常见的是机房会用到的UPS电源,在忽然停电时,UPS可将蓄电池里的直流电逆变为交流供计算机运用,从而避免因忽然断电而招致的数据丧失问题。
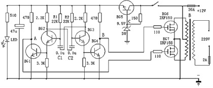
本文将引见两种比拟简单的逆变器电路图。并附以简单的逆变器电路图阐明,有兴味的朋友能够研讨下,自已入手做一个逆变器也的确是一件十分有成就感的事。以一就是一张较常见的逆变器电路图。

以上是一款较为容易制造的逆变器电路图,能够将12V直流电源电压逆变为220V市电电压,电路由BG2和BG3组成的多谐振荡器推进,再经过BG1和BG4驱动,来控制BG6和BG7工作。其中振荡电路由BG5与DW组的稳压电源供电,这样能够使输出频率比拟稳定。在制造时,变压器可选有常用双12V输出的市电变压器。可依据需求,选择恰当的12V蓄电池容量。
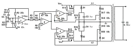
以下是一款高效率的正弦波逆变器电器图,该电路用12V电池供电。先用一片倍压模块倍压为运放供电。可选取ICL7660或MAX1044。运放1产生50Hz正弦波作为基准信号。运放2作为反相器。运放3和运放4作为迟滞比拟器。其实运放3和开关管1构成的是比例开关电源。运放4和开关管2也同样。它的开关频率不稳定。在运放1输出信号为正相时,运放3和开关管工作。这时运放2输出的是负相。这时运放4的正输入端的电位(恒为0)总比负输入端的电位高,所以运放4输出恒为1,开关管关闭。在运放1输出为负相时,则相反。这就完成了两开关管交替工作。

当基准信号比检测信号,也即是运放3或4的负输入端的信号比正输入端的信号高一微小值时,比拟器输出0,开关管开,随之检测信号疾速进步,当检测信号比基准信号高一微小值时,比拟器输出1,开关管关。这里要留意的是,在电路翻转时比拟器有个正反应过程,这是迟滞比拟器的特性。比方说在基准信号比检测信号低的前提下,随着它们的差值不时地靠近,在它们相等的霎时,基准信号马上比检测信号高出一定值。这个“一定值”影响开关频率。它越大频率越低。这里选它为0.1~0.2V。
C3,C4的作用是为了让频率较高的开关续流电流经过,而对频率较低的50Hz信号产生较大的阻抗。C5由公式:50=算出。L普通为70H,制造时最好测一下。这样C为0.15μ左右。R4与R3的比值要严厉等于0.5,大了波形失真明显,小了不能起振,但是宁可大一些,不可小。开关管的最大电流为:I==25A。
现有的逆变器,有方波输出和正弦波输出两种。方波输出的逆变器效率高,关于采用正弦波电源设计的电器来说,除少数电器不适用外大多数电器都可适用,正弦波输出的逆变器就没有这方面的缺陷,却存在效率低的缺陷。
