直接通过汽车电池输入进行DC-DC转换:5 A、3.3 V和5 V电源符合严格的EMI辐射标准
2020-08-06
作者:Zhongming Ye,ADI 系统应用经理
来源:ADI
严苛的汽车和工业环境中的噪声敏感型应用需要适用于狭小空间的低噪声、高效率降压稳压器。通常会选择内置MOSFET功率开关的单片式降压稳压器,与传统控制器IC和外部MOSFET相比,这种整体解决方案的尺寸相对较小。可在高频率(远高于AM频段的2 MHz范围内)下工作的单片式稳压器也有助于减小外部元件的尺寸。此外,如果稳压器的最小导通时间(TON)较低,则无需中间稳压,可直接在较高的电压轨上工作,从而节约空间并降低复杂性。减少最小导通时间需要快速开关边沿和最小死区时间控制,以有效减少开关损耗并支持高开关频率操作。
另一种节约空间的方式是减少所需的组件数,以满足电磁干扰(EMI)标准和散热要求。遗憾的是,在很多情况下,简单地缩减转换器尺寸难以满足这些需求。本文介绍的先进解决方案可节约空间,同时可实现低EMI和出色的散热性能。
选择开关模式电源转换器是由于其效率高,尤其是在高降压比下,但需要权衡开关操作产生的EMI因素。在降压转换器中,开关中的快速电流变化(高di/dt)和热回路中寄生电感导致的开关振铃会产生EMI。
EMI只是系统设计工程师在尝试设计紧凑型高性能电源时必须考虑的参数之一。许多关键设计约束通常相互冲突,需要在设计限制和上市时间方面做出重大妥协。
提高EMI性能
要减少降压转换器中的EMI,必须尽量减少热回路的辐射效应,并使源极信号最小。有多种方式可减少辐射EMI,但其中很多也会同时降低稳压器的性能。
例如,在典型的分立式FET降压稳压器中,通过外部栅极电阻、升压电阻或缓冲器来降低开关边沿的速度,以减少EMI,这也是符合汽车工业严格的辐射排放标准的最后一种解救方法。这样快速解决EMI问题均以损失性能为代价;例如效率降低、组件数目增多,解决方案尺寸加大。开关边沿速度慢则会增加开关损耗和占空比损失。转换器必须在较低的频率下工作(例如,400 kHz)才能获得令人满意的效率,并通过强制性电磁辐射EMI测试。图1显示了分别具有快开关边沿和慢开关边沿的典型开关节点电压波形。如图所示,开关边沿速度明显变慢,导致开关损耗增加,最小占空比或降压比显著增加,更不用说对性能产生的其他负面影响。
降低开关频率也会增加转换器电感、输出电容和输入电容的物理尺寸。同时,需要使用一个大尺寸π滤波器以通过传导辐射测试。随着开关频率降低,滤波器中的电感L和电容C需相应增大。在低压线路满载条件下,电感电流额定值应大于最大输入电流。因此,前端需要使用一个大尺寸电感和多个电容以符合严格的EMI标准。
例如,在400 kHz(而不是2 MHz)开关频率下,除了增加电感和电容的尺寸外,EMI滤波器中的电感和电容也必须相对较大,才能达到汽车应用中的传导EMI标准要求。其中一个原因是它们不仅必须衰减400 kHz的开关基频,还必须衰减高达1.8 MHz的所有谐波。工作频率为2 MHz的稳压器就没有这个问题。图2为2 MHz解决方案和400 kHz解决方案的尺寸对比。
屏蔽可能是减少电磁辐射的最后一种补救方式,但屏蔽需要占用空间,而应用可能无法提供,并且需要进行额外的机械设计和测试迭代。
为避开AM频率带宽并保持较小的解决方案尺寸,汽车应用首选2 MHz或更高的开关频率。避免AM频段后,就只有确保将高频噪声(也称为谐波)和开关振铃降至最低的问题。遗憾的是,高频开关通常会导致电磁辐射从30 MHz增加到1 GHz。
有些开关稳压器具有快速干净的开关边沿,可减少EMI,如ADI Power by Linear?系列中的Silent Switcher?器件。我们先来看看其他一些有用的功能。

图1.慢开关边沿意味着除了占空比损耗之外,还存在大量开关损耗。

图2. 2 MHz解决方案与400 kHz解决方案尺寸对比。
展频(SSFM)是一项在已知范围内使系统时钟抖动的技术,由此将EMI能量分布在频域上。虽然普通开关电源所选的开关频率通常会在AM频段之外(530 kHz至1.8 MHz),但在AM频段内,未经调制的开关谐波仍可能不符合严格的汽车EMI要求。添加SSFM功能可明显减少AM频段内及其他区域中的EMI。
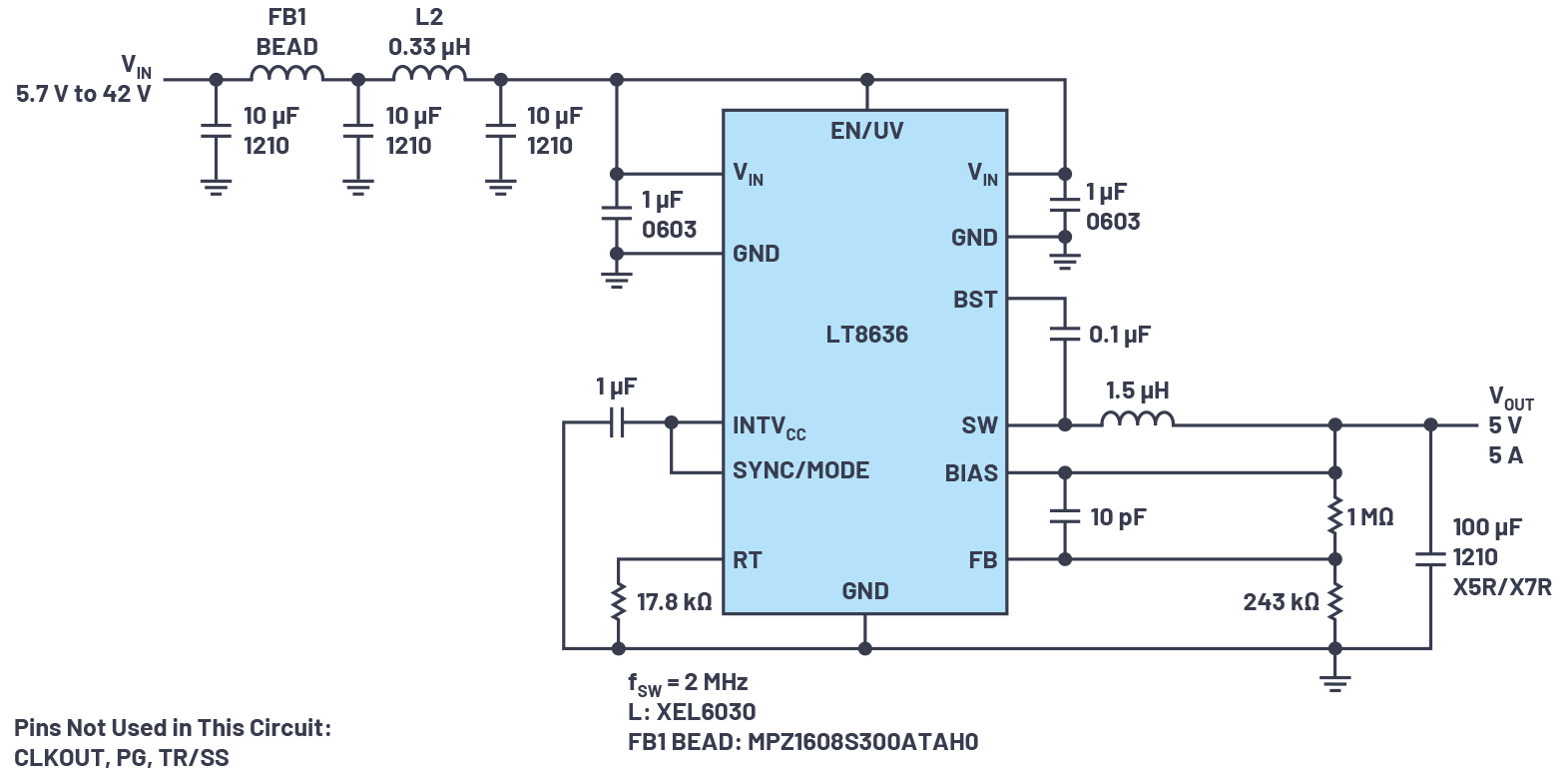
图3显示了一个超低EMI且高效率的12 V至5 V/5 A转换器,其使用LT8636 Silent Switcher单片式降压稳压器在2 MHz开关频率下工作。图4显示了测试演示电路在14 V输入和5 V、5 A输出时的传导和辐射EMI性能。在前端,小电感和陶瓷电容有助于滤除传导噪声,而铁氧体磁珠和陶瓷电容有助于减少辐射噪声。两个小陶瓷电容放在输入和接地引脚上,将热回路面积减至最小,同时分离热回路,帮助消除高频噪声。
为改进EMI性能,电路设置为在展频模式下工作:SYNC/MODE = INTVCC。使用三角频率调制来调节开关频率,调节范围为RT设置的值到比该值约高20%,即LT8636设为2 MHz时,在3 kHz速率下,频率将在2 MHz至2.4 MHz之间变化。

图3.展频模式下的超低EMI LT8636 5 V/5 A降压转换器,峰值电流为7 A,工作电压5.7 V至42 V。

图4.具有和没有展频模式的CISPR 25电磁辐射EMI。
从传导EMI频谱可以明显看出,峰值谐波能量被分散开来,从而降低了任何特定频率的峰值幅度-由于扩频功能,噪声至少减少了20 dBμV/m。从辐射EMI频谱也可以明显看出,展频模式也可以减少辐射EMI。该电路符合严苛的汽车级CISPR 25 Class 5辐射EMI要求,仅需在输入侧使用简单的EMI滤波器。
整个负载范围内的高效率
汽车应用中的电子器件数量只增不减,大多数器件的每次设计迭代都需要更多的电源电流。有源负载电流如此高,重载效率和适当的热管理就成为首要考虑因素,可靠的运行取决于散热管理,不受控制产生热量可能会导致代价高昂的设计问题。
系统设计人员也关注轻载效率,由于电池使用寿命主要取决于轻载或空载时的静态电流,因此轻载效率和重载效率一样重要。必须在硅芯片和系统级设计中权衡满载效率、空载静态电流和轻载效率。
为了在满载时达到高效率,应最小化FET(特别是底部FET)的RDS(ON),这看起来很简单。但是,具有低RDS(ON)的晶体管的电容通常相对较高,开关和栅极驱动损耗随之增加,也会增加裸片尺寸和成本。相反,LT8636单片式稳压器具有很低的MOSFET传导电阻,在满载条件下的效率很高。LT8636在静止空气中的最大输出电流为5 A连续电流和7 A峰值电流,没有任何额外的散热器,从而简化了可靠的设计。
为了提高轻载效率,在低纹波Burst Mode?(突发工作模式)下工作的稳压器将输入电容充电至所需的输出电压,同时最小化输入静态电流和输出电压纹波。在突发工作模式下,电流以短脉冲的形式传递到输出电容,然后进入相对较长的休眠期,在此期间,大多数控制(逻辑)电路关闭。
为了提高轻载效率,可选用更大值的电感,因为在短脉冲期间可向输出传递更多能量,降压稳压器也可在每个脉冲之间的休眠模式下保持更长时间。通过尽可能延长脉冲之间的时间,尽量减少每个短脉冲的开关损耗,单片式降压转换器静态电流可在单片式稳压器(如LT8636)中达到2.5 μA。而市场上的典型部件为几十甚至几百μA。
图5显示使用LT8636的汽车应用由12 V输入提供3.8 V/5 A输出的高效率解决方案。电路在400 kHz下运行可达到高效率,并使用XAL7050-103 10 μH电感。在低至4 mA和高至5 A的负载下,可保持90%以上的效率。峰值效率在1 A时为96%。

图5.采用XAL7050-103电感的12 V至3.8 V/5 A解决方案的效率(fSW = 400 kHz)。
图6显示该解决方案1 μA至5 A时的效率。内部稳压器由5 V输出通过BIAS引脚供电,以尽可能降低功耗。峰值效率达到95%;由13.5 V输入提供5 V输出的满载效率为92%。对于5 V应用低至30 mA的负载,轻载效率保持在89%或以上。转换器在2 MHz下运行,测试用电感为XEL6060-222,以优化相对紧凑型解决方案中的重载和轻载效率。使用更大的电感,可将轻载效率进一步提高到90%以上。 反馈电阻分压器中的电流以负载电流形式出现在输出端时降至最低。
DC-DC转换.jpg" width="504" height="420"/>
图6.使用XEL6060-222电感和LT8636的13.5 V至5 V和3.3 V解决方案的效率(fSW = 2 MHz)。
图7显示该解决方案在4 A恒定负载和4 A脉冲负载(共8 A脉冲负载)以及10%占空比(2.5 ms)下的热性能 - 静止空气环境室温下,13.5 V输入。即使在40 W脉冲功率和2 MHz开关频率下,LT8636外壳温度都保持低于40°C,使得电路在没有风扇或散热器的情况下也能短时间内以高达8 A电流安全运行。由于采用增强散热型封装技术,并且LT8636在高频率下具有高效率,因此采用3 mm × 4 mm LQFN封装可实现这一目标。

图7.3 mm × 4 mm LT8636在13.5 V至5 V/4 A恒定负载加4 A脉冲负载(10%占空比)下的热图显示温度上升。
通过高频操作缩小解决方案尺寸
汽车应用中的空间越来越宝贵,因此必须缩小电源尺寸以便置入电路板中。提高电源开关频率可使用电容和电感等较小的外部组件。此外,如前所述,在汽车应用中,高于2 MHz(或低于400 kHz)的开关频率可将基频保持在AM无线电频段之外。我们来比较一下常用的400 kHz设计和2 MHz设计。在这种情况下,增加五倍开关频率达到2 MHz会将所需电感和输出电容减少到400 kHz设计的五分之一。似乎很容易。然而,由于使用高频解决方案本身就需要进行一些权衡考量,因此即使支持高频的IC也可能无法在许多应用中使用。
例如,在高降压比应用中的高频操作需要较低的最小导通时间。根据方程VOUT = TON × fSW × VIN,在2 MHz操作频率下,需要约50 ns的最小开关导通时间(TON)才能通过24 V输入电压产生3.3 V输出电压。如果电源IC无法实现此低导通时间,则必须跳过脉冲以保持低稳压输出 - 实质上无法达到高开关频率的目的。换言之,等效开关频率(由于脉冲跳跃)可能在AM频段。由于最小开关导通时间为30 ns,LT8636允许在2 MHz下直接从高VIN转换为低VOUT。与之相比,许多器件限制为最小>75 ns,这就需要它们在低频率(400 kHz)下操作,从而实现更高的降压比以避免跳跃脉冲。
高开关频率的另一个常见问题是开关损耗趋于增加。与开关相关的损耗包括开关导通损耗、关断损耗和栅极驱动损耗 - 都与开关频率近似线性相关。缩短开关导通和关断时间可改善这些损耗特性。LT8636开关导通和关断时间很短,不到5 V/ns,可实现最小死区时间和最小二极管时间,从而降低了高频下的开关损耗。
本解决方案中使用的LT8636采用3 mm × 4 mm QFN封装以及具有集成电源开关的单片式结构,同时提供所有必需的电路功能,共同构成PCB占用空间最小的解决方案。IC下方的大面积裸露接地焊盘通过极低的热阻(26°C/W)路径将热量引导到PCB,从而减少了额外的热管理需求。此封装采用FMEA兼容设计。Silent Switcher技术减少了热回路的PCB面积,因此使用简单的滤波器即可轻松解决这种高开关频率下的辐射EMI问题,如图3所示。
结论
只要精心选择IC,无需反复权衡考量,就可以生产出适合汽车应用的紧凑型高性能电源。就是说,可以同时实现高效率、高开关频率和低EMI。为了举证说明可实现的紧凑型设计,本文中的解决方案选择使用LT8636,这是一款采用3 mm × 4 mm LQFN封装的42 V、5 A连续/7 A峰值单片式降压Silent Switcher稳压器。在此IC中,VIN引脚分离并对称放置在IC上,从而分离了高频热回路,使磁场相互抵消,以抑制电磁辐射EMI。此外,同步设计和快速开关边沿可提高重载效率,而低纹波突发工作模式对轻载效率有利。
LT8636的3.4 V到42 V输入范围和低压差也适用于汽车应用,使其能够在汽车启动或负载突降情况下工作。在汽车应用中,系统设计人员在尝试缩小电源解决方案尺寸时往往会面对很多权衡考量,但采用本文中的设计,设计人员无需权衡即可实现所有性能目标。
作者简介
Zhongming Ye是ADI公司的一名电源产品应用工程师,工作地点位于美国加利福尼亚州圣克拉拉。他自2009年以来一直在凌力尔特(现为ADI公司的一部分)工作,负责提供各种不同产品的应用支持,包括降压、升压、反激式和正激式转换器。他在电源管理领域的关注点包括面向汽车、医疗和工业应用的高效率、高功率密度和低EMI的高性能电源转换器和稳压器。在加入凌力尔特之前,他在Intersil工作了三年,从事隔离式电源产品的PWM控制器相关工作。他拥有加拿大金斯顿女王大学电气工程博士学位。Zhongming是IEEE电力电子学会的高级会员。
