副边同步整流
2021-01-25
作者:Frederik Dostal
来源:ADI
问:如何提高隔离式电源的效率?
答:
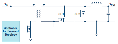
在大多数降压调节器的典型应用中,使用有源开关而非肖特基二极管是标准做法。这样能大大提高转换效率,尤其是产生低输出电压时。在需要电流隔离的应用中,也可使用同步整流来提高转换效率。图1所示为副边同步整流的正激转换器。

图1.正激转换器的自驱动同步整流。
驱动开关进行同步整流可以通过不同方式实现。一种简单方法涉及到跨越变压器副边绕组来驱动。如图1所示。本例中,输入电压范围可能不是非常宽。使用最小输入电压时,SR1和SR2的栅极需要有足够的电压,以便开关能够可靠地导通。为确保MOSFET SR1和MOSFET SR2的栅极电压不超过其最大额定电压,最大输入电压不能过高。
在所有带同步整流的电源中,电路中可能会产生负电流。例如,若电路输出端电容在电路通电之前便已预充电,则电流可能会从输出侧流向输入侧。负电流可能会提高MOSFET SR1和MOSFET SR2的电压,致使其受损。务必小心保护开关,避免受此类事件影响。

图2.带专用驱动器IC的正激转换器的同步整流
图2显示一种利用LTC3900实现同步整流的方法。此控制器驱动正激拓扑中的同步整流开关SR1和SR2。
这种设想很有效。但是,LTC3900需要防止负电流流过外部开关。首先,器件需要快速检测负电流;然后,SR1和SR2开关需要迅速断开。为防止在启动期间或可能的突发模式中发生电路受损,这样的做法很有必要。

图3.通过与ADP1074完全集成实现正激拓扑的同步整流
图3显示了一种采用新型ADP1074的非常优雅的电路设计。输出电压信息通过反馈引脚检测。为防范某些情况下(例如输出电压已预充电时)负电流流过SR1和SR2开关的风险,同步整流未激活。两个开关的体二极管执行整流。这样便可防止开关受损。利用ADP1074内置的iCoupler®技术,可实现无负电流流动的安全操作。
作者简介:
Frederik Dostal 就读于德国爱尔兰根大学微电子学专业。他于2001年加入电源管理业务部门,曾担任各种应用工程师职位,并在亚利桑那州凤凰城工作了4年,负责开关模式电源。他于2009年加入ADI公司,担任欧洲分公司的电源管理技术专家。
