如何用大数据分析来解决偶发性异常问题
2021-02-26
来源:ZLG致远电子
摘要:在研发、生产过程中,如何发现和解决偶发性异常问题,是电子工程师始终想攻克的技术点,利用互联网思维,将大数据分析引入传统测量仪器,是否能碰撞出新的火花?本文将给出答案。
偶发性异常问题几乎存在于各行各业,本文将以新能源汽车中常见的继电器为例来说明大数据分析如何解决偶发性异常问题。
一、偶发性异常的出现
继电器、接触器、连接器等在电路中起着自动调节、安全保护、转换电路、连接电路等作用,广泛的应用于航空、航天、汽车电子等领域,在这些安全要求苛刻的领域对于产品的稳定性要求非常高,如何保证这些产品的稳定性呢?
本文以汽车上常规的继电器产品为例,根据《中华人民共和国基础机电继电器第7部分:试验和测量程序 GB/T 21711.7-2018》测量程序规范,需要测量继电器的回跳时间(对于正在闭合或断开其电路的触点,从触点电路首次闭合或断开的瞬间开始至电路最终闭合或断开的瞬间为止之间的时间)图示如下:

图1 继电器的回跳时间
我们使用一台带有2TB的固态硬盘的示波记录仪记录下此过程。

图2 60s的波形记录
手动展开波形我们就发现了偶发性异常问题---每一个波形的上升沿,继电器的回跳时间竟不一致。研发工程师规定此时间不能超过10ms,但仅仅只录制了1分钟的波形就有40个需要查看的上升沿,如果是1小时的波形呢?靠手动测试工作量大到不敢想象!

图3 逐级展开波形
二、大数据分析
如果引入互联网思维,让机器自己检索问题是不是可以大大提高效率呢?听上去是个很好的主意!但实践起来我们发现此偶发性异常的判定方法不同于任何的如上升沿、幅值等常规规则,这就是一大的难题。
通过集思广益,我们在示波记录仪上开发出了“大数据分析”功能。我们将此独特波形的判定方法写成一个算法文件,然后直接在机器本机进行加载,最终实现了自动判定。

图4 加载算法文件
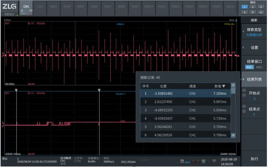
三、解决偶发性异常问题
加载的算法文件可以当做是一种独特判定方式,记录仪可以实时的针对此判定方法和源数据进行比对,并且将结果显示出来,如上面的这个继电器回跳时间,ZDL6000示波记录仪已经自动的将结果分析出来,并直接给出所有的测试结果,原来需要花费几个小时的工作,现在只需要几分钟!这就是大数据分析解决偶发性异常的意义。

图5 搜索结果
四、产品试用
在工程师的日常开发中,时常遇到偶发性异常问题,借助ZDL6000示波记录仪的大数据分析功能,通过加载算法文件,可以大大节约测试时间,提高工作效率。这样引入互联网思维的测试仪器,欢迎各位用户来试用!

