全球最高效ADC芯片问世,国内外ADC芯片发展差在哪?
2021-05-24
来源:OFweek电子工程网
ADC(Analog-to-Digital Converter,模拟数字转换器)被赞誉为芯片皇冠上的明珠,进入AIoT和5G的时代,因为与物理世界交互需求的增加,ADC作为信号链核心的地位还在稳步提升。并且,在将近40年的发展历程中,ADC芯片的重要性从未被动摇过。
如今为了满足高速移动设备不断增长的需求,科技巨头每年都会推出速度更快,功能更强大的设备,同时为其打造更强大的续航能力。苹果、三星等企业之所以能奇迹般的完成这一目标,重点就在于全世界各地的工程师和研究人员正在设计越来越节能的高速传输芯片。
近日,来自杨百翰大学的研究团队研究出了世界上最节能的高速模数转换器(A/D转换器,简称ADC)。ADC是Analog-to-Digital Converter的缩写,也就是模/数转换器或者模拟/数字转换器。是指将连续变量的模拟信号转换为离散的数字信号的器件,就是一个取样、量化、编码的一个过程。
杨百翰大学的研究团队于2021年2月将这一成果发表在《IEEE固态电路》杂志上。资料显示,这项研究耗时4年(3年设计芯片,1年测试芯片),来自国立阳明交通大学、加州大学洛杉矶分校的研究者共同参与了本次研究。
杨百翰大学教授Wood Chiang、博士生Eric Swindlehurst以及其他成员共同参与研究,他们研发出了在10GHz的超宽带无线通信中仅消耗21毫瓦功率的ADC芯片。相比之下,当前ADC每10GHz需要消耗数百毫瓦或瓦级别的功率。这一研究也创下了世界上ADC的最高能效纪录。
“全球许多研究小组都专注于ADC;就像是谁能够制造出世界上最快,最省油的汽车的竞赛,”Wood Chiang教授表示,“要击败世界各地的其他人非常困难,但我们做到了这一点。”
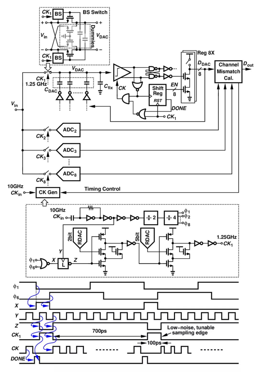
通信系统设备内越来越高的带宽,意味着电路要消耗更高的功率。研究人员是如何着手解决这个问题的呢?他们从ADC电路的关键部分DAC(ADC的完全相反的核心部分:数模转换器)出发。他们通过调整电容器平行板的面积和间距来减少DAC的负载,使得转换器更快、更高效。
此外,研究者采用与传统方式不同的方式对单元电容进行分组,将属于DAC中同一比特位的单元电容分在一组,而不是将它们贯穿在一起。这一方法使得底板的寄生电容降低到三分之一,从而大大降低功耗且提高了速度。

ADC设计与时序图
通过自举开关使其成为双路径后,可以对每个路径进行独立优化。这种方案不仅可以提高速度,还可以节省成本,不需要额外的硬件,因为它拆分了现有设备并更改电路中的路由。实验表明,该ADC采用28nm CMOS 工艺,在 Nyquist上工作时获得了36.9 dB 的 SNDR,功率为21毫瓦,FoM 为37fj/conv-step,刷新了世界上的最低功耗纪录。
Wood Chiang认为,这项工作推动了一切的发展,将为消费者带来很多便利。比如Wi-Fi将拥有更快的上载和下载速度,哪怕是观看4K或即使是8K也基本没有滞后,同时还能保持电池寿命。ADC的其他应用还包括自动驾驶汽车(使用大量无线带宽),眼镜或智能隐形眼镜之类的智能可穿戴设备,甚至是可植入设备之类的东西。
此外,Wood Chiang还表示,“该设备需要复杂的设计和验证,以确保转换器中的所有数千个连接都能正常工作。这就像建造一个小城市。这个项目有很多细节。设计中的一个错误至少要花一年的时间才能纠正,因此团队很高兴没有犯任何错误。”
模拟芯片皇冠上的明珠,ADC有哪些关键指标?
众所周知,信号链芯片主要包括放大器、数模转换、接口等品类,其中转换器属于其中技术壁垒最高细分品类。转换器是由模拟电磁波转换成0101比特流最关键的环节,具体又可以分为ADC和DAC两类,ADC作用是对模拟信号进行高频采样,将其转换成数字信号;DAC的作用是将数字信号调制成模拟信号。
其中ADC在总需求中占比接近80%。ADC/DAC是整个模拟芯片皇冠上的明珠,核心难度有两点:抽样频率和采样精度难以兼得(高速高精度ADC壁垒最高)以及需要整个制造和研发环节的精密配合。
ADC关键指标包括“转换速率”和“转换精度”,其中高速高精度ADC壁垒最高。数据转换器主要看两个基本指标,转换速率和转换精度。
转换速率通常用单位sps(Samples per Second)即每秒采样次数来表示,比如1Msps、1Gsps对应的数据转换器每秒采样次数分别是100万次、10亿次;转换精度通常用分辨率(位)表示,分辨率越高表明转换出来的数字/模拟信号与原来的信号之间的差距越小。高性能数据转换器需具备高速率或高精度的数据转换能力。

(各种类型ADC的速度与精度关系 资料来源:芯力特官网)
数据转换器的速率和精度指标往往是相互制约、此消彼长的关系,例如亚德诺目前最快的商用模数转换器的转换速率为26Gsps,但其分辨率仅为3位,而具有24位分辨率的模数转换器的转换速率仅为26Msps。
根据这两大指标,ADC可以分为高速高精度、低速高精度、高速低精度以及低速低精度四种类型,其中高速高精度壁垒最高。
国内外ADC产业发展现状:进口厂商主导
ADC芯片的产业链和开云棋牌官网在线客服产业的一样,其产业链庞大而复杂,可以分为:上游支撑产业链,包括开云棋牌官网在线客服设备、材料、生产环境;中游核心产业链,包括 IC 设计、 IC 制造、 IC 封装测试;下游需求产业链,覆盖工业、通信、消费电子、航空、国防及医疗等。
数据统计显示,2019年全球转换器市场规模接近36亿美元,预计未来4年CAGR近10%。随着5G基站、IoT等驱动ADC需求落地,预计2023年全球转换器芯片市场空间有望扩张至近50亿美元。
从格局分布来看,全球模拟芯片行业格局相对分散,美欧大厂处于领跑地位。由于模拟芯片具有品类丰富、产品系列深等特点,各细分产品规模小、市场间跨度大,因此全球市场整体呈现分散的格局,头部厂商难以取得垄断优势。最为知名的厂商包括ADI、TI、Maxim、Microchip、NXP、Xilinx、STMicroelectronics等等。具体来看,欧美厂商由于起步早,凭借资金、技术、客户资源、品牌等方面的积累,目前在全球范围内仍处于领跑地位。
国内ADC产业发展仍处在追赶状态。1996年,以西方为主的33 个国家在奥地利维也纳签署了《瓦森纳协定》,规定了高科技产品和技术的出口范围和国家,其中高端ADC 属于出口管制的产品,中国也属于受限制的国家之一,禁运范围主要是精度超过8 位且速度超过10Msps的ADC。
2019年华为被纳入实体名单后,TI、ADI等美国模拟IC大厂向华为供货受限,进一步加速国内模拟芯片领域的国产替代节奏。聚焦ADC领域,全球主要供应商仍是TI、ADI为首的几家国际大厂,而高性能ADC在军用领域、高端医疗器械以及精密测量等领域起着至关重要的作用,因此ADC技术的国产替代对于我国各下游产业的发展意义重大。自华为事件以后,国内的设备厂家逐渐开始采购国产ADC芯片。
目前,国内比较成熟的ADC厂商有:
芯海科技
芯海科技成立于2003年9月,是一家集感知、计算、控制于一体的全信号链芯片设计企业,专注于高精度ADC、高性能MCU、测量算法以及物联网一站式解决方案的研发设计。产品及方案广泛应用于智慧健康、压力触控、智慧家居感知、工业测量、通用微控制器等领域。
苏州云芯微电子
苏州云芯微电子创办于2010年5月,公司致力于高速高精度数模混合集成电路芯片(ADC/DAC)和集成中射频、模拟、数字功能等集成芯片(SOC&SIP)的设计、开发、生产及销售,并提供相关技术咨询和技术服务,是工信部认证集成电路设计企业、江苏省高新技术企业,拥有20多项发明专利和实用新型专利,以及多项集成电路布图设计登记和软件著作权登记。
苏州迅芯微电子
苏州迅芯微电子有限公司成立于2013年,座落于苏州工业园区,以集成电路及软硬件系统的设计、研发、销售为一体,并提供其技术咨询及技术服务。团队成员在超高速数据转换器(ADC/DAC)芯片、高速串并/并串转换(DEMUX/MUX)芯片,以及微波单片集成电路(MMIC)领域具有丰富的研究经验,成功研发出多款具有国内领先、国际先进水平的超高速数模混合电路芯片。
北京时代民芯
北京时代民芯成立于2005年,为航天微电子资源而成立的公司,现为航天电子技术股份有限公司(股票代号600879)的全资子公司。该公司出售的高速ADC芯片有两款,一款是精度8bit,速度800MSPS,另外一款是精度8bit,速度1.3GSPS。前者具有抗辐射的功能,所以速度相比于后者有所牺牲。后者的规格又刚好卡在美国管控的ADC芯片性能上面。
上海贝岭
上海贝岭成立于1988年,是国内集成电路行业的第一家中外合资企业,地处上海市漕河泾新兴技术开发区,拥有国家级企业技术中心。公司专注于集成电路芯片设计和产品应用开发,是国内集成电路产品主要供应商之一。公司重点发展消费类和工控类两大产品板块业务,目前集成电路产品业务细分为电源管理、智能计量及SoC、非挥发存储器、功率器件和高速高精度ADC等5大产品领域,主要目标市场为电表、手机、液晶电视及平板显示、机顶盒等各类工业及消费电子产品。
中电集团24所
中电集团24所是我国唯一的模拟集成电路专业研究所,同时也是我国高性能模拟集成电路设计开发和生产的重要基地。主要产品有:ADC/DAC转换器、高性能放大器、射频集成电路、驱动器、电源以及汽车电子等,并广泛应用于航空航天、卫星定位、雷达导航、自动控制、汽车和通讯等领域。ADC这条线的产品相比于上面几个公司要丰富,明面上一共展示了16款产品,精度覆盖8bit-16bit。

