使用RECOM DC/DC转换器作为USB充电器
2021-07-12
来源:RECOM
现有的USB标准允许最大充电电流为500mA(USB 1.0、2.0)或900mA(USB 3.0),快速充电的电流限制为1.5A。为了确保充电设备可以安全传输电能,可以在数据传输线D+和D-施加固定电压或在这两个数据线连接之间安装一个电阻,告知便携式设备已将其连接到专用充电端口(DCP)。不幸的是,不同的制造商有不同的规格因此没有通用的解决方案(图1)。

图1:不同便携式设备制造商的各种DCP电阻器配置
为了避免混乱,USB3.1标准加入了电池充电的规范,允许便携式设备与充电器通信以设置可变输出电压、电流和功率限制以配合各种便携式设备和连接器型号的充电能力(A型、B型、微B型或C型)。
即使便携式设备配备的是USB-C连接器仍可以通过旧式充电器充电,因为USB标准是向后兼容的,只是与专用的USB 3.1充电器相比会需要更长的充电时间。
使用RECOM转换器作为USB充电器
将D-和D+引脚短接在一起的USB连接器可以被许多便携式设备视为DCP。在下方的示例中,高性价比的R-78E降压转换器成为低成本的DCP解决方案:

图2:简单的DCP解决方案
图2所示的解决方案可以搭配12或24 VDC固定电压电源或12V铅酸电池。如果使用24V铅酸电池作为电源,建议使用R-78C5.0-1.0(引脚兼容),因为输入电压范围会升至42 VDC。电池供电的USB充电器需要串联反极性保护二极管。
有些便携式设备会无法充电除非D+和D-引脚连接到如图1所示的适当识别电压和电阻。这些设备须要添加一个充电端口控制器IC才能自动检测插入的设备并设置正确的电压和电流才可以进行充电。
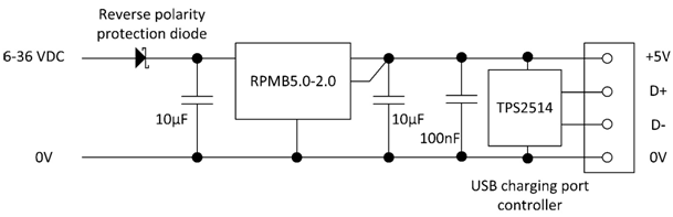
在下方的示例中,TI TSP2514充电端口控制器与SMD贴片式RPMB5.0-2.0降压转换器配合使用,可为各种便携式设备提供高达1.5A的连续充电电流(快速充电):

图3:RPMB的充电端口控制器IC为不同制造商的便携式设备充电
上面的示例适用于12V或24V电池电源电压,但是如果是更高的输入电压范围(例如,与48V锂离子电池电源一起使用),需要使用一个最高可以处理60VDC输入电压的转换器以应付高充电电压,而RPMH5.0-1.5就是理想的选择。在输入端和使能引脚之间接入分压电阻可提供欠压保护;如下图所示,如果输入电压降至20V以下转换器将自动关闭,保护电池不受深度放电的伤害。

图4:用于高输入电压的DCP (RPMH)
某些应用需要隔离的充电端口以避免输出引脚意外跨接到电源的时候短路。RS6-4805S是一个合适的解决方案,小巧的SIP8封装提供高达1200mA的电流。RS6系列还内置欠压锁定功能以防止深度放电造成电池损坏、1.6kVDC/1分钟的隔离、100V的浪涌承受力,以及使用TVS二极管的±1kV瞬态保护功能。需要电源时,RS12系列通过同一SIP8引脚提供高达2.4A的电流。

图5:具有100VDC浪涌承受力的隔离USB DCP
