学子专区-ADALM2000实验:浮动(2端口)电流源/吸电流
2021-09-15
作者:Doug Mercer,顾问研究员;Antoniu Miclaus,系统应用工程师
来源:ADI
本实验旨在研究如何利用ΔVBE概念来产生稳定(对输入电压电平的变化较不敏感)的输出电流。使用反馈来构建在一定的电源电压范围内产生恒定或调节输出电流的电路。
材料
ADALM2000主动学习模块
无焊试验板
一个500 Ω可变电阻、电位计
一个100 Ω电阻
三个小信号NPN晶体管(2N3904)
三个小信号PNP晶体管(2N3906)
说明
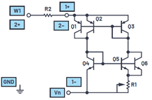
在无焊试验板上构建图1所示的电路。蓝色方框表示ADALM2000的连接位置。PNP晶体管Q1、Q2和Q3形成增益为2的电流镜;输出电流是输入电流的2倍。NPN晶体管Q4、Q5和Q6以及可变电阻R1形成电路的ΔVBE部分。电阻R2用于测量随电路上的电压变化(示波器通道1)在电路中流动的电流(示波器通道2)。

图1.浮动电流源(吸电流连接到负电源)
输出电流通过R1设置。Q4与Q5和Q6的并联组合之间的VBE差(ΔVBE)出现在R1上。PNP镜(Q1、Q2和Q3)的增益为2(假定它们的大小相同)。因此,Q4中的电流是Q5和Q6组合电流的两倍。我们再假定Q4、Q5和Q6的大小也相同,电流密度比为4,VBE差将为:

由于这个等式中的绝对温度项,电流将与绝对温度成正比。在某些情况下,这个特征可能有用,但在其他情况下,可能不适宜。

图2.浮动电流源(吸电流连接到负电源)试验板电路
硬件设置
试验板电路连接如图2所示。
程序步骤
将波形发生器W1配置为三角波,频率为100 Hz,幅度为10 V p-p,偏移为0 V。示波器显示应同时在电压与时间和XY模式中设置,通道1在水平轴上,通道2在垂直轴上。确保在完成并反复检查接线之后,再打开电源。

图3.浮动电流源(吸电流连接到负电源)示波器XY图示例

图4.使用理想组件的浮动电流源(吸电流连接到负电源)LTspice XY图示例
证明电路的浮动特性
在图1中,我们以负电源作为电路负极参考。要证明此电路是真正的浮动电流源,按图5所示重新排列试验板并重复测量。

硬件设置
试验板电路连接如图6所示。
程序步骤
将波形发生器W1配置为三角波,频率为100 Hz,幅度为10 V p-p,偏移为0 V。示波器显示应同时在电压与时间和XY模式中设置,通道1在水平轴上,通道2在垂直轴上。确保在完成并反复检查接线之后,再打开电源。

图7.浮动电流源(吸电流连接到正电源)XY图

图8.使用理想组件的浮动电流源(吸电流连接到正电源)LTspice XY图示例
问题:
通过分析电路的LTspice图,电流源保持相对恒定电流所需的最小电压是多少?
您可以在学子专区博客上找到问题答案。
作者简介
Doug Mercer于1977年毕业于伦斯勒理工学院(RPI),获电子工程学士学位。自1977年加入ADI公司以来,他直接或间接贡献了30多款数据转换器产品,并拥有13项专利。他于1995年被任命为ADI研究员。2009年,他从全职工作转型,并继续以名誉研究员身份担任ADI顾问,为“主动学习计划”撰稿。2016年,他被任命为RPI ECSE系的驻校工程师。
Antoniu Miclaus现为ADI公司的系统应用工程师,从事ADI教学项目工作,同时为Circuits from the Lab®、QA自动化和流程管理开发嵌入式软件。他于2017年2月在罗马尼亚克卢日-纳波卡加盟ADI公司。他目前是贝碧思鲍耶大学软件工程硕士项目的理学硕士生,拥有克卢日-纳波卡科技大学电子与电信工程学士学位。
