大联大友尚集团推出基于Diodes产品的130W ACF氮化镓NB PD电源适配器方案
2022-04-21
来源:大联大友尚
2022年4月19日,致力于亚太地区市场的领先开云棋牌官网在线客服元器件分销商---大联大控股宣布,其旗下友尚推出基于达尔科技(Diodes)AP3306、APR340与AP43771V等芯片的130W ACF氮化镓NB PD电源适配器方案。

图示1-大联大友尚基于Diodes产品的130W ACF氮化镓NB PD电源适配器方案的展示板图
手机、平板、笔记本等便携式电子产品的技术迭代正不断超乎人们想象,而其中最颠覆的技术之一莫过于快充技术。近几年受益于功率器件与PD快充协议的发展,大功率适配器方案迎来了快速创新时期,从最初的18W到45W再到65W,每一次功率的攀升,都使快充功能有了显著提高。而未来在多重技术的驱动下,大功率适配器将在消费类电源领域的占有主流地位。为了加快各大厂商能够快速开展大功率适配器的研发,大联大友尚基于Diodes的产品推出了130W ACF氮化镓NB PD电源适配器方案,能够同时为手机、平板、笔记本提供充电需求。
达尔科技(Diodes)成立于1966年,主要从事于分立、逻辑及模拟开云棋牌官网在线客服产品的制造及供应,其产品广泛应用于工业、通讯以及汽车市场。本方案中所采用的AP3306、APR340与AP43771V芯片均为Diodes高性能产品。

图示2-大联大友尚基于Diodes产品的130W ACF氮化镓NB PD电源适配器方案的场景应用图
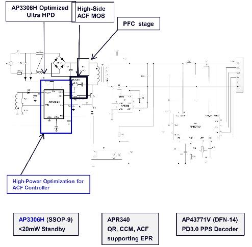
本方案的核心由四个主控制器UCC28056、AP3306、APR340和AP43771V组成。其中,UCC28056B是过渡模式升压PFC控制器。AP3306是一款高度集成的有源箝位反激(ACF)控制器,主要针对离线电源优化设计,可满足超低待机功耗、高功率密度和全面保护的需求。APR340是次级侧同步整流(SR)控制器,它可用作同步的次级侧MOSFET驱动器DCM操作中的整流,为方案有效降低次级侧整流器功耗并提供高性能。
AP43771V是一种协议解码器,负责匹配相关充电器容量和连接的配备C型充电设备(DUC)的请求。它兼容Qualcomm® QC4/4+/QC5协议,支持USB供电规范Rev3.0 V1.2(包括可选的PPS支持),在方案中起到调节充电器的反馈网络以满足DUC的电压和电流要求的作用。

图示3-大联大友尚基于Diodes产品的130W ACF氮化镓NB PD电源适配器方案的方块图
除此之外,本方案还采用氮化镓(GaN)FET进一步提升充电效能。通过结合以上器件,可为消费电子适配器提供高性价比与高功率密度的解决方案,使产品在市场竞争中保持独特的优势。
核心技术优势:
高效BOM优化的高功率密度充电器的最佳系统实施
ŸDiodes专利利用ACF拓扑实现提升效率改进方法;
Ÿ高压启动及低待机功耗;
Ÿ符合DOE VI和COC Tier 2效率要求;
ŸUSB Type-C输出线:支持最大输出130W PD 3.0功能。
AP3306主要特性
Ÿ具有回收泄漏能量和零电压开关功能的有源箝位反激拓扑;
Ÿ高压启动;
Ÿ用于VCCL引脚的嵌入式VCC LDO以保证宽范围输出电压;
Ÿ输出短路时的恒定、低输出电流;
Ÿ非可听噪声准谐振控制;
Ÿ启动过程中的软启动;
Ÿ频率折返以实现高平均效率;
Ÿ带有FOCP的次级绕组短路保护;
Ÿ用于降低EMI的频率抖动;
ŸX-CAP放电功能;
Ÿ有用的引脚故障保护:SENSE 引脚浮动保护/FB/光耦合器开路/短路保护;
Ÿ全面的系统保护功能:VOVP/OLP/BNO/SOVP/SUVP0。
APR340主要特性
Ÿ同步整流适用于DCM/QR/ACF操作模式;
Ÿ消除谐振振铃干扰;
Ÿ使用最少的外部组件。
AP43771V主要特性
Ÿ支持USB PD Rev 3.0 V1.2;
ŸUSB-IF PD3.0/PPS认证TID 4312;
Ÿ高通QC5认证:QC20201127203;
Ÿ用于系统配置的MTP;
Ÿ主固件的OTP;
Ÿ工作电压范围:3.3V至21V;
Ÿ用于CV和CC控制的内置调节器;
Ÿ可编程OVP/UVP/OCP/OTP;
Ÿ支持省电模式;
Ÿ用于VBUS供电的外部N-MOSFET控制;
Ÿ支持e-Marker线缆检测;
ŸW-DFN3030-14。
方案规格:
Power主要规格
Ÿ输入电压范围:90Vac ~ 264Vac;
Ÿ输入Standby Power:小于100mW;
Ÿ主要输出电压规格:5V/3A,9V/3A,15V/3A,20V/6.5A;
Ÿ效率:符合CoC version 5 tier-2;
Ÿ最大输出功率:130W(20V/6.5A);
Ÿ保护种类:OCP,OVP,UVP,OLP,OTP,SCP;
ŸDimensions:PCB size 125mm*55mm*30mm。

