电力电子课程:第 5 部分 - 可控硅、双向可控硅
2022-09-06
来源:laocuo1142
如前几篇文章所述,大电流流经电缆和高截面连接。需要能够承受高电流强度而不会损坏自身或在极高温度下运行的特殊电子元件,以便切换、控制或转移该电流。电力电子元件是静态开云棋牌官网在线客服器件,可以控制微弱的控制信号以产生高输出功率。
介绍
电力电子系统必须以极高的能效作为其首要要求。换句话说,电源电路必须有效,并且它产生的热量必须由卓越的冷却系统带走。已经确定,为了实现高良率和低功耗,所有电力电子器件都用作开关(ON 和 OFF),更具体地说,是在高频开关模式下。这将减小感应部件的尺寸,并最终减小系统的整体重量。由于技术的进步和新开云棋牌官网在线客服的发现,现在功率器件的性能比过去好很多。可控功率和开关速度特别提高。
图 1 从广义上显示了技术在大约 80 年的学术和工业研究过程中发生了怎样的变化。

图 1:功率器件——时间线
从广义上讲,科学进步使以下功率器件的生产成为可能,它们的性能比它们各自以前的器件越来越高:
SCR(1957 - 可控硅整流器);
RCT(1957 - 反向导电晶闸管);
TRIAC(1958 - 三极管交流开关);
BJT(1960 - 双极结型晶体管);
GTO(1962 - 门极关断晶闸管);
Power Mosfet(1970 - 金属氧化物开云棋牌官网在线客服场效应晶体管);
SIT(1975 - 静态感应晶体管);
IGBT(1983 – 绝缘栅双极晶体管);
MCT(1988 – MOS 控制晶闸管);
SiC Mosfet(2000 - 碳化硅 Mosfet);
GaN Mosfet(2010 - 氮化镓 Mosfet)。
在以下段落中,将仅描述最重要的部分,并通过一些电子模拟突出主要特征。
SCR(或晶闸管)
电力电子随着 SCR 的发明而诞生。实际上,它是一个可控硅二极管,由三个端子(阳极、阴极和栅极)组成。门是组件的控制元素。它由四个开云棋牌官网在线客服层组成,其中两个是 P 型,两个是 N 型。在端子 A 和 K 之间施加直流电压时,在栅极上没有脉冲的情况下,它保持打开状态。随着栅极上的脉冲,可控硅进入导通状态。在这个脉冲之后,即使在栅极上没有电流的情况下,也可以保证电流通过。图2中的示意图显示了 SCR 在直流状态下的操作。一个 80 V 电池可确保负载 R1 的电压为 200 欧姆,但在 SCR 的栅极没有接收到脉冲之前,负载将保持未供电状态。栅极上的一个短脉冲足以触发晶闸管的导通。在直流电中,只有切断电源才能取消电流的通过。使用的 SCR的SPICE 模型(S6S3)如下:
.SUBCKT S6S3 1 2 3
* 终端:AG K
Qpnp 6 4 1 Pfor 关
Qnpn 4 6 5 Nfor 关闭
Rfor 6 4 5G
版本 1 4 5G
Rshort 6 5 1MEG
拉特 2 6 9.09
罗恩 3 5 513.4m
Dfor 6 4 Zbrk
驱动 1 4 Zbrk
D门6 5 Z门
.MODEL Zbrk D (IS=3.2E-16 IBV=100U BV=600)
.MODEL Zgate D (IS=1E-16 IBV=100U BV=10 VJ=0.3)
.MODEL Pfor PNP(IS=5E-15 BF=0.95 CJE=5p CJC=2p TF=0.3U)
.MODEL Nfor NPN(IS=1E-12 ISE=1E-9 BF=10.0 RC=0.45 CJE=30p CJC=2p TF=0.3U)
.ENDS

图 2:在直流状态下 SCR 的操作
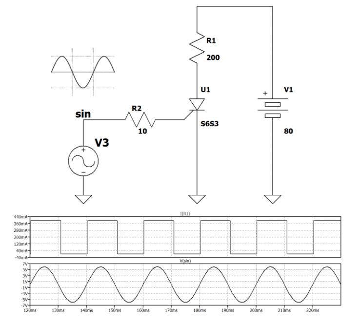
如图和图 3的模拟所示,SCR 的操作始终是一致的。与普通二极管一样,SCR 仅在正弦波的正半周期通过 AK 导通,在负半周期保持关闭。这样,一半的电源电压到达负载。如果可控硅在交流电中使用,则在电流过零时发生关断,使其缺乏保持触发所需的维护电流。

图 3:交流电状态下 SCR 的操作
双向可控硅
三端双向可控硅开关用作大电流的双向开关,由三个端子组成:栅极、阳极 1 和阳极 2。只有在栅极上施加电流脉冲时,两个阳极之间才能通过电流。如果三端双向可控硅开关正在导通,即使栅极中没有电流,电流也会继续流动。但如果三端双向可控硅开关连接到交流电路,则关断发生在电流的过零处。使用的 TRIAC (L0103DE) 的 SPICE 模型如下:
.SUBCKT L0103DE 1 2 3
* 端子:MT2 G MT1
Qnpn1 5 4 3 NoutF OFF
Qpnp1 4 5 7 PoutF OFF
Qnpn2 11 6 7 NoutR OFF
Qpnp2 6 11 3 PoutR OFF
Dfor 4 5 DZ OFF
Drev 6 11 DZ OFF
Rfor 4 6 12MEG
Ron 1 7 300m
Rhold 7 6 250
RGP 8 3 350
RG 2 8 150
RS 8 4 250
DN 9 2 DIN OFF
RN 9 3 6.0
GNN 6 7 9 3 0.2
GNP 4 5 9 3 2.0
DP 2 10 DIP OFF
RP 10 3 4.0
GP 7 6 10 3 0.5
.MODEL DIN D (IS=382F)
.MODEL DIP D (IS=382F N=1.19)
.MODEL DZ D (IS=382F N=1.5 IBV=50U BV=400)
.MODEL PoutF PNP (IS=382F BF=1 CJE=190p TF=0.3U)
.MODEL NoutF NPN (IS=382F BF=3 CJE=190p CJC=38p TF=0.3U)
.MODEL PoutR PNP ( IS=382F BF=5 CJE=190p TF=0.3U)
.MODEL NoutR NPN (IS=382F BF=0.5 CJE=190p CJC=38p TF=0.3U)
.ENDS
TRIAC 的操作非常简单,如图 4所示。几毫安的脉冲足以触发 TRIAC 并让灯泡打开。如果脉冲处于活动状态,即使交流电压通过零并呈现负值,电流也会通过组件。如果门脉冲低,三端双向可控硅开关不导通,打开,灯泡保持关闭。另一方面,如果脉冲很高,三端双向可控硅开关导通并且灯泡打开。这种功能在正半波和负半波中是相同的。

图 4:TRIAC 用于交流电状态
更多信息可以来这里获取==>>电子技术应用-AET<<

